Ogniwo telekinetyczne
czyli źródło nieograniczonych ilości darmowej energii
(dwujęzycznie, po: angielsku For English version click on this flag i polsku Dla polskiej wersji kliknij na ta flage)
Uaktualizowano:
25 marca 2013


Kliknij "X" lub "No" na np. planszy rzekomych błędów, lub na reklamie, jeśli te usiłują przeszkodzić w oglądnięciu tej strony.



Menu 1:

(Wybór języka:)


(Organizujące:)

Strona główna

Skorowidz

Menu 2

Menu 4

FAQ


(Polskie tutaj:)

Telekinetyczne ogniwo

Telekinetyczne ogniwo w PDF

Źródłowa replika tej strony

Darmowa energia

Telekinetyczne ogniwo

Grzałka soniczna

Telekinetyka

Samochody bez spalin

Telekineza

Strefa wolna od telekinezy

Telepatia

Trzęsienia ziemi

Sejsmograf

Artyfakt

Koncept Dipolarnej Grawitacji

Totalizm

Pasożytnictwo

Karma

Prawa moralne

Nirwana

Dowód na duszę

Wehikuły czasu

Nieśmiertelność

Napędy

Magnokraft

Komora oscylacyjna

Militarne użycie magnokraftu

Tapanui

Nowa Zelandia

Atrakcje Nowej Zelandii

Dowody działań UFO na Ziemi

Fotografie UFO

Chmury-UFO

Bandyci wśród nas

Tornado

Huragany

Katrina

Lawiny ziemne

Zburzenie hali w Katowicach

Ludobójcy

26ty dzień

Petone

Przepowiednie

Plaga

Podmieńcy

WTC

Columbia

Kosmici

UFOnauci

Formalny dowód na istnienie UFO

Zło

Antychryst

O Bogu naukowo

Dowód na istnienie Boga

Metody Boga

Biblia

Wolna wola

Prawda

O mnie (dr inż. Jan Pająk)

Starsze "o mnie"

Poszukuję pracy

Aleksander Możajski

Świnka z chińskiego zodiaku

Zdjęcia ozdobnych świnek

Radości po 60-tce

Kuramina

Uzdrawianie

Owoce tropiku

Owoce w folklorze

Książka kucharska

Ewolucja ludzi

Wszystko-w-jednym

Grecka klawiatura

Rosyjska klawiatura

Rozwiązanie kostki Rubika 3x3=9

Rozwiązanie kostki Rubika 4x4=16

Wrocław

Malbork

Milicz

Bitwa o Milicz

Św. Andrzej Bobola

Liceum Ogólnokształcące w Miliczu

Klasa Pani Hass z LO Milicz

Absolwenci 1970

Nasz rok

Wykłady 1999

Wykłady 2001

Wykłady 2004

Wykłady 2007

Wieś Cielcza

Wieś Stawczyk

Wszewilki

Zwiedzaj Wszewilki i Milicz

Wszewilki jutra

Zlot "Wszewilki-2007"

Unieważniony Zjazd "2007"

Poprzedni Zlot "2006"

Raport Zlotu "2006"

Korea

Hosta

Lepsza ludzkość

Partia totalizmu

Statut partii totalizmu

FAQ - częste pytania

Replikuj

Memoriał

Sabotaże

Skorowidz

Menu 2

Menu 4

Źródłowa replika strony menu

Tekst [11] w PDF

Tekst [10] w PDF

Tekst [8p/2]

Tekst [8p]

Tekst [7]

Tekst [7/2]

Tekst [7b]

Tekst [6/2]

[5/4]: 1, 2, 3

Tekst [4c]: 1, 2, 3

Tekst [4b]

Tekst [3b]

Tekst [2]

[1/3]: 1, 2, 3

X tekst [1/4]

Monografia [1/4]:
P, 1, 2, 3, E, X

Monografia [1/5]



(English here:)

Telekinetic battery

Telekinetic battery in PDF

Source replica of this page

Free energy

Telekinetic cell

Sonic boiler

Telekinetics

Zero pollution cars

Telekinesis

Telekinesis Free Zone

Telepathy

Earthquake

Seismograph

Artefact

Concept of Dipolar Gravity

Totalizm

Parasitism

Karma

Moral laws

Nirvana

Proof of soul

Time vehicles

Immortality

Propulsion

Magnocraft

Oscillatory Chamber

Military use of magnocraft

Tapanui

New Zealand

New Zealand attractions

Evidence of UFO activities

UFO photographs

Cloud-UFOs

Bandits amongst us

Tornado

Hurricanes

Katrina

Landslides

Demolition of hall in Katowice

Predators

26th day

Petone

Prophecies

Plague

Changelings

WTC

Columbia

Aliens

UFOnauts

Formal proof for the existence of UFOs

Evil

Antichrist

About God

Proof for the existence of God

God's methods

The Bible

Free will

Truth

About me (Dr Eng. Jan Pajak)

Old "about me"

My job search

Aleksander Możajski

Pigs from Chinese zodiac

Pigs Photos

Healing

Tropical fruit

Fruit folklore

Cookbook

Evolution of humans

All-in-one

Greek keyboard

Russian keyboard

Solving Rubik's cube 3x3=9

Solving Rubik's cube 4x4=16

Wrocław

Malbork

Milicz

Battle of Milicz

St. Andrea Bobola

Village Cielcza

Village Stawczyk

Wszewilki

Wszewilki of tomorrow

Korea

Hosta

1964 class of Ms Hass in Milicz

TUWr graduates 1970

Lectures 1999

Lectures 2001

Lectures 2004

Lectures 2007

Better humanity

Party of totalizm

Party of totalizm statute

FAQ - questions

Replicate

Memorial

Sabotages

Index of content with links

Menu 2

Menu 4

Source replica of page menu

Text [11] in PDF

Text [8e/2]

Text [8e]

Text [7]

Text [7/2]

Text [6/2]

Text [5/3]

Figs [5/3]

Text [2e]

Figures [2e]: 1, 2, 3

Text [1e]

Figures [1e]: 1, 2, 3

X text [1/4]

Monograph [1/4]:
E, 1, 2, 3, P, X

Monograph [1/5]


(По русски:)

Бог

Меню 2

Меню 4

Peпликa иcтoчникa этoй cтрaницы

Клавиатура


(Ελληνικά εδώ:)

Θεός

Επιλογές 2

Επιλογές 4

Αντίγραφο πηγής αυτής της σελίδας

Πληκτρολόγιο


(Hier auf Deutsch:)

Freie Energie

Telekinesis

Moralische Gesetze

Totalizm

Über mich

Menu 2

Menu 4

Quelreplica dieser Seite


(Aquí en espańol:)

Energía libre

Telekinesis

Leyes morales

Totalizm

Sobre mí

Menu 2

Menu 4

Reproducción de la fuente de esta página


(Ici en français:)

Énergie libre

Telekinesis

Lois morales

Totalizm

Au sujet de moi

Menu 2

Menu 4

Reproduction de source de cette page


(Qui in italiano:)

Energia libera

Telekinesis

Leggi morali

Totalizm

Circa me

Menu 2

Menu 4

Replica di fonte di questa pagina




Menu 2:

(Przesuwne)

Oto wykaz wszystkich stron które powinny być dostepne pod niniejszym adresem (tj. na tym serwerze), w zestawieniu językowym - w 8 językach. Jest on częściej aktualizowanym powtórzeniem stron zestawionych też w "Menu 1". Wybierz poniżej interesującą Cię stronę manipulując suwakami, potem kliknij na nią aby ją uruchomić:

Tu powinna być wyświetlona strona menu2.htm.

(Ten sam wykaz daje się też wyświetlić z "Menu 1" poprzez kliknięcie tam na "Menu 2".)



Menu 3:

(Alternatywne adresy internetowe tej strony, np.:)

artefact.uhostall.com

bobola.net78.net

cielcza.iwebs.ws

energia.sl.pl

karma.khoai.vn

petone.loomhost.com

proof.t15.org

rex.dasfree.com

soul.frihost.org

tornado.fav.cc

tornado.zxq.net

totalizm.pl

(Starsze wersje:)

cielcza.5GBFree.com

quake.hostami.me

bible.webng.com

malbork.webng.com

tornados2005.narod.ru

dhost.info/nirvana

pajak.fateback.com

geocities.ws/immortality

morals.mypressonline.com

chi.maroc.to

totalism.50megs.com

totalizm.20fr.com

ufonauci.w.interia.pl




Menu 4:

(Przesuwne)

Oto wykaz adresów wszystkich totaliztycznych witryn działających w dniu aktualizacji tej strony. Pod każdym z owych adresów powinny być dostępne wszystkie totaliztyczne strony wyszczególnione w "Menu 1" i "Menu 2", włączajac w to również ich odmienne wersje językowe (tj. wersje w językach: polskim, angielskim, niemieckim, francuskim, hiszpańskim, włoskim, greckim i rosyjskim). Najpierw więc w poniższym okienku wybierz adres serwera z każdego masz zamiar skorzystać manipulując suwakami, potem kliknij na jego adres, kiedy zaś otworzy się strona reprezentująca ów serwer wówczas wybierz sobie z "Mednu 1" lub z "Menu 2" interesującą cię stronę i kliknij na nią aby ją uruchomić i przeglądnąć:

Tu powinna być wyświetlona strona menu.htm.

(Niniejszy wykaz daje się też wyświetlić z "Menu 1" poprzez kliknięcie tam na "Menu 4".)


Nasza cywilizacja jest w poważnych kłopotach. Jej zasoby energii są bliskie wyczerpania. Przykładowo niektórzy badacze oceniają, że około połowy zasobów energetycznych naszej planety, takich jak ropa naftowa czy węgiel, już zostało wyczerpane. Grozi nam tzw. "śmierć energetyczna" - chyba że szybko znajdziemy nowe źródło energii. Jak się też okazuje, źródło takie jest nam już znane. Jest nim zjawisko które stanowi dokładną odwrotność tarcia. Nazywane jest ono "efektem telekinetycznym". Jego szerszy opis zawarty został na dwóch stronach internetowych, mianowicie na stronach o "urządzeniach darmowej energii" oraz o "Koncepcie Dipolarnej Grawitacji". W sposób odwrotny do tarcia zamieniającego bezpośrednio ruch na ciepło, ów "efekt telekinetyczny" zamienia bezpośrednio ciepło na ruch. Aby więc uzyskać dostęp do nieograniczonych ilości energii, wystarczy ów efekt telekinetyczny wyzwolić np. w przewodniku. Po wyzwoleniu spowoduje on ruch elektronów w obrębie tego przewodnika kosztem ciepła absorbowanego spontanicznie przez ów przewodnik z powietrza jakie go otacza. Jak zaś wiemy, ruch elektronów w przewodniku to prąd elektyczny. Czyli urządzenie mojego wynalazku, które będzie wyzwalało ów efekt telekinetyczny w przewodniku, będzie generowało elektryczność zaś jednocześnie będzie konsumowało ciepło zawarte w swoim otoczeniu. Ja nazywam owo urządzenie "ogniwem telekinetycznym". Żartobliwie można by je też nazwać "lodówką na odwyrtkę" - wszakże ochładza ono powietrze oraz generuje elektryczność. Urządzenie to z całą pewnością jest możliwe do zbudowania. Jak bowiem ja to odkryłem właśnie podczas pisania niniejszej strony internetowej, w pierwszej połowie XX-wieku jego prymitywna wersja była produkowana fabrycznie wbudowana w podzespoły tzw. "radia kryształkowego". Właśnie dlatego owe radio było dotychczas jedynym urządzeniem elektrycznym na Ziemi które pracowało doskonale nie używając żadnego zasilania w energię. Niniejsza strona opisuje najważniejsze szczegóły zasady działania i budowy ogniwa telekinetycznego.


Część #A: Informacje wprowadzające tej strony:

      

#A1. Jakie są cele tej strony:

       Celem tej strony jest wskazanie że nasza cywilizacja stoi tylko mały krok od zbudowania urządzeń generujących energię bez produkowania zanieczyszczeń naturalnego środowiska. Ma ona też wyjaśniać generalną zasadę na jakich urządzenia te będą działały.


Część #B: Problem terminologią nazywającą sprawy po imieniu:

      

#B1. Dlaczego konieczne jest używanie "mylących nazw" dla opisania urządzeń do bezzanieczyszczeniowego generowania energii:

       Jak wiemy, oficjalna nauka ziemska stwierdza kategorycznie że tzw. "perpetum mobile" NIE daje się zbudować. Urządzenia takie mają bowiem jakoby łamać sentymentalne dla naukowców tzw. "prawa termodynamiki" - które sformułowane przecież zostały na etapie raczkowania dziesiejszej nauki, czyli w owych dawnych czasach kiedy to ludzkość dorobiła się właśnie pierwszych lokomotyw parowych. Aby zaś ktoś przypadkiem NIE udowodnił że również i w tej sprawie nauka jest w błędzie - jako że trwanie w błędzie zdaje się być odwieczną tradycją oficjalnej nauki, dzisiejsi naukowcy zaciekle atakują każdego kto się NIE zgadza z tymi starożytnymi rewelacjami. Naukowcy oficjalnie też udają, że NIE wiedzą iż takie właśnie urządzenia były już zbudowane na Ziemi, zaś aż kilka z już działających ich prototypów opisane jest na stronach free_energy_pl.htm, telekinetyka.htm, eco_cars_pl.htm, boiler_pl.htm, oraz niniejszej. Aby więc NIE narażać się na ataki oficjalnej nauki, wynalazcy pracujący nad różnymi wersjami "perpetum mobile" obecnie nazywają je innymi nazwami. Jedną z najbardziej popularnuch takich nowych nazw jest "urządzenia darmowej energii". Ja jednak osobiście sugerowałbym nadanie im bardziej naukowo objaśniającej nazwy urządzeń do generowania czystej energii z samo-odtwarzających się i nieustających zjawisk natury - która to nazwa wynika z filozoficznych przesłanek wyjaśnionych w punkcie #G2 strony pajak_jan.htm, zaś podsumowanych poniżej w następnym punkcie #B2. "Ogniwo telekinetyczne" opisywane na niniejszej stronie też należy do kategorii takich właśnie urządzeń.


#B2. Czym są owe "urządzenia darmowej energii" z filozoficznego punktu widzenia:

       Czym naprawdę są "urządzenia darmowej energii" z filozoficznego punktu widzenia, wyjaśnia to dokładniej punkt #G2 strony pajak_jan.htm, oraz ilustruje na przykładzie punkt #F1 strony free_energy_pl.htm. Aby w skrócie podsumować tutaj tamte wyjaśnienia, urządzenia te to po prostu jakby rodzaje "wiatraków" które napędzane są przez jakby naturalne "wiatry" wiecznie wiejące z zawsze wystarczająco dużą siłą. Takich zaś zjawisk które mogą pracować dla nas podobnie jak "wiecznie wiejące i silne wiatry" znamy dzisiaj w naturze już dosyć sporo. Wszakże należą do nich: ruch obrotowy Ziemi, orbitowanie Ksieżyca, różnica temperatur pomiędzy ciepłem otoczenia a zerem bezwzględnym, hałas kosmiczny, oraz wiele więcej. Opisową więc nazwą dla owych zjawisk byłaby właśnie nazwa samo-odtwarzające się i nieustające zjawiska natury użyta w poprzednim punkcie. Z kolei naukową nazwą dla urządzeń "perpetum motion" wiecznie napędzanych owymi zjawiskami byłaby właśnie nazwa "urządzenia do generowania czystej energii z samo-odtwarzających się i nieustających zjawisk natury" uzyta już w poprzednim punkcie, a także w punkcie #G2 strony pajak_jan.htm.
       Jednym z przykładów takich właśnie zjawisk, wykorzytywanym w zasadzie działania omawianej tutaj "baterii telekinetycznej", jest rodzaj naturalnej tendencji energii cieplnej aby spontanicznie rozpływać się w taki sposób aby powodować samorzutne zanikanie temperatury. Owa tendencja przejawia się przez zjawisko zwane "efektem telekinetycznym" które faktycznie jest "odwrotnością tarcia". Podobnie bowiem jak tarcie powoduje samorzutną zamianę ruchu na ciepło, ów Efekt Telekinetyczny powoduje samorzutną zamianę ciepła w ruch.


Część #C: Poznajmy "ogniwo telekinetyczne":

      

#C1. Co to takiego owo "telekinetyczne ogniwo":

       Nazwa "telekinetyczne ogniwo" przyporządkowana została do urządzenia technicznego mojego wynalazku, które to urządzenie konsumuje energię cieplną jaką spontanicznie pobiera ono ze swego otoczenia, oraz zamienia to ciepło bezpośrednio w energię elektryczną. Produktem pracy takiego ogniwa jest więc energia elektryczna. Natomiast energią używaną przez nie do swego zasilania jest ciepło jakie ono samo spontanicznie pozyskuje z otaczającego go powietrza. Ogniwo telekinetyczne można więc żartobliwie opisać albo jako rodzaj "lodówki na odwyrtkę", albo też rodzaj "odwrotności grzejnika elektrycznego". Wszakże podczas pracy ochładza ono swoje otoczenie, a jednocześnie generuje elektryczność. Ogniwo to należy do grupy tzw. urządzeń darmowej energii. Wszakże generowana przez nie elektryczność nic nie kosztuje (poza kosztem zbudowania lub zakupu samego tego urządzenia). Do swego działania nie potrzbuje ono też żadnego paliwa czy innej przemysłowo wytwarzanej formy energii. Zjawiskiem fizykalnym jakie owo telekinetyczne ogniwo wykorzystuje w swoim działaniu do generowania elektryczności, jest technicznie wyzwalana odwrotność tarcia, zwana "efektem telekinetycznym". W sposób bowiem odwrotny jak tarcie spontanicznie konsumuje ruch a generuje ciepło, ów efekt telekinetyczny spontanicznie konsumuje ciepło a generuje ruch. W ogniwie telekinetycznym ruch wytwarzany przez ów efekt telekinetyczny jest ruchem elektronów w obrębie przewodnika, czyli faktycznie przepływem prądu elektrycznego generowanego przez owo ogniwo.
       W niektórych moich opracowaniach ogniwo telekinetyczne nazywam również "baterią telekinetyczną". Powodem równorzędnego używania tych dwóch nazw w moich opracowaniach jest, że w ludzkiej terminologii nazwy "ogniwo" oraz "bateria" są niemal synonimami.
       "Ogniwo telekinetyczne" (czasami zwane także "baterią telekinetyczną") zostało wynalezione przeze mnie teoretycznie w drugiej połowie 1989 roku. Jego zasada działania wyłoniła mi się sama z analiz metod i następstw technicznego wywoływania zjawiska zwanego "efektem telekinetycznym", które to zjawisko intensywnie wówczas rozpracowywałem. Opis sposobu wynalezienia owego ogniwa zawarty jest w punktach #40 i #41 z podrozdziału W4 w tomie 18 mojej najnowszej monografii [1/5]. Teoretyczne wynalezienie telekinetycznego ogniwa stało się możliwe dzięki teorii naukowej nad której rozwojem wówczas pracowałem. Teoria ta nosi nazwę Konceptu Dipolarnej Grawitacji. Jednym ze zjawisk natury które teoria ta dokładnie wyjaśnia jest właśnie zjawisko telekinezy. Z kolei ów technicznie wyzwalany "efekt telekinetyczny" jest siłą motoryczną każdego ruchu telekinetycznego. Ponieważ Koncept Dipolarnej Grawitacji wskazał mi teoretycznie jak w sposób techniczny wyzwalać ów efekt telekinetyczny, jednocześnie wskazał mi więc również jak budować ogniwa telekinetyczne. Pierwsze opisy ogniw telekinetycznych mojego wynalazku zostały opublikowane w 1990 roku. Zaprezentowałem je wówczas w pierwszym wydaniu swojej monografii [6]. W chwili obecnej najpełniejsze opisy tych ogniw zaprezentowane są w podrozdziałach LA2.4 do LA2.4.3 z tomu 10 monografii [1/5]. Rekomenduję czytelnikowi rzucenie na nie okiem. Prezentują one wszakże szczegółowe wyjaśnienia zasad i opisów które na niniejszej stronie mogły być jedynie skrótowo streszczone.
       Ciekawostką ogniwa telekinetycznego jest, że faktycznie jest ono produktem badań jakie daje się nazwać "prześladowaną nauką". Znaczy badań jakie prowadzone były na przekór że każdy ich aspekt był potępiany przez innych naukowców i dlatego musiał być prowadzony "w podziemiu". Faktycznie też wszystko co dotyczy telekinezy, efektu telekinetycznego, oraz ogniwa telekinetycznego, wypracowane zostało w moim czasie wolnym, na mój prywatny koszt, oraz zupełnie w oderwaniu od mojej oficjalnych obowiązków na uczelni. Wyglądało to tak jakby los faktycznie chciał aby przez wynalazek ogniwa telekinetycznego zaakcentowane zostało ludziom, że coś jest nie tak jak powinno z traktowaniem wynalazców i odkrywców na Ziemi. Przykładowo, wszelkie najważniejsze odkrycia i ustalenia dotyczące ogniwa telekinetycznego dokonane zostały w okresach mojego życia kiedy byłem bezrobotnym. Mianowicie w latach 1990 do 1992 (tj. w okresie najbardziej przygnębiającego w moim życiu bezrobocia które zmusiło mnie nawet do opuszczenia Nowej Zelandii w poszukiwaniu chleba) wypracowałem wszelkie szczegóły zasad działania, konstrukcji, oraz podstawowych podzespołów ogniwa telekinetycznego. (Znaczy generalny pomysł ogniwa telekinetycznego jaki wypracowałem wcześniej, został wówczas przeze mnie przetransformowany w szczegółowy projekt budowy i działania tego urządzenia.) Natomiast w 2006 roku (tj. w rok po rozpoczęciu kolejnego długiego okresu bezrobocia, które zapewne ponownie zmusi mnie do opuszczenia Nowej Zelandii w poszukiwaniu chleba), wypracowałem konstrukcję i działanie dalszych dwóch wersji przeciwsobników, czyli przeciwsobników odmiennych niż "tuba" - której konstrukcję i działanie znałem już znacznie wcześniej. W 2006 roku dokonałem też ogromnie ważnego odkrycia - mianowicie że tzw. "radio kryształkowe" faktycznie zawierało w sobie telekinetyczne ogniwo wbudowane w jego obwody. Zaiste, los ma swoje sposoby na skuteczne otwieranie naszych oczu.
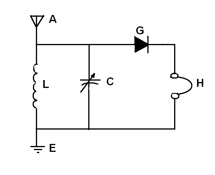
       Aczkolwiek mi osobiście nigdy nie dana była szansa abym zbudował wynalezione przez siebie "ogniwo telekinetyczne", ciągle jego zasada działania sprawdzona została w faktycznym życiu. W jakiś czas bowiem po tym jak teoretycznie wynalazłem swoje "ogniwo telekinetyczne", tj. w owych latach 1990 do 1992, dokonywałem analiz konstrukcji i działania już istniejących na Ziemi prototypów tzw. urządzeń darmowej energii. Jak wówczas się okazało, ogniwo telekinetyczne jest podstawowym podzespołem aż kilku prototypów owych już działających na Ziemi "urządzeń darmowej energii". Dwa z owych urządzeń darmowej energii, które zawierają w sobie ogniwo telekinetyczne jako jeden ze swoich podzespołów, opisane zostały nawet, lub zilustrowane, na pokrewnej stronie internetowej o darmowej energii, dostępnej stąd poprzez "Menu 1", "Menu 2", oraz "Menu 4". Mianowicie, są to: (1) "telekinetyczna influenzmaschine" opisana tam w "części #D", oraz zilustrowana tam na "Fot. #B1" i "Fot. #D1"; a także (2) "piramida telepatyczna" zilustrowana tam na "Fot. #C1" do "Fot. #C4", jednak dokładniej opisana w odrębnym traktacie [7/2] oraz w podrozdziałach K2 do K2.7 z tomu 9 monografii [1/5]. Ponadto, moje analizy udokumentowane w punkcie #G1 tej strony dowodzą, że prymitywna wersja właśnie takiego ogniwa telekinetycznego była wbudowana w podzespoły tzw. "radia kryształkowego" produkowanego fabrycznie na początku XX-wieku. Dla uświadomienia sobie faktu owego wbudowania - porównaj schemat radia kryształkowego z rysunku "Fot. #H1" poniżej, ze schematem ogniwa telekinetycznego pokazanym na "Fot. #C1". To właśnie z powodu zawierania w sobie takiej baterii telekinetycznej, owe radia kryształkowe działały doskonale bez użycia jakiegokolwiek zewnętrznego zasilania w energię. Wprawdzie jakaś mroczna siła (zapewne ta opisana w punkcie #M3 tej strony) upowszechniła wśród ludzi zupełnie błędne wierzenie, że radia kryształkowe nie wymagały zasilania bowiem pobierały swoją energię z anteny. Jednak w rzeczywistości nikt nigdy nie sporządził bilansu energii dla takiego radia. Nikt więc naukowo nie udowodnił, że energia zasilająca pracę owego radia naprawdę pochodziła z anteny. Nikomu też nie udało się zbudować żadnego innego radia które miałoby podobną antenę i również działałoby bez zasilania w energię. Gdyby zaś energia naprawdę dawała się zaabsorbować z anteny, wówczas niemal każdy rodzaj radia powinien być w stanie tego dokonać. Fakt więc, że istnieją na Ziemi prototypy działających urządzeń w których jedną ze składowych jest właśnie ogniwo telekinetyczne, w połączeniu z istnieniem rozlicznych przesłanek teoretycznych na poprawność tego wynalazku (wyjaśnionych w punkcie #I1 tej strony), dowodzi iż opisywana na tej stronie zasada działania i ogólna budowa ogniwa telekinetycznego jest realna, wykonalna, oraz że po jej zbudowaniu rzeczywiście będzie ono działało tak jak tutaj to opisano.

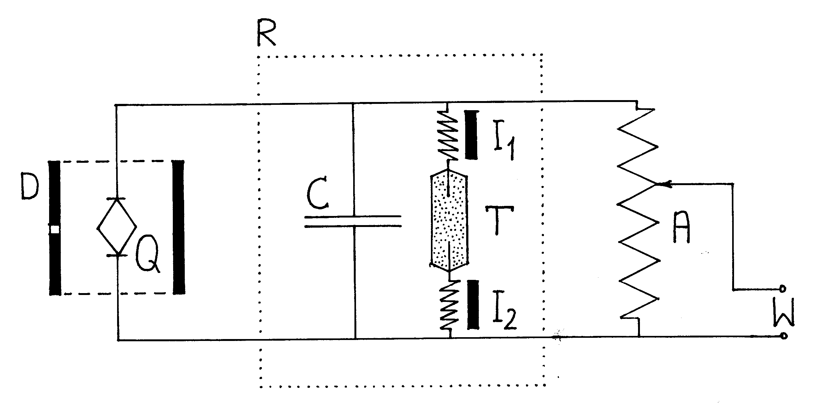
Fot. #C1 (tj. LA7 z [1/5])

Fot. #C1 (LA7 z [1/5]): Schemat ideowy ilustrujący budowę oraz podstawowe podzespoły ogniwa telekinetycznego. (Kliknij na niego aby zobaczyć go w powiększeniu lub aby przesunąć go w inne miejsce ekranu.)
       Powyższa ilustracja stanowi rysunek LA7 z tomu 10 monografii [1/5]. Prezentuje ona schemat ideowy telekinetycznego ogniwa. Na ogniwo to składają się następujące podzespoły: (I1) oraz (I2) - dwa telekinetyczne induktorki które generują elektryczność, (Q) - pulser, (R) - rezonator, (C) - kondensator, (T) - przeciwsobnik, (A) - autotransformator, (W) - kolektor wyjściowy z którego użytkownik pobiera prąd generowany przez to ogniwo. Każdy z owych podzespołów, a także zasada działania całej baterii telekinetycznej, omówione zostały w treści niniejszej strony internetowej.
       Telekinetyczne ogniwo o ogólnej budowie pokazanej powyżej może zostać wbudowane w obwody dowolnego urządzenia elektrycznego lub elektronicznego jakie ma ono zasilać w energię elektryczną. Jak dokonano takiego jego wbudowania w obwody tzw. "radia kryształkowego", ilustruje to "Fot. #H1" poniżej, zaś wyjaśniają to opisy z punktów #G1 oraz #H2 tej strony. Jak z kolei wbudowania tego dokonano w obwody tzw. "piramidy telepatycznej" oraz "telekinetycznej influenzmaschine" - które również zasilane są w energię elektryczną takim właśnie ogniwem, wyjaśnione to zostało na odrębnej stronie o urządzeniach darmowej energii.
* * *
Zauważ że daje się zobaczyć powiększenie każdej fotografii z niniejszej strony internetowej. W tym celu wystarczy zwykle kliknąć na tą fotografie. Ponadto, większość tzw. browserów które obecnie są w użyciu, włączając w to popularny "Internet Explorer", pozwala na załadowanie każdej ilustracji do swojego własnego komputera, gdzie można jej się do woli przyglądać, gdzie daje się ją zredukować lub powiększyć, a także gdzie ją można wydrukować za pomocą posiadanego przez siebie software graficznego.


Część #D: Fundamenty teoretyczne działania "ogniwa telekinetycznego":

      

#D1. Jak teoria naukowa nazywana "Konceptem Dipolarnej Grawitacji" wyjaśnia telekinezę, efekt telekinetyczny, oraz działanie "ogniwa telekinetycznego":

       W 1985 roku dostąpiłem zaszczytu opracowania dosyć niezwykłej teorii naukowej nazywanej "Konceptem Dipolarnej Grawitacji". Aczkolwiek zamiast zostania zaakceptowaną i rozważaną przez oficjalną naukę ziemską, jak dotyczas teoria ta głównie jest krytykowana i atakowana przez wiele "szarych osobistości" działających z ukrycia, faktycznie w prawdziwym życiu okazuje się ona ogromnie użyteczna. Przykładowo, wyjaśnia ona dokładnie jak działa telekineza, jak wyzwalać telekinezę w sposób techniczny, a także czym dokładnie jest ów efekt telekinetyczny jaki umożliwia nam budowanie ogniw telekinetycznych.
       Fundamentalnym odkryciem naukowym na jakim owa teoria zwana Konceptem Dipolarnej Grawitacji została oparta, było ustalenie że pole grawitacyjne faktycznie wykazuje sobą posiadanie wszystkich cech tzw. "dynamicznego pola dipolarnego". Znaczy, początek owej teorii wywodzi się z odkrycia, że pole grawitacyjne wcale nie jest polem monopolarnym do jakiego zaliczała go dotychczasowa nauka, a jest właśnie polem dipolarnym. Z kolei ów zdawałoby się niewielki błąd dotychczasowej nauki w zakwalifikowaniu pola grawitacyjnego do niewłaściwej kategorii, wprowadza ogromne następstwa do naszego zrozumienia działania wszechświata. Jeśli bowiem grawitacja ma charakter dipolarny, czyli jeśli posiada ona dwa bieguny "In" (tj. "Wlot") oraz "Out" (tj. "Wylot") - podobnie jak pole magnetyczne posiada dwa bieguny "N" i "S", wówczas ten biegun "In" grawitacji jaki widzimy wokół siebie, jest tylko jednym z biegunów tego pola. Drugi biegun "Out" grawitacji musi więc gdzieś się przed nami ukrywać. Ponieważ grawitacja ma charakter koncentryczny, praktycznie to oznacza, że drugi biegun "Out" dipolarnej grawitacji musi wnikać do innego świata i tam wyłaniać się w sposób niedostrzegalny dla naszych zmysłów fizycznych. Pierwszym i najważniejszym więc następstwem dipolarnej grawitacji jest, że zgodnie z nią wszechświat musi się składać aż z dwóch równoległych światów, tj. "naszego świata" w którym my żyjemy, oraz równoległego do niego "przeciw-świata" do którego nasze zmysły fizyczne nie mają dostępu. Jak też można wykazać, wymóg obustronnego balansowania sił grawitacyjnych, powoduje jeszcze jedno szokujące dla nas następstwo. Mianowicie, w takiej dipolarnej grawitacji każdy obiekt uformowany z materii jaki istnieje w naszym świecie, w owym przeciw-świecie musi posiadać swój duplikat wykonany z "przeciw-materii". Wyrażając to innymi słowami, zgodnie z Konceptem Dipolarnej Grawitacji każdy z nas ludzi żyjący w naszym świecie musi posiadać swego "ducha" żyjącego w przeciw-świecie. "Ducha" takiego, czyli swój przeciw-materialny duplikat, zgodnie z tym konceptem posiadają także wszelkie inne obiekty, a więc drzewa, skały, samochody, komputery, itp.
       Ów Koncept Dipolarnej Grawitacji stwierdza także, że owego "ducha" dowolnego obiektu można też pochwycić i przemieścić w inne miejsce. Ponieważ jednak jest on związany siłami grawitacyjnymi z danym obiektem instniejącym w naszym świecie, jeśli "ducha" tego przemieścimy w przeciw-świecie, wówczas jego obiekt zostanie pociągnięty i przemieszczony także i w naszym świecie. Taki sposób przemieszczania obiektów, w którym łapie się i przemieszcza "ducha" owych obiektów, podczas gdy same te obiekty są ciągnięte za swymi "duchami" przez siły grawitacyjne, znany jest na Ziemi pod nazwą "telekineza". Koncept Dipolarnej Grawitacji wyjaśnia również, że telekinezę daje się wyzwalać technicznie. Owa techniczna wersja telekinezy wyzwalana jest kiedy "ducha" danego obiektu "owinie" się w linie sił pola magnetycznego, a następnie owe linie sił się przyspieszy.
       Wskazania Konceptu Dipolarnej Grawitacji informujące nas jak technicznie wyzwalać "efekt telekinetyczny" mają też tą zaletę, że dokładnie definiują one czym właściwie jest ów efekt. Przytoczmy więc teraz ową definicję, zaczerpniętą z podrozdziału H6.1.2 tomu 4 monografii [1/5]. Oto ona:
       "Efekt telekinetyczny jest to zjawisko pośredniej manipulacji materialną formą danego obiektu poprzez oddziaływanie na przeciw-materialny duplikat tego obiektu". Efekt telekinetyczny jest więc m.in. źródłem ruchu telekinetycznego, podobnie jak siła fizyczna jest źródłem ruchu fizycznego. Istnieją jednak istotne różnice pomiędzy siłą fizyczną i efektem telekinetycznym. (Te różnice są powodem dla którego, w wyjaśnieniach jakie nastąpią, unikam używania nazwy "telekinetyczna siła" w odniesieniu do wytwarzającego ruch produktu efektu telekinetycznego. Raczej nazywam go z użyciem zwrotu "napór telekinetyczny".) Najważniejsza z tych różnic polega na tym, że (1) efekt telekinetyczny NIE oddaje reakcji siłowej skierowanej na swego wyzwoliciela (sprawcę). (Jak wiemy, dla siły fizycznej każda akcja musi wytworzyć odpowiadającą jej reakcję, jaka zostaje zwrócona i wywarta na obiekt który powoduje tą akcję.) Praktycznie powyższe oznacza, że wzrost wydajności urządzenia wyzwalającego efekt telekinetyczny nie powoduje zwiększania konsumpcji energii przez dane urządzenie. Ponadto, trzymanie takich urządzeń telekinetycznych wcale nie wymaga zwiększenia siły podnoszącej, kiedy urządzenia te zwiększają wagę ciężarów jakie one sobą podnoszą. To zaś sugeruje, że urządzenie jakie wyzwala ów efekt może również być zawieszone w próżni. Wszakże brak sił reakcji pozwala aby utrzymywało się ono bez zmiany pozycji, bez względu na skalę działań na innych obiektach jakie ono wykonuje. Dla przykładu, kieszonkowy dźwig telekinetyczny podnoszący dowolny obiekt, np. budynek lub ogromny kamień, może być utrzymywany w ręku dziecka bez żadnego wysiłku. Nawet więcej, powyższe implikuje, że za pośrednictwem efektu telekinetycznego można uzyskać rezultaty niemożliwe do osiągnięcia przy ruchach fizycznych. Ich przykładem może być dany obiekt podnoszący sam siebie na określoną wysokość. Jak wiadomo, przy ruchach fizycznych jest to całkowicie niemożliwe. Stąd bierze się anegdotyczne powiedzenie o "kimś podnoszącym siebie samego za włosy". Przykładem telekinetycznego samo-wznoszenia się jest "lewitacja", czyli samo-podnoszenie się osób. Inną zasadniczą różnicą pomiędzy efektem telekinetycznym i siłą fizyczną jest, że (2) Zasada Zachowania Energii wypełniana jest w efekcie telekinetycznym przez manipulowane nim obiekty na drodze samoczynnego absorbowania przez nie energii otoczenia. To zaś oznacza, że energii wymaganej dla dokonania ruchu telekinetycznego dostarczać zawsze muszą odbiorcy, a nie dawcy, tego ruchu. Dlatego wykonanie pracy telekinetycznej nie wymaga dostarczenia jakiejkolwiek energii zewnętrznej. Stąd wypełnianie Zasady Zachowania Energii przez odbiorców (nie zaś przez dawców) ruchu telekinetycznego zachodzi poprzez ochładzanie otoczenia danych obiektów podczas odbywania przez nie przemieszczeń telekinetycznych. To z kolei związane jest m.in. z raptownym chłodzeniem otoczenia obiektów przemieszczanych telekinetycznie, z emitowaniem przez nie szczególnego rodzaju świecenia nazywanego "jarzeniem pochłaniania", itp.
       Znajomość efektu telekinetycznego oraz zasad jego wyzwalania pozwala nam wypracować działanie "ogniwa telekinetycznego". Oto więc skrótowy opis tego działania. Każde takie ogniwo działa ponieważ jego pulser (Q) wysyła do niego jednostajny strumień impulsów elektrycznych. Każdy z owych impulsów jest poddawany wzmocnieniu w dodatkową energię przez induktorki telekinetyczne (I1) i (I2). Stąd moc elektryczna każdego impulsu staje się wyższa na wyjściu z owych induktorków, niż była ona na wejściu do nich. Wszystko więc co jeszcze jest konieczne, to gromadzić owe małe zwiększenia energii każdego impulsu (znaczy dodawać je razem ze sobą), oraz przekazać je po zesumowaniu do zewnętrznego odbiorcy. Tego dodawania razem dokonuje rezonator (R) który dostarcza także impulsy do gniazdka wyjściowego (W). Rozenator ten jest po prostu obwodem drgającym. Wiadomo zaś, że wszelkie obwody drgające gromadzą w sobie (sumują) małe porcje energii jakie są im dodawane w poszczególnych impulsach. Ponieważ współpraca pomiędzy rezonatorem (R) i pulserem (Q) może być wstrzymywana przez tzw. "punkty martwe" jakie występują we wszelkich systemach oscylujących, ogniwo to używa jeszcze jeden podzespół nazywany przeciwsobnikiem (T), ktory eliminuje owe "punkty martwe". Usuwa on punkty martwe, synchronizuje nawzajem oscylacje w rezonatorze (R) z oscylacjami w pulserze (Q), oraz pozwala owemu urządzeniu aby zainicjowało swoje oscylacje kiedykolwiek tylko bateria telekinetyczna zostaje włączona do działania.


Część #E: Podzespoły "ogniwa telekinetycznego" i ich zasady działania:

      

#E1. Podstawowe podzespoły "telekinetycznego ogniwa" oraz ich przeznaczenie:

       Powodem że ogniwo telekinetyczne jest w stanie zadziałać jako całość, jest iż każdy z jego podzespołów składowych harmonicznie dodaje swój wkład do tego działania. Znaczy każdy z tych zespołów wypełnia nałożoną na niego funkcję, jaka razem z funkcjami pozostałych zespołów formuje sobą zasadę działania całego tego ogniwa. Opiszmy więc poniżej każdy z tych podzespołów składowych, oraz wyjaśnijmy sobie jakie zadanie on wypełnia w działaniu całej baterii:


#E1.1. Induktorki telekinetyczne "I1" i "I2" - czyli podzespoły które telekinetycznie generują elektryczność:

       Najważniejszym podzespołem każdego ogniwa telekinetycznego są dwa induktorki oznaczane (I1) i (I2) na wszystkich rysunkach w moich publikacjach - włączając w to także niniejszą stronę internetową, a także odrębną stronę o urządzeniach darmowej energii. Induktorki owe są właśnie tymi podzespołami, w których telekinetyczne generowanie elektryczności się odbywa. Oba owe induktorki składają się z magnesu stałego na jakim nawinięte zostały zwoje przewodnika. Aby generować darmową elektryczność w obu połówkach sinusoidalnego cyklu zmian prądu, aż dwa takie induktorki są konieczne, w każdym z których zwoje zostały nawinięte w odwrotnym kierunku w odniesieniu do polaryzacji magnetycznej ich magnesu stałego.
       Zasada generowania darmowej elektryczności w owych induktorkach jest bardzo prosta. Mianowicie pole magnetyczne magnesów stałych na jakich owe induktorki zostały nawinięte zmienia kształt (normalnie) sinusoidalnych krzywych zgodnie z którymi przebiegają impulsy elektryczne jakie przepływają przez te induktorki. Wynikiem tej zmiany ich kształtu jest, że zamiast normalnie sinusoidalnego przebiegu zmian przepływającego pradu, prąd ten zaczyna przebiegać zgodnie z kształtem krzywej jaka przyspiesza i opóźnia elektrony. Z kolei owe przyspieszenia i opóźnienia elektronów powodują wyzwalanie efektu telekinetycznego (znaczy wyzwalanie "odwrotności tarcia") który to efekt zaczyna działać na przepływające elektrony. Ów efekt telekinetyczny spontanicznie zamienia ciepło zawarte w otoczeniu owych induktorków na bardziej energiczny przepływ elektronów w obrębie ich przewodników. Jako wynik, takie induktorki dodają małe porcje energii do każdego impulsu elektrycznego jaki przez nie przepływa. Jednocześnie absorbuja one energię termiczną zawartą w ich otoczeniu. (Znaczy, kiedy dodają one energii do impulsów prądu jaki przepływa przez nie, jednocześnie ochładzają one swoje otoczenie.) W ten sposób Zasada Zachowania Energii jest spełniona, podczas gdy darmowa elektryczność ciągle jest generowana.


#E1.2. Pulser "Q" - czyli podzespół który generuje drgania wymuszające i synchronizujące działanie całego ogniwa:

       Induktorki opisane powyżej nie generują własnej elektryczności. Jedynie dodają one dodatkowej energii do słabych impulsów elektrycznych jakie przez nie przepływają, jednak jakie pochodzą z innych źródeł. Dlatego, aby induktorki te nieustannie pobudzać do działania, wymagane jest zaopatrywanie ich w nieprzerwany ciąg impulsów elektrycznych. Z tego powodu, kolejnym istotnym podzepołem każdej baterii telekinetycznej jest tzw. "pulser" (Q). Pulser taki to po prostu dowolny podzespół (lub urządzenie), jaki dostarcza induktorkom (I1) i (I2) wymaganego przez nie jednorodnego ciągu impulsów elektrycznych.
       W "telekinetycznej influenzmaschine" pokazanej na rysunku "Fot. #B1" oraz opisanej w "części #D" strony internetowej free_energy_pl.htm - o urządzeniach darmowej energii, a także pokazanej na rysunku LA4 w monografii [1/5], takim "pulserem" jest specjalna elektroda oznaczona (ho), jaka zawieszona jest tuż nad wirującym dyskiem tej maszyny oraz naprzeciwko magnesu stałego, a stąd jaka gromadzi z tego wirującego dysku jednorodny ciąg impulsów elektrycznych. Z kolei w "telekinetycznym ogniwie" pokazanym tam na rysunku "Fot. #C1" (tj. na rys. K1 z [1/5]), takim pulserem jest zwykły kryształ kwarcowy (Q) który wprowadzony zostaje w jednostajne wibracje przez wiązkę fal telepatycznych jakie są na nim koncentrowane przez pudło rezonansowe piramidy która kryształ ten otacza.
       Pulser faktycznie wypełnia aż kilka funkcji w ogniwie telekinetycznym. Najważniejsza z tych funkcji to właśnie owo wymuszanie przepływu impulsów przez oba induktorki (I1) i (I2). To z kolei powoduje telekinetyczne generowanie w nich elektryczności. Kolejną jego funkcją jest sterowanie częstotliwością prądu generowanego przez dane ogniwo. Częstotliwość ta będzie bowiem dokładnie równa częstotliwości sygnałów wysyłanych przez pulser.


#E1.3. Rezonator "R" - czyli obwód drgający który wiąże i sumuje ze sobą energię generowaną przez to ogniwo:

       Induktorki ogniwa telekinetycznego pracują poprzez niewielkie zwiększanie zasobu energii elektrycznej, która zakumulowana jest w każdym pojedynczym pulsie prądu elektrycznego jaki przez nie przepływa. Jednak owe niewielkie przyrosty energii muszą potem być przez coś dodane do siebie, tak aby pomału budować z nich wydatek z całego telekinetycznego ogniwa. Owo dynamiczne dodawanie do siebie małych impulsów mocy elektrycznej jest dokonywane przez podzespół nazywany "rezonatorem" oraz oznaczony (R) na rysunku "Fot. #C1" powyżej. Ów rezonator to po prostu elektroniczny obwód oscylacyjny. Działa on w ogniwie telekinetycznym w sposób podobny jak działa huśtawka z siedzącym na niej dzieckiem, która do energii już związanej z masą tego dziecka stopniowo dodaje pojedyńcze porcje energii jakie rodzic powtarzalnie dostacza poprzez nieustanne popychanie tego dziecka w trakcie jego hustania się.
       Jeśli rezonator (R) skonstruowany jest w taki sposób, że jego oscylacje elektryczne w obu kierunkach przepływają przez oba induktorki telekinetyczne (I1) oraz (I2), wówczas narastanie w nim energii ma charakter lawinowy. Powodem tego jest fakt, że przyrost energii elektrycznej dodatkowo generowanej przez te induktorki, jest zawsze proporcjonalny do mocy elektrycznej jaka już przepływa przez owe induktorki. Dlatego jeśli induktorki (I1) i (I2) są częścią rezonatora (R), wówczas rezonator ten nie tylko sumuje ze sobą telekinetyczne przyrosty energii, ale dodatkowo wzmacnia on wielkość tych przyrostów energii w sposób lawinowy.


#E1.4. Przeciwsobnik "T" - czyli podzespół który pozwala ogniwu zastartować nawet z punktu martwego, który synchronizuje oscylacje wszystkich podzespołów ogniwa, który nadaje ogniwu wymaganą liczbę stopni swobody, itp.:

       "Przeciwsobnik" albo "reciprocator" na rysunkach z tej strony internetowej oraz na rysunkach z monografii [1/5] oznaczany jest literą (T). Jest on następnym istotnym podzespołem baterii telekinetycznej. Przeciwsobnik ten wypełnia w ogniwie aż cały szereg dosyć złożonych funkcji. Faktycznie to bez niego ogniwo owo nie jest w stanie zadziałać. Wyczerpujące omówienie wszystkich funkcji tego podzepołu zawarte zostało w podrozdziałach LA2.3 i K2.2 z tomów odpowiednio 10 i 9 monografii [1/5].
       Najłatwiej zrozumieć do czego służy ów przeciwsobnik na przykładzie sposobu na jaki rozwiązany on został w starych lokomotywach parowych. Jak każdemu zapewne wiadomo, stare lokomotywy parowe napędzane były tłokiem jaki wykonywał ruch posuwisto-zwrotny we wnętrzu cylindra. W sensie więc źródła ruchu, lokomotywy parowe napędzane były systemem jaki również generował ruch oscylujący - znaczy ruch identyczny do tego jaki jest źródłem elektryczności w baterii telekinetycznej. Jednak w każdym systemie który wytwarza ruch oscylujący, zawsze występują dwa punkty skrajne w jakich następuje zmiana kierunku tego ruchu. Punkty te nazywane są "punktami martwymi". Dla przykładu, w owych dawnych silnikach parowych te dwa punkty leżą w miejscach w których tłoki zakańczają swój ruch w jednym kierunku, oraz zaczynają ruch w odwrotnym kierunku. Powodem dla jakiego owe dwa punkty nazywane są "punktami martwymi" jest, że jeśli przykładowo tłok lokomotywy zatrzyma się w którymś z owych punktów, wówczas już nie daje się go ponownie uruchomić poprzez wpuszczenie pary do danego cylindra. Praktycznie to oznacza, że gdyby np. jakaś lokomotywa mająca tylko jeden cylinder i jeden tłok tak pechowo zatrzymała się na stacji, że jej tłok znalazłby się w jednym z owych dwóch punktów martwych, wówczas nie dałoby się nią już ruszyć przez tak długo, aż wszyscy pasażerowie powysiadaliby z pociągu i ją ręcznie przepchnęli tak że jej tłok znalazłby się już poza owym punktem martwym. Aby więc uniemożliwić takie stanięcie lokomotyw parowych z ich tłoczyskiem zatrzymanym w owym punkcie martwym, dawni inżynierowie zaczęli zaopatrywać każdą lokomotywę w dwa tłoki pracujące w dwóch odrębnych cylindrach. Każdy z tych tłoków umieszczany był po przeciwstawnej stronie lokomotywy. Z kolei oba z owych tłoków sprzęgane były korbowodami z parą zespojonych ze sobą kół napędowych lokomotywy. Owo ich sprzęgnięcie było jednak dokonywane z przesunięciem fazowym wynoszącym 90 stopni. Znaczy, kiedy jeden z tych tłoków znajdował się w swoim punkcie martwym, wówczas drugi z tłoków sprzężonych z tą samą parą kół lokomotywy znajdował się właśnie w połowie swego ruchu posuwistego. Takie więc umiejętne sprzężenie owych tłoków konstytuowało "przeciwsobnik" dla lokomotywy parowej. Przeciwsobnik ów wypełniał w lokomotywie parowej aż cały szereg funkcji, wiele z których w innych napędach musiało być wypełniane przez odrębne urządzenia. Przykładowo synchronizował on ze sobą cykle obu tłoków lokomotywy, oraz nadawał im wzajemne przesunięcie fazowe wynoszące 90 stopni. Dzięki temu umożliwiał on lokomotywie ruszenie z każdego miejsca w jakim się zatrzymała. Dodatkowo, dostarczał on tłokom inercji w ich ruchu. Dzięki temu pozwalał on lokomotywom na równomierną pracę pozbawioną szarpnięć. Podobne funkcje wypełnia też przeciwsobnik w ogniwie telekinetycznym. Tyle, że zamiast inicjowania, synchronizowania i podtrzymywania oscylacji mechanicznych, inicjuje on tam, synchrnizuje, wyrównuje, oraz podtrzymuje oscylacje elektryczne.
       Gdyby więc spróbować podsumować tutaj w wielkim skrócie najważniejsze funkcje przeciwsobnika w ogniwie telekinetycznym, to są one bardzo podobne do funkcji owych dwóch tłoków podłączonych do dwóch zespolonych ze sobą kół napędowych z tamtych starych lokomotyw parowych, lub wału korbowego i zespolonych z tym wałem tloków z nowoczesnych silników samochodowych. (Pechowo, niewielu ludzi wie to co wyjaśniłem powyżej, tj. że stare lokomotywy parowe, aby móc ruszyć z miejsca wraz z ciężkimi wagonami, musiały mieć co najmniej dwa tłoki, które były sprzężone ze sobą poprzez parę zespolonych ze sobą kół napędowych - tak aby działały ze wzajemnym przesunięciem fazowym 90 stopni w ich cyklach działania.) Mianowicie, ów przeciwsobnik synchronizuje pozostałe podzespoły oraz zapobiega powstawaniu elektrycznych punktów martwych we wzajemnym współdziałaniu poszczególnych podzespołów danej baterii telekinetycznej. Wszakże, jak czytelnik zapewne wie to doskonale, każdy system oscylujacy posiada owe dwa punkty w swoim ruchu, jakie nazywane są właśnie "punktami martwymi". W silnikach owe dwa punkty leżą w miejscach w których tłoki zakańczają swój ruch w jednym kierunku, oraz zaczynają ruch w odwrotnym kierunku. Natomiast w elektronicznych systemach oscylujących punkty te leżą w miejscach nawrotu ich sinusoid prądowych. Kiedy mamy więc sytuację, jak ta w baterii telekinetycznej, że kilka odrębnych systemów oscylujących współpracuje nawzajem ze sobą, owe punkty martwe uniemożliwiają współpracę - jeśli nie zostaną nawzajem uszeregowane za pomocą odpowiedniego przesunięcia fazowego. W ogniwie telekinetycznym owego wymaganego przesunięcia fazowego dostarcza właśnie "przeciwsobnik". Faktycznie też, bez takiego przeciwsobnika, bateria telekinetyczna nie byłaby w stanie np. ani ruszyć z miejsca, ani kontynuować poprawnej pracy. Ponieważ działanie przeciwsobników (T) jest dosyć złożone, oraz obejmuje sobą nieco więcej funkcji i wymogów niż jestem to w stanie wyjaśnić na krótkiej stronie internetowej, zalecałbym poczytać o nich dodatkowo z podrozdziałów K2.2 i LA2.3 monografii [1/5], gdzie zostały one opisane dosyć wyczerpująco oraz ze wszelkimi wymaganymi szczegółami.
       Jak każdy podzespół oraz urządzenie techniczne, również przeciwsobnik może zostać zbudowany w jednej z kilku możliwych jego odmian i rozwiązań technicznych i konstrukcyjnych. Najważniejsze z tych odmian to (1) "kluster kryształków galeny" - typu używanego kiedyś w tzw. "radioodbiornikach kryształkowych", (2) "tandem kryształów kwarcowych", oraz (3) "tuba" zawierająca kryształy soli kuchennej wymieszane z rtęcią. Budowę i wykonanie każdej z tych odmian opisano poniżej w punkcie #F1.4 tej strony. Dla przykładu, jeśli przeciwsobnik jest zbudowany jako "tuba" (T), wówczas zawiera w sobie objętościowo równą mieszaninę gruboziarnistej soli kuchennej oraz rtęci, utrzymywaną pod próżnią.
       Więcej informacji na temat przeznaczenia, działania oraz budowy przeciwsobnika zawarte zostało w podrozdziałach LA2.4.1 i K2.4 z tomów odpowiednio 10 i 9 monografii [1/5].


#E1.5. Autotransformator "A" - czyli podzespół który przekazuje użytkownikowi elektryczność generowaną przez to ogniwo:

       Autotransformator (A) z ogniwa telekinetycznego wypełnia aż dwie funkcje. Po pierwsze dostarcza on dodatkowej tzw. "induktancji", czyli inercji elektrycznej, do obwodu oscylacyjnego rezonatora (R). Po drugie zaś obniża on (transformuje) relatywnie wysokie napięcie jakie bateria ta generuje, do napięcia jakie użytkownik życzy sobie odbierać na wyjściu (W) z owej baterii.


Część #F: Jak zabrać się za zbudowanie "ogniwa telekinetycznego":

      

#F1. Wykonanie podstawowych podzespołów "ogniwa telekinetycznego":

       Każdy z podstawowych podzespołów ogniwa telekinetycznego daje się wykonać aż na kilka odmiennych sposobów. Na każdy też z owych sposobów wykonania poszczególnych podzespołów nałożone są odpowiednie wymagania. Omówmy więc teraz jak sporządzić każdy z owych podzespołów, a także jakie wymagania nałożone są na poszczegółne sposoby jego wykonania:


#F1.1. Induktorki telekinetyczne (I1) i (I2):

       Te powstają poprzez nawinięcie zaizolowanego przewodnika na magnesy stałe. W ogniwie telekinetycznym potrzebne są aż dwa takie induktorki. Każdy z nich musi posiadać przeciwstawnie nawinięte zwoje przewodnika w odniesieniu do polaryzacji magnesu na jakim zostały one nawinięte. Znaczy, jeden induktorek nawinięty powinien być prawoskrętnie, drugi zaś - lewoskrętnie.
       Jak to wyjaśniłem w punkcie #G1 te strony, fabrycznie produkowanym induktorkiem telekinetycznym jest każda słuchawka starego typu, która zawiera w sobie magnesik z nawiniętymi na nim uzwojeniami. Jedyny problem z użyciem pary takich słuchawek jako induktorki dla pełnosprawnego ogniwa telekinetycznego, jest że w obu takich słuchawkach uzwojenia nawinięte są w tym samym kierunku. (Tj. oba prawoskrętnie, podczas gdy każde z nich powinno być nawinięte przeciwstawnie do drugiego.)


#F1.2. Pulser (Q):

       Pulserem (Q) może być dowolne źródło pulsującego sygnału elektrycznego o określonej (i stałej) częstotliwości. Aby uświadomić czytelnikowi jakie źródła takich sygnałów mogą w tym celu zostać użyte w praktyce, dokonajmy tutaj przeglądu pulserów które już były używane, lub były zaplanowane do użycia, w jakichś konkretnych ogniwach telekinetycznych o jakich jest mi wiadomo. Oto one:
       (1) Elektrody z tarczy maszyny elektrostycznej oraz zawieszona nad nimi głowica zbierająca. Przykładowo, w ogniwie telekinetycznym zabudowanym do "telekinetycznej influenzmaschine" opisanej w "części #D" strony internetowej o urządzeniach darmowej energii, pulserem jest specjalna zbierająca głowica indukcyjna "ho" umieszczona na wprost elektrod wirującej tarczy tej maszyny.
       (2) Kryształ kwarcowy zawieszony w ognisku piramidy. Z kolei w ogniwie telekinetycznym zabudowanym do "piramidy telepatycznej" opisanej w traktacie [7/2], a także w "części #C" strony internetowej o urządzeniach darmowej energii, pulserem jest kryształ kwarcowy (Q) zawieszony w punkcie ogniskowym piramidy (D).
       (3) Tory kolejowe odizolowane od ziemi. W latach 1995 do 2000 razem z moim współpracownikiem, Evan'em Hansen'em z Utah, USA, pracowaliśmy razem nad wersją ogniwa telekinetycznego o ogromnej mocy (jakiego wydajność elektryczna miała być porównywalna do wydatku niektórych elektrowni), w którym pulserem miały być naturalne pulsacje elektryczne samoczynnie pojawiające się w torach kolejowych odizolowanych od ziemi ponieważ ułożone one były na drewnianych podkładach. Kiedy obecnie myślę o owym projekcie, wówczas uświadamiam sobie, że faktycznie to planowaliśmy zbudować nieco udoskonaloną wersję gigantycznego "radia kryształkowego" opisanego w punkcie #G1 tej strony. Tyle że dla zwiększenia jego mocy na wejściu (a stąd i na wyjściu), jako anteny chcieliśmy w nim użyć torów kolejowych leżących na drewnianych podkładach - znaczy torów odizolowanych od ziemi. (Prace nad owym ogniwem zostały jednak nagle przerwane dnia 23 czerwca 2000 roku, kiedy to mój współpracownik umarł w tajemniczych okolicznościach, prawdopodobnie będąc zamordowany - po szczegóły śmierci Evan'a Hansen'a patrz podrozdział W4 z tomu 18 monografii [1/5], zaś po szczegóły "przekleństwa wynalazców" jakie prześladuje i notorycznie uśmierca m.in. budowniczych urządzeń darmowej energii - patrz punkt #M3 niniejszej strony.)
       (4) Napowietrzna antena radiowa. Jako pulser użyta może również zostać długa napowietrzna antena radiowa. Faktycznie też, w tzw. "radiu kryształkowym" opisywanym poniżej w punktach #G1 i #F1.4, antena taka używana była właśnie w charakterze pulsera. Wszakże antena taka przechwytuje fale elektromagnetyczne o określonej długości, które za pośrednictwem przeciwsobnika kryształkowego mogą zostać zamienione w impulsy elektryczne o określonej częstości drgań własnych.
       (5) Obwody zegara kwarcowego na baterie. Jak to wyjaśniłem w punkcie #H1 tej strony, ja od dawna zabieram się za budowę opisanej tutaj baterii. Z tego powodu od dawna mam zaplanowane jak najszybciej i najefektywniej wykonać poszczególne podzespoły tej baterii. W owych moich planach, w pierwszym etapie badań w charakterze pulsera (Q) mam zamiar wykorzystać gotowe źródło pulsujących sygnałów elektrycznych, jakim jest każdy już zbudowany zegar kwarcowy na baterie. W tym celu planuję rozebrać specjalnie do tego zakupiony duży zegar kwarcowy, odsłonić jego obwody elektroniczne, a następnie podłączyć się do owych obwodów aby zbierać z nich pulsujący sygnał elektryczny. Z kolei w drugim etapie badań mam zamiar zbudować swój własny obwód kwarcowy podobny do tego istniejącego w zegarach kwarcowych, tyle że zasilanie do niego doprowadzone byłoby z tej samej baterii telekinetycznej jaką pulser ten steruje (dla zainicjowania pracy owej baterii, kwarc z owego zegara ściskałoby się ręką - podobnie jak to czyni się w celach zapłonowych z piezoelektryczną zapalniczką gazową wbudowaną w kuchenkach gazowych).


#F1.3. Rezonator (R):

       Rezonatorem (R) może być dowolny elektryczny obwód drgający, jaki konstruktor danego ogniwa telekinetycznego zdecyduje się użyć w swojej konstrukcji. Oczywiście, jak każdy elektryczny obwód drgający, na rezonator ten musi się składać jakiś kondensator (C) oraz jakiś induktor (A). W pierwszym etapie prac rozwojowych na opisywanym tu ogniwie telekinetycznym, jakie ja sam planuję zrealizować, ów rezonator (R) będę tak budował aby jego częstość własna dokładnie się pokrywała z częstością z jaką pulsuje sygnał generowany przez pulser (Q) adoptowany z zegara kwarcowego.


#F1.4. Przeciwsobnik (T):

       W sensie swojej konstrukcji, wszystkie przeciwsobniki dla ogniw telekinetycznych będą skonstruowane podobnie. Mianowicie wszystkie z nich będą składały się z dwóch elektrod, pomiędzy którymi zawarte będą jakieś kryształki wytwarzające efekt piezoelektryczny. Jednak, jak ma to miejsce w przypadku każdego urządzenia czy podzespołu technicznego wypełniającego ściśle określoną funkcję, również przeciwsobniki dla ogniw telekinetycznych dawało się będzie rozwiązać technicznie i budować aż na kilka odmiennych sposobów. Omówmy tutaj więc te z owych rozwiązań przeciwsobników, o których już jest nam wiadomo że sprawdziły się one w działaniu i z całą pewnością pracują tak jak powinny.
       (1) Kluster kryształków galeny. Prawdopodobnie jest on najprostszym do wykonania ze wszystkich możliwych rozwiązań tego podzespołu. Na dodatek, jest to rozwiązanie techniczne przeciwsobnika, które sprawdzone było już tysiące razy w działaniu. Można je także samemu przetestować w działaniu w oderwaniu od ogniwa telekinetycznego - używając go po prostu jako podzespół "radia kryształkowego". Stąd mamy o nim pewność, oraz z góry wiemy, że z całą pewnością będzie działało w naszej baterii. Uzyskanie przeciwsobnika kryształkowego sprowadza się do sztuki takiego podłączenia dwóch elektrod do klustera przewodzących kryształków wytwarzających "efekt piezoelektryczny", aby naturalny przepływ prądu przez owe kryształki formował przeciwsobnik dla wymaganej częstotliwości. Ja osobiście ani nie eksperymentowałem z takim "przeciwsobnikiem kryształkowym" w jego zastosowaniu do ogniwa telekinetycznego, ani nie napotkałem się z opisami eksperymentów innych badaczy. Jednak w czasach młodości często "bawiłem" się z tzw. radiowymi "odbiornikami kryształkowymi". Doskonale więc pamiętam działanie, użycie, oraz znaczenia klusterów kryształków "galeny" w owych pierwszych odbiornikach radiowych używanych na Ziemi i nazywanych właśnie "odbiornikami kryształkowymi". (Galena jest to kryształkowata forma "lead sulfide" - siarczek ołowiu (PbS). Jej ciekawostką jest, że formuje ona izometryczne kryształki o własnościach bardzo podobnych do kryształków soli kuchennej.) Pamiętam więc, że aby praktycznie uzyskać owo właściwe podłączenie obu elektrod do klustera kryształków galeny, tak aby konstytułowało ono działający przeciwsobnik, zwykle tylko jedna elektroda była podłączona na stałe do tego klustera. Druga zaś elektroda miała kształt cieniutkiej igiełki (po angielsku nazywanej "cat's-whisker" - co znaczy "koci wąsik"), którą probierczo dotykało się kryształy galeny w różnych miejscach - aż zadziałały one jako przeciwsobnik. Interesujące, że kiedy kryształy te w końcu zadziałały jako przeciwsobnik, zaś dzięki temu odbiornik kryształkowy przechwytywał wybraną falę radiową, wówczas owe kryształki galeny produkowały iskrzenie i jarzyły się w ciemności niemal dokładnie tak samo jak poniżej opisane jest to dla pracującego i jarzącego się przeciwsobnika w kształcie tuby z kryształami soli i rtęcią w swoim środku. Na bazie tamtych doświadczeń osobiście wierzę, że taki właśnie spory kluster kryształków "galeny" - identycznych do tych używanych w dawnych "odbiornikach kryształkowych", będzie najprostszym przeciwsobnikiem dla ogniwa telekinetycznego. Jednak dla mnie osobiście najbardziej szokujące jest odkrycie opisane poniżej w punkcie #G1 tej strony, mianowicie że całe takie stare "radia kryształkowe" faktycznie były prymitywnymi wersjami działających prototypów opisywanych tutaj ogniw telekinetycznych. Czyli w czasach swojej młodości bawiłem się z tymi ogniwami telekinetycznymi wcale z tego nie zdając sobie sprawy.
       Galena (PbS) jest jednym z najczęściej spotykanych minerałów na Ziemi. Wszakże to ona jest rudą z jakiej otrzymywany jest ołów. Nie powinniśmy więc mieć żadnych trudności z jej znalezieniem samemu. Dla zbudowania przeciwsobnika potrzeba jej też bardzo niewiele. Wystarczy nam mały kluster jej czystych kryształków. Wymiary tego klustera nie muszą przekraczać wymiarów połowy jajka wróbla. Największe jej pokłady znajdują się w okolicach wszystkich obszarów gdzie kiedyś wytwarzano, lub obecnie wytwarza się, ołów. Jest ona także obecna w obszarach gdzie pozyskiwano inne minerały z jakimi ołów współwystępuje, np. srebro, cynk, miedź, czy antymon. Niemal każdy kraj ma takie obszary. W Polsce sporo ich znajduje się na Dolnym Śląsku. Nadające się na przeciwsobniki klustery kryształków galeny można też znaleźć jako żyłki przerastające skały praktycznie niemal wszędzie gdzie niedawno ktoś skały te wyłamywał, a więc w kamieniołomach, kopalniach, jaskiniach, urwiskach skalnych, a nawet poboczach nowobudowanych dróg przebiegających w wykopach wyciętych w skałach. Galena jest też obecna wśród gruzu skalnego pozostałego po takich wyrobiskach i wyłomach kamiennych. Łatwo ją odnotować, bowiem jej kryształki świecą się metalicznie jak nowo przecięte kawałki ołowiu. Ja w młodości znajdowałem jej spore bryły wśród kamieni wysypanych pod torami kolei przebiegającej przez wieś Wszewilki. Nawyraźniej owe kamienie wyłamywane były w wyrobisku jakie zawierało pokłady galeny. (Odnotuj że w czasach mojej młodości owe kamienie pod torami we Wszewilkach ciągle były czyste. Można więc było wśród nich zauważyć klustery kryształków galeny. Obecnie kamienie te są już aż tak brudne, że galeny nie będzie wśród nich już widać.)
       (2) Tandem kryształów kwarcowych. Jest to nieco bardziej zaawansowana konstrukcja przeciwsobnika. W tandemie takim połączone ze sobą są (w połączenie typu równoległego) co najmniej dwa duże kryształy kwarcowe o ściśle określonej (oraz takiej samej dla obu z nich) częstości drgań własnych. Każdy z tych kryształków wycięty zostaje wzdłuż odmiennej osi krystalicznej. Ich częstość własna musi być częstością harmoniczną do częstości rezonatora i pulsera z danego ogniwa. Jest mi wiadomym, że takie właśnie tandemy wykonane z bardzo dużych kryształów kwarcowych, użyte zostały jako przeciwsobnik w dwóch prototypach maleńkich jednotarczowych telekinetycznych influenzmaschines zwanych "Testatica" - jakie to maszyny wspomiane są na odrębnej stronie o urządzeniach darmowej energii. Niestety, nie mam danych na temat szczegółów konstrukcyjnych ani parametrów pracy tych kryształów.
       (3) Tuba z solą i rtęcią. Jest to najbardziej zaawansowana konstrukcja przeciwsobnika. Tuba taka to po prostu zamknięta podłużna ampułka odlana ze szkła. Do obu końców tej ampułki wtopione są elektrody z jakiegoś materiału odpornego na działanie rtęci i soli, np. ze stali nierdzewnej. Wnętrze owej tuby wypełnione jest w połowie suchą solą o grubych kryształkach, w połowie zaś rtęcią. Mieszanina ta zalana jest w owej szklanej ampule po uprzednim wypompowaniu z niej powietrza do podciśnienia równego pomiędzy około 50 a 300 mTorr. Dla ogniw telekinetycznych o dużym wydatku elektrycznym, na zewnętrzną powierzchnię tej tuby nawijana może też być bocznikująca spirala z drutu oporowego. Na przeciwsobnikach tubowych o opisanej tutaj konstrukcji dokonywane już były badania i eksperymenty. Ich wyniki opisałem w podrozdziale K2.6.3 i LA2.4.1 z tomów odpowiednio 9 i 10 monografii [1/5].
       Kiedy ktoś patrzy na przeciwsobnik w formie takiej "tuby" (T) działający w dowolnym urządzeniu darmowej energii już zbudowanym na Ziemi, wówczas może łatwo go rozpoznać ponieważ jarzy się on silnie. Mianowicie darmowa energia elektryczna jaka przez niego przepływa powoduje iż wydziela on silne światło. Pierwsza fotografia na stronie internetowej o urządzeniach darmowej energii (patrz tam rysunek "Fot. #B1") pokazuje właśnie ten przeciwsobnik w formie "tuby" (T) podczas wydzielania takiego jarzenia. Z kolei bateria telekinetyczna pokazana tam na rysunku "Fot. #C3" pokazuje przeciwsobnik w stanie nie jarzącym się (patrz tam na niebieskawą "tube" (T) widoczną na podłodze piramidy telepatycznej).


#F1.5. Autotransformator (A):

       Autotransformatorem (A) w ogniwie telekinetycznym może być dowolny podzespół który zbijał będzie napięcie tego ogniwa do wielkości (W) wymaganej przez użytkownika. Faktycznie może on być, zaś w większości ogniw telekinetycznych zapewne i będzie, autotransformatorem zakupionym w sklepie i pracującym dla danego zakresu napięciowego.
       Oczywiście, zamiast autotransformatora (A) dane ogniwo używać również może obwodu tranzystorowego ("solid state") który także zbijał będzie do wymaganej wartości napięcie na wyjściu (W). Wszakże autotransformator nie jest jedynym źródłem induktancji (inercji elektrycznej) w ogniwie telekinetycznym. Jeszcze jednym źrółem owej induktacji, które w niektórych układach połączeń baterii może całkowicie wystarczać, są też induktorki (I1) oraz (I2).


Część #G: Czy istnieje już jakiś wzorzec dla zbudowania "ogniwa telekinetycznego":

      

#G1. Szok! Prymitywne ogniwa telekinetyczne były już produkowane na Ziemi ponad pół wieku temu - nazywano je wówczas "radia kryształkowe":

       Ponad połowę wieku temu, tj. w latach 1950-tych, relatywnie często bawiłem się tzw. "radiem kryształkowym". W owym bowiem czasie moi rodzice wcale nie mieli "prawdziwego" radioodbiornika. Sprawiało mi więc uciechę posłuchać z owej namiastki radia mowy i opowiadań innych ludzi odbieranych w naszej małej wioseczce Wszewilki z "dalekiego świata". Ponadto owo radio fascynowało mnie z jakiegoś powodu - kiedy teraz o tym myślę, wierzę że zapewne z uwagi na to iskrzenie się jego kryształków galeny, kiedy udało się nim "złapać" falę radiową. Bawiąc się tymi radioodbiornikami kryształkowymi wcale nie zdawałem sobie jednak sprawy, że faktycznie stanowią one prymitywne wersje ogniwa telekinetycznego. Fakt, że były one takimi telekinetycznymi ogniwami odkryłem dopiero z wielkim dla siebie zaskoczeniem podczas przygotowywania niniejszej strony. Dopiero wówczas analizowałem bowiem działanie kryształków galeny jako najprostszeego przeciwsobnika (wyniki tych analiz opisałem w punkcie #F1.4 tej strony). Ze szokiem wówczas odkryłem że kiedyś trzymałem w swoich rękach pracujący prototyp ogniwa telekinetycznego. Oczywiście, fakt że kiedyś istniały już na Ziemi w powszechnym użyciu działające prototypy ogniwa telekinetycznego powoduje, że znacznie upraszcza to i przespiesza nasze obecne prace badawczo-rozwojowe nad tym ogniwem. Wszakże pozwala ono aby w dalszym rozwoju tych urządzeń zastartować już od punktu do jakiego doprowadzili je nasi przodkowie.
       Oczywiście, ludzi którzy nie są świadomi wagi tego odkrycia, może dziwić że dopiero ponad 50 lat po tym jak bawiłem się prymitywnym prototypem ogniwa telekinetycznego, nagle zrozumiałem co właściwie w młodości trzymałem w swoich rękach. Aby bowiem to dokładnie zrozumieć, konieczne było uprzednie wypracowanie i zgromadzenie całej nowej dyscypliny wiedzy o ogniwach telekinetycznych. To właśnie owo wypracowywanie i gromadzenie zupełnie nowej dyscypliny wiedzy zajęło mi pół wieku.
       Radia kryształkowe pod każdym wzgędem są ogromnie tajemnicze. Przykładowo na stronach 204 i 205 książki [1FE] pióra pióra Gavin Weightman, "Signor Marconi's Magic Box", Harper Publications, 2003, ISBN 0-00-713005-8, zawarta jest informacja, że w 1906 roku aż dwóch nawzajem nie wiedzących o sobie wynalazców opatentowało bardzo podobne do siebie radia kryształkowe z "kocim wąsikiem". Niestety owa książka nie podaje ich nazwisk. Nazwisko jednego z tamtych wynalazców udało mi się potem ustalić samemu po dosyć długich poszukiwaniach. Był nim niejaki Greenleaf Whittier Pickard. Kim jednak był ów drugi wynalazca - tego ciągle nie wiem. Co mnie jednak w tym wszystkim najbardziej fascynuje, to że owo radio kryształkowe pojawiło się na Ziemi w bardzo podobny sposób jak tzw. piramida telepatyczna. Owa piramida telepatyczna także zjawiła się nagle w umysłach aż kilku odmiennych ludzi, co opisałem dokładniej w podrozdziale C11 oraz w rozdziale E traktatu [7/2]. Co ciekawsze, owa piramida telepatyczna także posiada ogniwo telekinetyczne wbudowane w swoje obwody. Za dużo więc jest w tym wszystkim dziwnych zbiegów okoliczności, aby były one czysto przypadkowe. Ja osobiście wierzę, że zarówno owe dwa pierwsze radia kryształkowe, jak i piramida telepatyczna, a ponadto trzy pierwsze telekinetyczne influenzmaschines, wszystkie które urządzenia posiadają ogniwo telekinetyczne wbudowane w swoje obwody, faktycznie przysłane zostały na Ziemię jako rodzaj "dostaw" pochodzących z dokładnie tego samego źródła. Ciekawe jest przy tym, że tej szatańskiej mocy opisanej w punkcie #K3 tej strony, owe dostawy NIE bardzo są na rękę. Wszakże nie bez powodu ogromnie trudno doszukać się dzisiaj na Ziemi jakichkolwiek użytecznych informacji na temat owych niezwykłych urządzeń. Gro owych informacji jakimś dziwnym zbiegiem okoliczności nie trafiło ani do książek, ani do internetu.
       Dowodem na fakt, że owe "radia kryształkowe" w rzeczywistości zawierały prymitywne ogniwa telekinetyczne wbudowane w ich obwody, świadczy aż kilka ich cech. Wyliczmy tutaj oraz opiszmy najważniejsze z nich. Oto one:
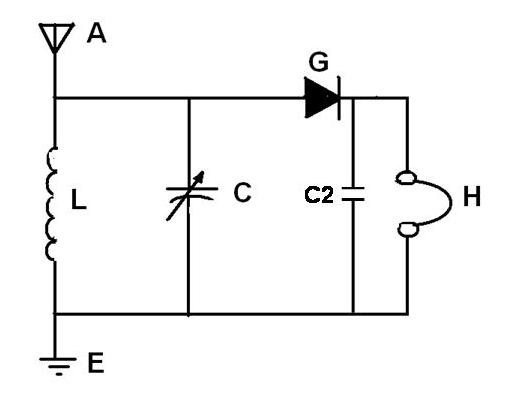
       (1) Konstrukcja (kompozycja) radia kryształkowego dokumentuje obecność najważniejszych pozespołów unikalnych dla ogniwa telekinetycznego. Pod względem swej budowy (kompozycji) radia kryształkowe były ogromnie prostymi urządzeniami. Faktycznie to składały się one z nawet mniejszej liczby podzespołów niż mają ich telekinetyczne ogniwa. Mianowicie posiadały one napowietrzną antenę (q), kluster kryształków galeny (t), oraz dwie słuchawki starego typu (i1) i (i2). Miały też kilka typowych części elektronicznych, takich jak cewki oraz spory kondensator o zmiennej pojemności. Te typowe ich części służyły jednak tylko podrafinowaniu pracy tamtych ich zasadniczych podzespołów - po szczegóły patrz punkt #H2 tej strony. Z całą pewnością jednak radia te nie miały ani baterii, ani żadnej innej formy zasilania w elektryczność. (Znaczy z całą pewnością nie miało takiego zasilania w elektryczność owo radio kryształkowe w wersji konstrukcyjnej którą ja się bawiłem. Niedawno bowiem odkryłem także, że wprowadzone były też na rynek celowo "udoskonalone" wersje radia kryształkowego, które wymagały już zasilania w elektryczność.) Na swym wejściu radia kryształkowe używały napowietrznych anten radiowych (q), które dostarczały im wejściowych impulsów radiowych o określonej częstości. Stąd ich napowietrzne anteny radiowe faktycznie stanowiły pulsery (Q) - jak te z ogniw telekinetycznych. Ich kryształki "galeny" (t) na które kierowany był następnie pulsujący sygnał przechwytywany przez anteny, faktycznie były doskonałymi, bo sprawdzonymi w działaniu, przeciwsobnikami (T) - podobnymi do tych z ogniw telekinetycznych. Chociaż były to najprostsze przeciwsobniki jakie znam, ciągle wspaniale spełniały swoje zadanie. Ich opis zawarłem w podrozdziale #F1.4 tej strony. Z owych przeciwsobników przechwycony sygnał kierowany był na słuchawki starego typu (i1) i (i2). Słuchawki te zawierały w sobie magnesy stałe z nawiniętymi na nimi uzwojeniami. Faktycznie więc owe słuchawki były dwoma induktorkami telekinetycznymi (I1) i (I2) podobnymi do tych z ogniw telekinetycznych (tyle tylko, że obie miały zwoje nawinięte w tym samym kierunku). Jedynie więc czego tym radiodbiornikom kryształkowym jeszcze brakowało aby zadziałały jako pełnowydajne ogniwa telekinetyczne dużej mocy, to rezonatory (r). Rezonatory te sumowałyby w nich i lawionowo wzmacniały początkowo słabe sygnały generowane przez ich induktorki. W ten sposób lawinowo zwiększałyby one moc prądu generowanego przez te induktorki. Jednak nawet bez owych rezonatorów, ciągle generowały one niewielką wartość darmowej energii elektrycznej.
       (2) Zasada działania radia kryształkowego była identyczna do zasady działania ogniwa telekinetycznego. Niezależnie od ich konstrukcji, o fakcie że owe "radia kryształkowe" były prymitywnymi ogniwami telekinetycznymi świadczy także ich zasada działania. Jeśli bowiem się dobrze nad tym zastanowić, musiały one generować niewielki ilości darmowej energii elektrycznej w sposób identyczny jak energię tą generują ogniwa telekinetyczne. Wszakże nie miały one żadnego zasilania, jednocześnie jednak potrafiły podtrzymywać relatywnie głośną pracę aż pary słuchawek starego typu. Aby zaś słuchawki takie mogły pracować, normalnie trzeba je zasilać w energię elektryczną sporą baterią. Wszakże typowo słuchawki takie zużywają więcej elektryczności niż dzisiejsze telefony.
       (3) Radio to działało zupełnie bez użycia jakiejkolwiek baterii lub zewnętrznego zasilania w elektryczność. Na dodatek do wszystkiego powyższego, radia te były jedynymi urządzeniami dotychczas zbudowanymi na Ziemi, które bez żadnego zasilania ciągle potrafiły uwokalnić słabiutki sygnał radiowy przechwytywany przez ich antenę. Nie istnieje na Ziemi żadne inne urządznie elektryczne lub elektroniczne, które będąc całkowicie pozbawione jakiejkolwiek baterii czy zasilania, na wejściu miałoby tylko goły drut antenowy, zaś na wyjściu dawałyby użyteczną pracę mechaniczną (w ich przypadku - dźwiękowe wibrowanie powietrza).
       (4) Radio kryształkowe NIE było zdolne do zadziałania bez słuchawek-induktorków. Najważniejszym jednak dowodem, że owe "radia kryształkowe" zawierały prymitywne ogniwa telekinetyczne wbudowane w ich obwody, było że NIE działały one bez owych słuchawek starego typu. Ta ich niezdolność do zadziałania bez słuchawek potwierdzona była eksperymentalnie przez licznych badaczy. Radia owe odmawiały zadziałania nawet jeśli owe słuchawki zastąpiło się w nich np. miniatorowymi głośniczkami które zużywały znacznie mniej niż one energii. To zaś oznacza, że konieczność użycia w nich słuchawek wynikała z zasady działania radia kryształkowego. Dopiero teoria ogniwa telekinetycznego wyjaśnia dlaczego tak się działo. Wszakże w ogniwie tym induktorki (I1) oraz (I2) są tymi podzespołami które telekinetycznie generują elektryczność. Słuchawki zaś w owych radiach wypełniały funkcję owych induktorków. Jeśli więc induktorki te z nich się usunęło, nie miały one prawa zadziałać.
       Niniejsze odkrycie, że dawne "radia kryształkowe" faktycznie zawierały w sobie prymitywne wersje opisywanego tu ogniwa telekinetycznego wbudowanego w ich obwody elektroniczne, ma dla nas ogromne znaczenie praktyczne. Wskazuje bowiem jak najszybciej i najłatwiej zbudować takie ogniwo. Wszakże aby ogniwo to otrzymać, wystarczy zacząć właśnie od takiego "radia kryształkowego". Potem zaś stopniowo je udoskonalać aż otrzyma się baterię telekinetyczną o wymaganej mocy. Jeśli więc ktoś ma gdzieś na strychu takie stare radio kryształkowe (na słuchawki starego typu z magnesikami w ich środku), albo jeśli wie się gdzie można kupić takie stare radio, radzę je odkurzyć, lub odkupić, oraz potem uruchomić. Alternatywnie, można poczytać w starej literaturze jak radio takie zbudować, poczym szybko sobie je samemu wybudować - wszakże jest ono bardzo proste. Kiedy zaś zdoła się spowodować jego zadziałanie, wtedy wystarczy dodać do niego rezonator pracujący na częstości dźwiękowej jaką będzie się w stanie powtarzalnie pochwycić na danym radiu kryształkowym, a otrzyma się gotowe ogniwo telekinetyczne. Dalsze zaś stopniowe udoskonalanie owego ogniwa spowoduje, że z czasam będzie ono dawało nam prąd o parametrach jakie tylko sobie zażyczymy.
       Na przekór, że "radio kryształkowe" zawierało bardzo prymitywny prototyp opisywanej tutaj baterii telekinetycznej, ciągle był to prototyp który już istniał i działał. A więc było ono zaczątkiem nowej ery w zasadach generacji energii na Ziemi. Teraz kiedy udało się mi zidentyfikować że faktycznie mamy już nasz pierwszy działający prototyp, musimy jedynie go udoskonalić do poziomu pełnosprawnego ogniwa. Zakaszmy więc rękawy i do dzieła. Wszakże cała nasza cywilizacja czeka na to rewolucyjne urządzenie.


#G2. Dlaczego owa niemożność zadziałania "radia kryształkowego" w którym słuchawki zastąpiono małymi głośnikami, jest jednym z istotniejszych dowodów, że radio to zawiera wbudowane w siebie "ogniwo telekinetyczne":

       Aby telekinetycznie generować energię elektryczną, "ogniwo telekinetyczne" musi zawierać dwa induktorki "I1" i "I2" w jakich zwoje przewodnika nawinięte są na stałe wokół dwóch magnesów trwałych i unieruchomione względem owych magnesów. Jeśli bowiem zwoje te mogą się poruszać względem magnesów stałych, wówczas wcale nie wystąpi w nich tzw. Efekt Telekinetyczny. A to ów efekt generuje elektryczność w tych zwojach. Przy ruchomych zwojach efekt ten zostanie wszakże zamieniony na ruchy fizyczne tychże zwojów. Kiedy więc ktoś wyeliminuje z radia kryształkowego owe słuchawki starego typu, a zastąpi je małymi głośniczkami, wówczas ów Efekt Telekinetyczny w nich zaniknie. W głośniczku wprawdzie są zarówno zwoje jak i magnes trwały, jednak owe zwoje są osadzone ruchowo wobec magnesu. Zamiast więc generować Efekt Telekinetyczny, zwoje te wpadają w wibracje jakie właśnie generują dźwięk głośnika.
       Gdyby więc ktoś chciał aby radio kryształkowe faktycznie zadziałało z głośnikiem, wówczas musiałby tak je zbudować aby na dodatek do głośnika, ciągle posiadało ono owa dwa induktorki "I1" oraz "I2", w których nieruchome uzwojenia osadzone byłyby na stałe na magnesie trwałym. Oczywiście, mógłby dokonać tego na któryś z aż 3-ch odmiennych sposobów. Przykładowo, mógłby (1) tak przekonstruować głośniki, że ich zwoje byłyby unieruchomione względem magnesów, albo (2) dodać głośniki jednak bez usunięcia słuchawek (tak że radio to miałoby zarówno słuchawki reprezentujące induktorki, oraz głośniki), albo też (3) dodać głośniki do wytwarzania dźwięku, oraz dodać specjalnie sporządzone induktorki "I1" i "I2" które jednak nie byłyby równocześnie słuchawkami.
       W tym miejscu warto z naciskiem podkreślić, że z punktu widzenia zasady działania "radia kryształowego" w funkcji tylko radia, zastąpienie słuchawek przez głośniki wcale nie zmienia owej zasady działania. Zmienia to jedynie sposób zasilania owego radia w elektryczność. Wszakże po wyeliminowaniu słuchawek i zastąpieniu ich przez głośniki, w radiu tym eliminuje się wbudowane w nie ogniwo telekinetyczne. Czyli wyeliminowanie słuchawek praktycznie eliminuje zasilanie tego radia w moc elektryczną wymaganą do jego pracy. Sam ten fakt, że po zastąpieniu owych słuchawek głośnikami radio takie przestaje działać, jest więc jednym z bardziej ilustratywnych dowodów, że radio to zawiera jednak wbudowane w siebie ogniwo telekinetyczne. Słuchawki zaś są istotnym podzespołem tego ogniwa.


Część #H: Jak my sami możemy dołożyć swój wkład w zbudanie "ogniwa telekinetycznego":

      

#H1. Poznajmy dokładniej procedurę zrealizowania ogniwa telekinetycznego:

Motto: Jeden człowiek może zmienić losy świata. Stań się tym człowiekiem!

       Jednym z głównych powodów dla jakich spisałem dokładnie, zaś teraz nieodpłatnie upowszechniam, wszelkie informacje zawarte na niniejszej stronie, jest chęć aby stroną tą zainspirować innych badaczy do podjęcia budowy ogniwa telekinetycznego mojego wynalazku. Niestety, najwyraźniej dotychczas owo "inspirowanie" jakoś mi NIE wychodzi. Wszakże niniejszą stronę po raz pierwszy opublikowałem w dniu 17 sierpnia 2006 roku. Już też wówczas zawierala ona opisy niemal wszystkich zasad działania, procedur, konstrukcji i dobrych rad, jakie zawarte są w niej do dzisiaj (tyle że w międzyczasie sarałem się te opisy uczynić jeszcze bardziej zrozumiałymi dla każdego). Kiedy jednak ponownie udoskonalałem czytelność tego punktu w listopadzie 2011 roku, ciągle nikt z czytelników NIE podjął sugerowanych na tej stronie badań rozwojowych nad przetransformowaniem zwykłego "radia kryształkowego" w pełnośprawną "baterię telekinetyczną".
       Według moich własnych doświadczeń, dwie najważniejsze przeszkody jakie zwykle powstrzymują ludzi przed zbudowaniem jakiegoś nieznanego wcześniej urządzenia, np. wynalezionego przeze mnie "ogniwa telekinetycznego" najczęściej polegają na tym, że: (a) nie wiemy dokładnie jak urządzenie to ma działać, oraz (b) nie wiemy dokładnie jak zabrać się za jego budowę. Dlatego na niniejszej stronie staram się usunąć obie owe przeszkody. Wszakże ja wynalazłem "ogniwo telekinetyczne". Wiem więc dokładnie zarówno jak ono ma działać, a także jak zabrać się za jego budowę. Jedynym powodem dla którego dotychczas ja sam tego ogniwa NIE zbudowałem, jest że w każdym miejscu w jakim przyszło mi pracować, niedoskonałości ludzkie przełożonych i kolegów uruchamiały przeciwko moim wysiłkom działanie opisanego w punkcie #K3 tej strony tzw. "przekleństwa wynalaców". Z kolei utrzymywanie mnie na chronicznym bezrobociu i przy braku funduszy uniemożliwiły mi prywatne podjęcie tych badań rozwojowych na zasadzie hobby. W opisach z poprzednich części tej strony mogłem więc już wyjaśnić jak dokładnie "ogniwo telekinetyczne" będzie działało. Teraz zaś wyjaśnię jak zabrać się za jego zbudowanie.
       Opisane tu wskazówki wynikają z faktu, że ja od wielu już lat zabierałem się za osobiste podjęcie budowy ogniwa telekinetycznego. Niestety, jak to już napomknąłem, działanie owego "przekleństwa wynalazców" opisanego w punkcie #K3 tej strony, zawsze w ostatniej chwili uniemożliwiało mi podjęcie owej budowy. (Przykładowo, aż na trzech swoich ostatnich pozycjach pracownika naukowego najniższej rangi, jakie oferowano mi w samej Nowej Zelandii, na określonym etapie zabierałem się za podjęcie budowy tego ogniwa - zawsze jednak też tuż przed rozpoczęciem owej budowy moi przełożeni zwalniali mnie z danej pracy.) Chociaż jednak nigdy nie było mi dane aby ogniwo to rozpocząć budować, już wielokrotnie w swoim życiu przechodziłem przez proces dokładnego planowania jak budowę ową rozpocząć i prowadzić. W wyniku tego wielokrotnego planowania wiem dosyć dokładnie jak ja sam zabrałbym się za zbudowanie tego ogniwa - gdyby w jakiś sposób udało mi się jednak przełamać przez bariery jakie owo "przekleństwo wynalazców" nieprzerwanie przede mną wznosi właśnie aby mi uniemożliwić podjęcie budowy tego ogromnie potrzebnego ludzkości urządzenia. Poniżej wyjaśnię więc najważniejsze punkty z tego mojego własnego planu.
       Gdyby czytelnik zdecydował się skorzystać z opisywanego tu mojego planu, wówczas przypominam o potrzebie dotrzymywania 3-ch zobowiązań które jako wynalazca "ogniwa telekinetycznego" moralnie ponakładałem już w swoich publikacjach na osoby lub instytucje które wdrożą to ogniwo do seryjnej produkcji oraz będą wyciągały z niego znaczące zyski finansowe. Chociaż zobowiązania te powyjaśniałem dokładniej w innych swoich publikacjach, tutaj przypomnę wszystkie trzy je w wielkim skrócie. I tak, (1) przyszłym pokoleniom wynalazców którzy także będą trapieni "przekleństwem wynalazców" w swoich publikacjach już obiecałem że 10% czystego zysku z fabrycznej produkcji każdego mojego wynalazku będzie kierowane na specjalny "fundusz dra Pajaka" przeznaczony na podnoszenie poziomu naszej cywilizacji (m.in. poprzez wypłacanie nagród dla wynalazców którzy zbudowali jakieś nieznane wcześniej urządzenia techniczne). (2) Drugie 10% czystego zysku z produkcji i sprzedaży każdego z moich wynalazków, aż do 2046 roku, lub do czasu mojej śmierci - cokolwiek nastąpi później, zarezerwowałem dla siebie, ewentualnie dla już dziś żyjących i stąd mi znanych pokoleń moich spadkobierców, jako wyraz uhonorowania mojego intelektualnego wkładu w dokonanie danego wynalazku i w upowszechnienie po świecie wiedzy o danym moim wynalazku (począwszy jednak np. od 2046 roku także i owo drugie 10% też powinno być wpłacane na "fundusz dra Pająka"). W końcu (3), na sprzedaż i upowszechnianie "ogniwa telekinetycznego" mojego wynalazku nałożone jest ograniczenie wynikające z konieczności ustanowienia na Ziemi tzw. "strefy wolnej od telekinezy" - opisanej dokladniej na odrębnej totaliztycznej stronie o nazwie tfz_pl.htm. Dlatego przyszli producenci mojego "ogniwa telekinetycznego", a także producenci wszelkich innych urządzeń mojego wynalazku działających na zasadzie telekinezy, są moralnie zobowiązani aby NIE eksportowali, sprzedawali, ani licencjonowali tego ogniwa i/lub innych moich wynalazków bazujących na zjawisku telekinezy, do: Antarktydy, Australii, ani Nowej Zelandii - w ten sposób gwarantując że "strefa wolna od telekinezy" będzie faktycznie ustanowiona i utrzymana na naszej planecie. Powyższe trzy zobowiązania są relatywnie łatwe do urzeczywistnienia oraz niezbyt uciążliwe dla realizujących je osób. Wszakże NIE pozbawiają one wykonawców moich wynalazków żadnych z praw i rekompensat których wykonawcy ci się spodziewają. (Np. 80% zysku z budowy i sprzedaży tych wynalazków ciągle pozostają do ich dyspozycji. A wiadomo że zyski z wdrożenia do produkcji tego urządzenia będą niewyorażalnie duże. Ciągle też mogą oni eksportować i sprzedawać te urządzenia do niemal wszystkich najbardziej zaludnionych krajów świata.) Te moralne zobowiązania są też rodzajem mojego "testamentu". Są one bowiem jedynymi zobowiązaniami jakie nakładam na wykonawców moich wynalazków. Dlatego do ich dotrzymania zobowiązuje moralnie wszystkich budowniczych moich wynalazków. Przestrzegam też przed ewentualnymi próbami unikania wypełnienia tych zobowiązań moralnych - ze swych badań wiem bowiem, że takie ewentualne unikanie wykonania tego co nakazała nam moralna powinność zawsze kończy się tragicznie.
       Jeśli ktoś podejmie realizowanie opisywanej tutaj procedury budowania ogniwa telekinetycznego (lub jakiejkolwiek innej, np. zaplanowanej przez siebie, procedury zrealizowania tego mojego wynalazku), wówczas chciałbym mu też przypomnieć o założeniu sobie "logu" (tj. "dziennika") badań. W "logu" tym powinien dokładnie spisywać i rysować esencję wszystkiego co uczynił lub wypróbował w poszczególnych dniach. Chodzi bowiem o to, że w badanich i rozwoju nowego urządzenia nie można ufać wyłącznie pamięci - szczególnie jeśli chodzi o takie dane ilościowe, jak parametry pracy podzespołów jakie się użyło, połączeń i obwodów jakie już się wypróbowało, stacji jakie się wyłapało, pogody jaka panowała danego dnia, itp. Aby wprowadzić sobie taki log z wykonanych badań, wystarczy na początku kupić sobie solidny spory zeszyt, potem zaś wpisywać w niego każdego dnia daty i godziny badań oraz esencję i dane tego co podczas danej sesji badawczej się wykonało i uzyskało, parametry (i ceny) użytych podzespołów, rysunki obrazujące jak zespoły te się ze sobą połączyło, opisy jakie wyniki się uzyskało, itp. Log taki ogromnie potem będzie wspomagał nasze własne przemyślenia oraz planowanie naszych następnych prób i posunięć.
       W chwili obecnej istnieje bogata literatura opisująca dokładnie jak zbudować "radio kryształkowe". Z kolei takie "radio kryształkowe" faktycznie jest już prymitywną wersją ogniwa telekinetycznego. Przykładowo książka [6FE], wylistowana w punkcie #H4 tej strony, szczegółowym opisom jak zbudować najróżniejsze wersje radia kryształkowego poświęca aż 10 stron, (tj. strony 39 do 48) - czyli jeden cały rozdział. Istnienie zaś tej bogatej literatury stawia budowniczych ogniwa telekinetycznego w ogromnie korzystnej sytuacji. Wszakże aby otrzymać działające ogniwo telekinetyczne budowniczowie ci mogą zacząć swe działania od zbudowania właśnie radia kryształkowego. Następnie mogą jedynie przetransformować owo radio kryształkowe w pełnosprawne ogniwo telekinetyczne. W punktach jakie teraz nastąpią opiszę dokładnie krok po kroku jak tego dokonać.


#H2. Jak samemu zbudować "radio kryształkowe":

       Punktem wyjściowym i kluczem do sukcesu w budowie naszego "ogniwa telekinetycznego", opisanego procedurą z punktu #H3 niniejszej strony, jest posiadanie już działającego radia kryształkowego. Ponieważ takie gotowe radio w dzisiejszych czasach byłoby zapewne trudne do zdobycia, a jednocześnie istnieje bogata literatura dokumentująca jak można samemu je sobie zbudować, w niniejszym punkcie postaram się opisać jak samemu dokonać jego skonstruowania. Wszakże takie radio jest bardzo proste - patrz jego schemat z ilustracji "Fot. #H1". Oto owa procedura:
       (0) Zdobycie wiedzy jaką będziemy potrzebowali. W tym celu powinniśmy poczytać w książkach lub internecie, porozmawiać ze starszymi ludźmi którzy znają radio kryształkowe, a jeśli się da to także oglądnąć jakieś zdjęcia lub nawet faktyczne eksponaty, praktycznie wszystkiego co nasza budowa obejmie. Potrzebne jest nam bowiem rozeznanie na temat wyglądu kryształków galeny, na temat konstrukcji i działania galenowego przeciwsobnika (tego z "kocim wąsikiem"), na temat radia kryształkowego, nawinięcia jego cewki antenowej, słuchawek, anteny, uziemienia, itp. Wiedza ta jest najszerzej dostępna w starych książkach, wydawanych gdzieś w latach od 1906 do 1960. W nowych książkach jest jej nieco mniej, chociaż ciągle można ją znaleźć - jako przykład patrz strona 2 z książki [2FE] pióra Philip Hoff, "Consumer electronics for engineers", Cambridge University Press, 1998, ISBN 0-521-58207-5. Wygląd gotowego radia kryształkowego można też poznać w muzeach lub w internecie. Po ich przykłady patrz pod adresami internetowymi wskazywanymi w komentarzach do wpisu nr #84 z bloga totalizmu, np.: muzeum powstania warszawskiego, tv, radio Białystok, detefon muzealny, schematy radia kryształkowego, dokumentacja patentowa radia kryształkowego, itd., itp.
       (1) Zdobycie klustera kryształków galeny do budowy przeciwsobnika. Niestety, w dzisiejszych czasach nie można wejść do pierwszego z brzegu sklepu radiowego i kupić tam sobie przeciwsobnik galenowy. Przeciwsobnik ten będzie więc trzeba samemu sobie zbudować. Budowę ową rozpoczynamy więc od zdobycia klustera kryształków galeny. Potrzebny nam kluster wielkości i kształtu wróblego jajka przeciętego na pół. Gdzie kryształ ten można znaleźć, wyjaśniłem to w punkcie #F1.4 tej strony. (Najlepiej jeśli galenę znajdzie się samemu, albo poprzez członków rodziny czy kolegów których dobrze się zna, albo też jeśli kupi się ją gdzieś anonimowo. W żadnym natomiast przypadku nie radziłbym jej zamówić w internecie podając swój adres.)
       Warto też wiedzieć, że oprócz kryształków galeny (tj. siarczku ołowiu, PbS), radio kryształkowe może działać na dowolne inne klustery kryształków które odznaczają się dwoma cechami, mianowicie (1) dobrą przewodnością prądu elektrycznego, oraz (2) formowaniem efektu piezoelektrycznego. Efekt piezoelektryczny jest formowany przez praktycznie każde regularne kryształki. Aby więc sprawdzić, czy kryształki jakie przypadkowo gdzieś znajdziemy faktycznie nadają się na przeciwsobnik, wystarczy sprawdzić czy przewodzą one prąd elektryczny. (Tj. wystarczy podłączyć je w obwód zamkniety zawierający też jakiąś baterię i żaróweczkę, oraz potem sprawdzić czy żaróweczka ta będzie się świeciła w takim obwodzie.) Jak bowiem się okazuje, istnieje ogromna liczba naturalnych kryształów jakie spełniają oba powyższe warunki, a stąd jakie nadają się na przeciwsobniki. Wiele z nich łatwo jest poznać już na pierwszy rzut oka, bo ich powierzchnia ma metaliczny połysk. Dwa najpopularniejsze z takich kryształków, na których radio kryształkowe było już eksperymentalnie sprawdzane w praktyce oraz dowiedzione że działa, to cynkit (tj. czerwony tlenek cynku, ZnO), oraz chalkopiryt (tj. piryt miedzi, CuFeS2, o złocistym kolorze). Książki informują że oba te kryształy występują w Polsce (cynkit w Olkuszu, zaś chalkopiryt na Dolnym Śląsku). Jednak w praktyce takich nadających się na przeciwsobniki kryształków jest nieporównanie więcej. Faktycznie to z książki [4FE] wynika, że nawet trazystor 2N104 podłączony pomiędzy anteną, kondensatorem nastrojeniowym i słuchawkami, oraz wypełniający oba powyższe warunki, też może zastępować kryształki galeny w owym radiu. W przypadku użycia takiego tranzystora zamiast kryształków, wówczas jego nóżki "C" użyte są jako wejście do przeciwsobnika, zaś nóżki "E" są w nim wyjściem na słuchawki. Trzecie (jakby zbędne) nożki "B" są połączone z uziemieniem i nóżkami "E" poprzez cewkę o induktancji 6 T. Otrzymany w ten sposób przeciwsobnik tranzystorowy jest włączony w miejsce (G) z rysunku "Fot. #H1". Warto też pamiętać z tego co wyjaśniłem w punkcie #E1.4 tej strony, że indywidualne kryształki (lub tranzystory) składające się na przeciwsobnik, pełnią taką samą funkcję jak indywidualne wykorbienia na wale korbowym wielocylindrowego silnika. Znaczy, im jest ich więcej w danym przeciwsobniku, oraz im większe zróżnicowanie ich kątowych ustawień, tym bardziej równomierna i pozbawiona szarpnięć jest praca danego telekinetycznego ogniwa (lub źródła ruchu).
       (2) Zbudowanie lub zakupienie przeciwsobnika. Przed podjęciem budowy przeciwsobnika (G) dobrze jest sprawdzić w internecie, czy zakup fabrycznie wykonanego przeciwsobnika byłby "na naszą kieszeń". W poniżej wylistowanej książce [6FE] jest bowiem wyjaśnione, że do dzisiaj aż cały szereg firm na świecie ciągle sprzedaje za pośrednictwem internetu fabrycznie wykonane wersje tego podzespołu. Po angielsku ów "przeciwsobnik" jest zwany "cat's whisker detector". Stąd w internecie można znaleźć firmy które go sprzedają (a także jego ceny) wpisując np. następujące (angielskojęzyczne) słowa kluczowe cat's whisker detector sale our price do dowolnej wyszukiwarki, np. do google.com (w grudniu 2011 roku pod adresem periodictable.com/Elements/082/index.html znalazłem nawet stronę która sprzedawała "antyki" tego podzespołu - tj. historycznie oryginalne jego wersje). Jeśli zaś okaże się, że nas NIE stać na zakup już wykonanego, wtedy możemy sami go sobie zbudować. Naszą budowę warto wówczas zacząć od popytania kogoś starszego wiekiem jak taki przeciwsobnik galenowy wyglądał. Jego zasadnicze części obejmują bowiem (i) ów kryształ galeny w kształcie połówki gołębiego jaja trzymany przez jedną elektrodę i zwrócony swoją płaską powierzchnią na zewnątrz, oraz (ii) tzw. "koci wąsik" - czyli igłowo ukształtowaną cieniutką drugą elektrodę zaopatrzoną w jakąś rączkę (np. podobną do tej ze strzykawki), jaką daje się manipulować aby dotykać nią ów kryształ w różnych jego miejscach (tak aby metodą prób i błędów móc znaleźć eksperymentalnie ten właściwy punkt na galenie dla którego nasz przeciwsobnik zadziała). Domowe wykonanie przeciwsobnika można sobie zaprojektować na wiele odmiennych sposobów - zależnie od tego jakimi narzędziami i materiałami dysponujemy. Oto opisy kilku jego najczęstrzych rozwiązań:
       - Przeciwsobnik z "kocim wąsikiem" działającym na zasadzie strzykawki. W najszybszy chociaż prowizoryczny sposób taki przeciwsobnik można wykonać jeśli zakupi się gdzieś spore gniazdko na palcowe bezpieczniki, typu używanego w samochodach i radioodbiornikach. Następnie w jednych łapkach tego gniazdka osadzi się podłużny kluster kryształków galeny, w drugie zaś łapki wciśnie się maleńką jednorazową strzykawkę. W strzykawce tej usunie się igłę, zaś do jej tłoczka przyklei się cienki drucik, "koci wąsik", który przechodzi przez nasadę igły jak przez prowadnicę. Drucik ten trzeba podłączyć też elektrycznie z przeciwstawnym do galeny biegunem gniazdka. Jeśli ów drucik jest trochę zgięty, wówczas poprzez obrót i wysuwanie tłoczka strzykawki można nim dotykać kryształki galeny w różnych miejscach, tak aż znajdzie się miejsce w którym kryształki te zadziałają jako przeciwsobnik. W przeciwsobnik takiej właśnie konstrukcji było zaopatrzone radio kryształkowe którym ja sam się "bawiłem" w czasach swojej młodości. Był on bardzo wygodny i poręczny w użyciu.
       - Przeciwsobnik w formie przeźroczystej rurki. W internecie widziałem jego prowizoryczne wykonanie poprzez użycie jakiejś przeźroczystej plastykowej rurki. W jeden koniec owej rurki wciśnięta była metalowa elektroda trzymająca kryształki galeny. W drugi zaś koniec tej samej rurki wciśnięty był rodzaj korka przez który przenikała elektroda "koci wąsik". Poprzez manipulowanie i obracanie owym niby korkiem uzyskiwało się dotykanie kryształków galeny w odmiennych miejscach.
       - Przeciwsobnik w formie młoteczka na zawiasach. W tej konstrukcji wykonany jest maleńki jakby młoteczek umocowany na stałe na zawiasie, z rączką umożliwiającą jego podnoszenie i opuszczanie. Do bijaka owego młoteczka przymocowany jest "koci wąsik". Zamiast kowadełka które ów młoteczek ma uderzać znajduje się druga elektroda trzymająca kluster kryształków galeny. Przeciwsobnik ten umożliwia wybór punktu pracy poprzez podnoszenie młoteczka i zginanie miękkiego "kociego wąsika". Rysunek takiego właśnie przeciwsobnika opublikowany jest na stronie 42 angielskojęzycznej książki [3FE] pióra Chas E. Miller, "Valve Radio and Audio Repair Handbook", Newness 2000, ISBN 0-7506-3995-4.
       - Użycie "fabrycznego" przeciwsobnika w postaci diody germanowej, np. 1N34. W dzisiejszych czasach tranzystorów i diod germanowych można też (i wychodzi to znacznie wygodniej) zamiast przeciwsobnika galenowego używać do tej samej roli albo tranzystora 2N104, albo też jakiejś diody germanowej, np. 1N34 (czy innej niej podobnej, np. DOG12). Schemat i wykaz podzespołów dla "radia kryształkowego" zbudowanego na diodzie germanowej 1N34 pokazany został na "Fot. #H2" poniżej.
       (3) Nawinięcie cewki antenowej. Cewkę antenową (L) dla radia kryształkowego najlepiej jest wykonać sobie samemu. W tym celu potrzebna jest nam jakaś rurka z materiału nieprzewodzącego. Powinna ona mieć wymiary: średnicę około 5 cm (2 cali), długość około 20 cm. Rurka owa stanowiła będzie potem rdzeń powietrzny dla naszej cewki. W internecie widziałem zalecenie aby użyć w jej charakterze jakąś pustą długą butelkę plastykową o takich właśnie wymiarach, z której to butelki odcina się tylko jej szyjkę oraz dno (w butelkach takich sprzedają obecnie najróżniejsze produkty chemiczne i kosmetyczne). W charakterze tej rurki można też użyć papierowego rdzenia po folii kuchennej lub po papierowych ręcznikach. Na rurkę tą nawijamy następnie ciasno jeden przy drugim 150 lub 80 zwojów przewodnika odzyskanego z jakiegoś starego transformatora lub z innej cewki. Aby wynikowa cewka była odporniejsza na porysowanie i potłuczenie, po wykonaniu możemy ją pomalować lakierem bezbarwnym.
       (4) Zakupienie pozostałych części i podzespołów. Radio kryształkowe jest bardzo proste. Używa tylko kilka części. Aby więc je zbudować, na dodatek do własnoręcznego sporządzenia przeciwsobnika (G) - tak jak to opisałem w (2) powyżej, oraz własnoręcznego nawinięcia cewki antenowej (L), dodatkowo musimy jedynie zakupić, wymontować ze starego radia czy telewizora, lub wykonać samemu: (i) regulowany kondensator (C) typu używanego w starych radiach do "łapania" (wstajania się do) fali, oraz (ii) parę słuchawek starego typu. Kondensator zmienny (C) powinien mieć maksymalną pojemność około 365 pF. Z kolei słuchawki starego typu powinny mieć impendancję nie mniejszą niż 2000 Omów.
       (5) Wykonanie radia. W tym celu poszczególne części i podzespoły radia kryształkowego należy wzajemnie połączyć jak to pokazane na schemacie z ilustracji "Fot. #H1" na tej stronie. (Schemat ten ilustruje budowę historycznie oryginalnej wersji radia kryształkowego - tj. wersji używającej kryształków galeny oraz "kociego wąsika".)
       (6) Podwieszenie tymczasowej anteny i zainstalowanie tymczasowego uziemienia, oraz dostrojenie swego radia. Radio kryształkowe zadziała tylko jeśli sygnał na jego pulserze, czyli na antenie odbiorczej (A), przekroczy odpowiednią moc progową. Aby zaś moc ta została przekroczona, konieczne jest rozwieszenie anteny (A) która ma długość co najmniej około 24 metrów. W dzisiejszych czasach ciasnoty, "sąsiedzkich wojen", oraz opresyjnych praw ograniczających swobodę udzi, znalezienie miejsca na rozwieszenie takiej anteny jest dosyć sporą sztuką. Potrzebna jest więc nam pomysłowość jak tego dokonać. Na szczęście, owa antena (A), a także uziemienie (E), będą nam potrzebne jedynie tymczasowo, znaczy tylko do czasu kiedy nauczymy się obsługi naszego radia, oraz kiedy zastąpimy w nim ową antenę (A) oraz uziemienie (E) przez dwa wyjścia z jakiegoś pulsera - np. przez sygnał z budzika kwarcowego na baterie. Potem ową antenę (A), a także uziemienie (E), możemy rozmontować, bo nie będą nam już potrzebne. Tymczasowym uziemieniem (E) może być np. drut przymocowany do cynowego wiadra wrzuconego do studni, dowolne rury zakopane w ziemi, np. na wodę czy kanalizację, czy nawet (ale tylko podczas dobrej pogody) nasz domowy piorunochron. Po więcej informacji o antenach oraz o uziemieniach - patrz literatura krótkofalowców, lub internet.
       (7) Nauczenie się obsługi owego radia. Posiadanie radia wcale nie gwarantuje że będziemy wiedzieli jak je używać. Ponownie potrzebne więc nam doświadczenie i dociekliwość - albo też pomoc kogoś kto już kiedyś używał takiego radia.

Fot. #H1 (tj. 5 z [10])

Fot. #H1 (5 z [10]): Schemat elektryczny oryginalnych wersji radia kryształkowego. To właśnie powyższa konstrukcja owego radia działa tyko ponieważ jego wynalazcy, wcale o tym NIE wiedząc, przypadkowo wbudowali w jego obwody prymitywną wersję "ogniwa telekinetycznego". Jednak w sposób świadomy i naukowy owo "ogniwo telekinetyczne" wynalazłem dopiero ja w 1989 roku - spędzając potem następnych ponad 22 lat na mozolnym upowszechnianiu po świecie wiedzy na jego temat i na usiłowaniu przekonania decydentów i tych co zawzięcie mi zaprzeczali oraz przeszkadzali w urzeczywistnieniu tego ogniwa, że jednak da się ono zbudować, że jego budowa jest warta podjęcia, oraz że po zbudowaniu ogniwo to dostarczy ludzkości nieograniczonych ilości energii elektrycznej zupełnie "za darmo". (Niniejsza strona jest produktem jednej z metod jakie używam w swych wysiłkach tego przekonywania.) Te moje wysiłki i nieprzerwane przekonywanie wydały pierwsze owoce dopiero po ponad 22 latach, czyli w grudniu 2011 roku, kiedy "radiowiec" z Polski dysponujący odpowiednią wiedzą, oprzyrządowaniem i warunkami, pomierzył eksperymentalnie "sprawność" tego radia, zaś sprawność ta okazała się "astronomicznie" przekraczającą 100% - po szczegóły patrz opisy z "części #J" poniżej na tej stronie. (Kliknij na ten rysunek aby zobaczyć go w powiększeniu lub aby przesunąć go w inne miejsce ekranu.)
       W celu dostrzeżenia jak "ogniwo telekinetyczne" zostało przypadkowo i nieświadomie wbudowane w obwody radia kryształkowego, porównaj powyższy schemat ze schematem z ilustracji "Fot. #C1", pamiętając że każda z obu słuchawek "H" faktycznie jest rodzajem induktorka podobnego do "I1".
       Wysoce intrygującym aspektem powyższego radia jest, że w 1906 roku zostało ono opatentowane niezależnie od siebie aż przez dwóch wynalazców, którzy nie wiedzieli nawzajem o swoim istnieniu. Stąd pochodzenie tego radia mi osobiście przypomina pochodzenie "piramidy telepatycznej", które opisałem dokładniej w podrozdziałach K2 do K2.4.1 z tomu 9 mojej najnowszej monografii [1/5] oraz rozdziale E z traktatu [7/2]. (Znaczy, zarówno radio kryształkowe jak i piramida telepatyczna narodziły się równocześnie w umysłach aż kilku nawzajem nie wiedzących o sobie twórczych ludzi.) Oryginalne wersje radia kryształkowego składały się z następujących części, jakich wzajemne połączenie pokazane jest na powyższej ilustracji:
(A) - antena. Empiryczne ustalenia stwierdzają, że aby jej pulsujący sygnał przekraczał wymaganą wartość progową, powinna ona mieć co najmniej 80 stóp długości (tj. nie mniej niż około 24 metrów). Typowo rekomendowane są jednak anteny o długości 100 stóp - tj. o ponad 30 metrów długości.
(E) - uziemienie.
(L) - cewka powietrzna. Cewka ta w oryginalnych specyfikacjach definiowana jest jako nawinięta w jednej warstwie na powierzchni okrągłej rury z jakiegoś materiału izolacyjnego. Rura ta typowo miała około 5 cm (2 cale) średnicy i około 20 cm długości. Nawinięte na nią było 80 zwojów dla radia do odbioru fal średnich AM, lub 150 zwojów dla radia do odbioru fal długich AM. (Może to być też jedna cewka z odczepem i z dobudowanym przełącznikiem, a wówczas radio może odbierać na falach średnich i długich AM. Podobno w samej Polsce nie nadawane są już programy AM na falach średnich - choć ciągle są one nadawane poza Polską.)
(C) - kondensator zmienny o maksymalnej pojemności około 365 pF.
(G) - kluster kryształków galeny z "kocim wąsikiem" do wybierania działającego punktu styku. Typowo kluster ten ma wielkość i kształt połowy gołębiego jajka.
(H) - słuchawki starego typu zawierające uzwojenia nawinięte na magnesikach stałych. Słuchawki te muszą mieć impedancję wynoszącej nie mniej niż 2000 Omów (Odnotuj że dzisiejsze słuchawki typowo mają impedancję rzędu jednej trzeciej, lub mniej, z owej wartości.)
Każdy z powyższych podzespołów, a także zasada działania całego radia kryształkowego, omówione zostały w treści punktów #F1.4, #G1, oraz #H2 niniejszej strony internetowej.

Fot. #H2 (tj. 6 z [10])

Fot. #H2 (6 z [10]): Schemat elektryczny "radia kryształkowego" w którym zamiast kryształków galeny użyta jest dioda germanowa 1N34. Prototyp tego radia był testowany i działa on dla fal długich AM. Opis powyższego radia zawarty jest w książce [6FE], strony 39 do 42, zaś jego schemat elektryczny pokazany jest tam na stronie 41. (Kliknij na ten rysunek aby zobaczyć go w powiększeniu lub aby przesunąć go w inne miejsce ekranu.)
       Opisy zawarte w owej książce [6FE] informują, że na pokazane powyżej radio kryształkowe z diodą germanową 1N34 składają się następujące podzespoły: (A) - antena od długości 80 do 100 feet (tj. 24 do 30 metrów), (L) - 150 zwojów emailowanego przewodnika (po angielsku "enameled wire 24 ga.") nawiniętych na papierowej tubie o średnicy 2 cale (5 cm) i długości 4 cale (10 cm), (E) - dobrze działające uziemienie (np. metalowe rury kanalizacyjne), (C) - stroikowy kondensator 365 pF (ze starego radia), (G) - dioda germanowa 1N34 (odnotuj że NIE może to być dioda krzemowa), (C2) - dyskowy kondensator 0.005 mikro F dla napięcia 35 Volt, (H) - słuchawki o wysokiej impedancji (co najmniej 2000 Omów). Słyszałem też opinię że zamiast słuchawek (H) można użyć głośnika z transformatorem - którego uzwojenia zastępują induktorki ze słuchawek. Niestety, narazie NIE udało mi się potwierdzić tej opinii na jakiejś sprawdzonej w działaniu konstrukcji radia kryształkowego.


#H3. Etapy i ich cele w procedurze transformowania "radia kryształkowego" w pełnosprawne "ogniwo telekinetyczne":

       Aby zbudować pełnosprawne ogniwo telekinetyczne, a jednocześnie aby w pełni wykorzystać przewagę jaką stwarza nam istnienie prymitywnego prototypu ogniwa telekinetycznego - przyjmującego formę "radia kryształkowego", konieczne jest realizowanie budowy tego ogniwa aż w kilku etapach czy stadiach. Poniżej każde z tych stadiów opiszę w odrębnym punkcie.


#H3.1. Klarowne zdefiniowanie dla siebie "celu głównego" swych działań oraz "celów pośrednich" dla każdego z etapów:

       Aby osiągnąć dowolny cel życiowy konieczne jest klarowne zdefiniowanie sobie jaki jest "cel główny" naszych wysiłków oraz jakie będą "cele pośrednie" w poszczególnych etapach naszych działań - tak aby kolejne osiąganie owych "celów pośrednich" prowadziło nas do osiągnięcia tego "celu głównego". Jeśli więc czytelnik zamierza zbudować "ogniwo telekinetyczne" wówczas "cel główny" jego działań staje się oczywisty. Celem tym bowiem będzie "takie przetransformowanie działającego 'radia kryształkowego', aby uzyskane obwody generowały odnotowalną ilość energii elektrycznej NIE wymagając zasilania z zewnętrzego źródła energii ani NIE zawierając w sobie żadnych baterii czy akumulatorów które już uprzednio byłyby naładowane ową ilością energii elektrycznej". Oczywiście, droga do uzyskanie tego celu głównego wiedzie przez kilka etapów pośrednich, każdy z których musi mieć jakiś własny cel pośredni. Oto te cele pośrednie:
       1. Uzyskanie działającego "radia kryształkowego". Aby najłatwiej zbudować "ogniwo telekinetyczne" warto zaczynać swe działania od tego co już osiągnęły poprzednie pokolenia ludzkie - czyli od zbudowania działającego "radia kryształkowego". (Jak tego dokonać wyjaśnia to punkt #H2 poniżej.) Wszakże liczne i dokładne opisy jak zbudować takie "radio kryształkowe" są zawarte w już istniejącej literaturze oraz w internecie.
       2. Uzyskanie samozasilającego się "radia kryształkowego" poprzez wbudowanie do niego "sprzężenia zwrotnego". Zadaniem takiego wbudowania "sprzężenia zwrotnego" jest spowodowanie, że zamiast z "anteny", nasz "prototyp testowy" radia kryształkowego zasilany jest przekierowanym na "wejście" własnym "sygnałem na wyjściu" (tj. zasilany jest tym sygnałem który powoduje "granie" w słuchawkach tegoż radia) niemniej nadal produkuje ono jakiś sygnał dźwiękowy. Jeśli zdołamy uzyskać sukces w osiągnięciu tego "celu pośredniego", wówczas najważniejszy etap w naszej budowie "ogniwa telekinetycznego" mamy już za sobą.
       3. Skonstruowanie i wdrożenie prototypu komercyjnie i demonstracyjnie użytecznego "słowika". W tym "celu pośrednim" chodzi nam o to, że dotychczasowa tzw. "ateistyczna nauka ortodoksyjna" zdołała efektywnie chociaż błędnie wmówić ludziom iż "energii NIE daje się generować np. bez spalania jakiegoś paliwa lub bez konsumowania jakiejś innej już znanej ludziom i nauce formy energii - np. wiatru, wody, światła, itp." Dlatego aby móc uzyskać finansowanie na badania i rozwój "baterii telekinetycznej" i aby wdrożyć potem tą baterię do produkcji fabrycznej, najpierw trzeba uzyskać coś, co pozwoli przełamać owe "błędne przekonania" które owa "ateistyczna nauka ortodoksyjna" ugruntowała u ludzi. Najłatwiejszym zaś do uzyskania takim czymś byłaby "zabawka" którą ja nazywam "słowikiem" - a którą opisałem w punkcie #H3.3 poniżej. Zabawka ta generowałaby bowiem "świergotanie" podobnie jak ptak "słowik", jednak pozbawiona by była jakiegokolwiek źródła energii. W ten zaś sposób z jednej strony by dostarczała każdemu wizualnego i słyszalnego dowodu, że "darmowa energia może być osiągnięta", z drugiej zaś strony mogłaby zostać wdrożona znacznie wcześniej do produkcji fabrycznej jako "zabawka dziecięca", a w ten sposób generowałaby już fundusze na prace badawczo-rozwojowe nad pełnosprawną "baterią telekinetyczną".
       4. Zbudowanie pełnosprawnej "baterii telekinetycznej". Aby urzeczywistnić ten cel, konieczne są długotrwałe badania - na te zaś potrzebne są fundusze. Jak zaś je zrealizować z pomocą uprzednio otrzymanego "słowika" opisałem to w punkcie #H3.4 poniżej.
       Przeglądnijmy teraz jak się zabrać za osiągnięcie każdego z powyższych celów.


#H3.2. Wypracowanie właściwych połączeń, parametrów, oraz przebiegu zjawisk w zmodyfikowanym "radiu kryształkowym" - tak aby radio to zaczęło samo się zasilać poprzez "sprzężenie zwrotne":

       Celem pierwszego stadium budowy "ogniwa telekinetycznego" jest wypracowanie i wypróbowanie najkorzystniejszych połączeń poszczególnych części i obwodów elektronicznych jakie konstytułują owo ogniwo, a także dobranie właściwych parametrów pracy i przebiegu zjawisk w tym ogniwie. Stadium to zostanie pomyślnie zakończone kiedy zbudujemy jakiś obwód elektroniczny który będzie demonstrował generowanie energii, bez jednoczesnego konsumowania jakiejś już znanej ludziom formy energii.
       W owym pierwszym etapie budowy ogniwa telekinetycznego wykorzystać należy fakt, że istnieje już prymitywny prototyp tego ogniwa. Dlatego etap ten należy dokonywać metodą "potwierdzanych stopni", jaka gwarantuje nam końcowy sukces. Metoda ta polega na tym, że zaczyna się budowę od czegoś co już działa. Potem zaś wprowadza się do działającej konstrukcji kolejne usprawnienia, jedno po drugim, po wprowadzeniu każdego z tych usprawnień upewniając się, że dla niego konstrukcja ta ciągle działa. Odnotuj, że metoda ta nadaje się tylko dla działań które spełniają kilka warunków. Przykładowo, w których dokładnie wiemy co chcemy uzyskać (tj. dokładnie wiemy co leży za końcowym ze stopni), a także dla których mamy już coś, co działa - od czego możemy rozpocząć nasze usprawnienia. Jednak właśnie z takim przypadkiem mamy do czynienia podczas budowy "baterii telekinetycznej". Oto poszczególne etapy owej metody:
       1. Zbudowanie lub zdobycie pracującego "radia kryształkowego". Celem tego etapu jest uzyskanie działającego (prymitywnego) pierwowzoru-prototypu dla ogniwa telekinetycznego. Prototyp ten następnie będziemy poddawali stopniowym usprawnieniom. Oczywiście, nie jest zbytnio ważne jak zdobędziemy ów prototyp radia kryształkowego. Znaczy, nie jest ważne czy go odkurzymy z naszego własnego strychu, czy go kupimy od kogoś kogo dobrze znamy, czy go sami sobie zbudujemy - tak jak to wyjaśniono krok po kroku poniżej w punkcie #H2 tej strony, czy też zbuduje je nam ktoś z rodziny lub przyjaciół. Ważne jest jedynie (a) aby faktycznie radio to działało, oraz (b) aby było ono tym "właściwym" prototypem, ("Właściwy" prototyp "radia kryształkowego" to taki który zawiera ogniwo telekinetyczne wbudowane w swoje obwody.) Jest tak ponieważ owo "przekleństwo wynalazców" opisane w punkcie #K3 tej strony stara się uniemożliwić zbudowanie baterii telekinetycznej na Ziemi. Wiedząc więc że "radio kryształkowe" jest prototypem baterii telekinetycznej, owo przekleństwo pousuwało z użycia większość tych "właściwych" prototypów "radia kryształkowego". Jednocześnie nawprowadzało ono na rynek kilka "udoskonalonych" odmian tego radia, które to odmiany wcale nie będą zawierały wbudowanego w siebie ogniwa telekinetycznego (chociaż będą zawierały jakieś kryształy). Owo "właściwe" radio kryształkowe poznaje się po tym, że (A) nie używa ono żadnego zasilania w energię a ciągle działa, (B) posiada bardzo prostą budowę (patrz punkt #H2 tej strony), oraz (C) posiada słuchawki starego typu (z cewkami nawiniętymi na magnesikach) oraz odmawia działania bez owych słuchawek.
       2. Nauczenie się obsługi "radia kryształkowego". Celem tego stopnia jest dokładne nauczenie się jak rozpoznawać kiedy owo radio zadziałało jako ogniwo telekinetyczne, oraz nauczenie się jak je obsługiwać. W tym celu należy radio to poużywać przez jakiś czas, "łapiąc" na nim różne stacje, oraz obserwując co się dzieje kiedy jakaś stacja jest "złapana". (Tj. odnotować jak kryształ galeny się zachowuje, jak słuchawki odbierają samą falę nośną pozbawioną dźwięku, itp.) W "logu" z naszych badań trzeba też sobie zapisać to co zaobserwowalismy, włącznie z częstościami stacji radiowych jakie udało nam się złapać i pozycjami na kryształku na których te stacje złapaliśmy.
       3. Zastąpienie anteny i uziemienia połączeniami z "pulserem", oraz potwierdzenie że radio ciągle działa. Celem tego stopnia jest pozbycie się niewygodnej anteny radiowej, oraz równie niewygodnego uziemienia, jednak ciągle utrzymanie działania "radia kryształkowego" - tj. ciągle uzyskiwanie pisków i głosu w jego słuchawkach. Aby zrealizować ten stopień, oryginalne połączenia naszego radia z anteną (A) oraz z uziemieniem (E) pokazanymi na rysunku "Fot. #H1", zastępujemy przez podłączenie tego radia w obwód zamknięty z "pulserem" - czyli spowodowanie jego "samozasilania się" poprzez "sprzężenie zwrotne" jego "wyjścia" z "wejściem". Aby zaś szybko otrzymać taki gotowy pulser, w niniejszym (początkowym) stadium moich własnych badań i rozwoju, ja sam planowałem rozebrać jakiś zegar kwarcowy (zasilany niewielką baterią), oraz użyć potem jako pulser impulsy generowane w obwodach owego zegara. W ten sposób sygnały przepływające z anteny radia kryształkowego do uziemienia zastąpione zostaną pulsującymi sygnałami elektrycznymi jakie zbieramy np. z owych obwodów zwykłego zegara lub budzika kwarcowego. Odnotuj, że jeśli uruchomimy działanie tego radia po takim zastąpieniu, w jego słuchawkach ciągle powinny dać się usłyszeć dźwięki pulsowań budzika jaki użyjemy jako pulser. Owe dźwięki będą nas upewniać że prototyp ogniwa nad jakim pracujemy ciągle działa.
       Działające urządzenie jakie otrzymamy po usunięciu anteny i uziemienia z radia kryształkowego, oraz po ich zastąpieniu połączeniami z pulserem, faktycznie będzie już pierwszym prototypem ogniwa telekinetycznego. Naszym następnym zadaniem jest więc jedynie takie podniesienie wydajności i efektywności tego ogniwa, aby było ono w stanie zasilać w energię jakieś urządzenie elektryczne (np. mały głośnik).
       (Opcjonalnie) 4. Sporządzenie bilansu energii i sprawdzenie efektywności energetycznej otrzymanej pierwszej wersji ogniwa. Z chwilą kiedy budowane przez nas ogniwo nie ma już anteny ani uziemienia, staje się łatwiejszym sporządzenie dla niego bilansu energetycznego i wyliczenie jego sprawności energetycznej. W tym celu bowiem wystarczy abyśmy za pomocą jakiegoś czułego przyrządu pomiarowego pomierzyli moc prądu (Pa) na wejściu do naszego ogniwa (zaś na wyściu z pulsera) - tj. pomierzyli iloczyn napięcia (Va) oraz natężenia (Ia) tego prądu. Ponadto pomierzyli też moc prądu (Ph) na wyjściu z naszego ogniwa - tj. moc prądu przepływającego pomiędzy oboma słuchawkami (H). Następnie wyliczyli całkowitą sprawność ogniwa e=100(Ph/Pa) wyrażoną w procentach - patrz też poniżej punkt #K3 (1) tej strony. Sprawność ta powinna przekraczać 100% - co będzie dowodem że induktorki telekinetyczne w formie słuchawek faktycznie generują własny prąd elektryczny. Znając ową sprawność (e) dla tej pierwszej wersji naszego ogniwa, możemy ją teraz mierzyć również po każdym z następnych kroków w naszych badaniach i rozwoju tego ogniwa. Jeśli zaś sprawność ta będzie systematycznie nam rosła, wówczas będzie to oznaczało że nasze ogniwo staje się coraz lepsze i coraz wydajniejsze. Czyli że udoskonalenia jakie wprowadziliśmy są słuszne i że powinniśmy je kontynuować.
       5. Dodanie "rezonatora" i ponowne potwierdzenie że radio ciągle działa. Induktorki ze sluchawek naszego radia nie są w stanie wygenerować ilości energii elektrycznej jaka jest nam potrzebna aby zasilić jakieś urządzenie elektryczne. Dlatego musimy do naszego radia dodać rezonator, czyli obwód drgający zawierający dwa induktorki (I1) i (I2). Po jego dodaniu ciągle trzeba się upewnić że całe nasze ogniwo telekinetyczne nadal działa.
       6. Dodanie "autotransformatora", lub innego wyjściowego kolektora energii, oraz potwierdzenie że bateria z powodzeniem zasila jakieś urządzenie (np. niewielki głośnik). Kiedy nasza bateria zacznie wytwarzać wymaganą energię, musimy znależć sposób aby ją z niej przejmować i wykorzystywać do zasilania urządzenia które zechcemy. Po zrealizowaniu tego stopnia uzyskujemy pierwszy "prototyp testowy" naszego ogniwa. Prototyp ten będzie już się nadawał do ograniczonego użytku, bowiem będzie produkował darmową energię wystarczającą do zasilania jakiegoś miniaturowego urządzenia. Jednak aby przetrasformować go w pełnosprawną baterię telekinetyczną nadającą się do seryjnej produkcji fabrycznej, ów prototyp ciągle należy poddać dalszym usprawnieniom opisanym w punkcie #H3.4 tej strony.
* * *
       Osobiście zachęcam, aby nawiązać ze mną kontakt po zrealizowaniu powyższych etapów budowy opisanego tutaj ogniwa telekinetycznego, pisząc na najczęściej otwierany z adresów emailowych podanych pod koniec mojej strony autobiograficznej o nazwie pajak_jan.htm. (Odnotuj, że na tamtej stronie autobiograficznej informuję czytelników iż typowo NIE mam czasu na odpisywanie na większość emailów które do mnie przychodzą. Jednak sprawa budowy "baterii telekinetycznej" jaką ja osobiście wynalazłem wcale NIE jest "typową sprawą". Stąd jeśli dany email wnosi coś konstruktywnego do owej budowy, wówczas zapewne na niego odpiszę.) Jest bowiem wysoce wskazane aby "tak na wszelki wypadek" nieprzerwanie informować mnie o już ustalonych przez siebie faktach oraz o postępach w budowie "baterii telekinetycznej". Wszakże zbudowanie tego urządzenia leży w interesie nas wszystkich. Tymczasem owo "przekleństwo wynalazców" nie będzie spało. Z badań zaś nowej "totaliztycznej nauki" wynika, że przekleństwo to szczególnie zawzięcie atakuje wszystkich tych co utrzymują tajemnicę na temat swoich dokonań, ponieważ usiłują zarezerwować wyłącznie dla siebie wszelkie korzyści ze zbudowania danego wynalazku - tak jak teoretycznie wyjaśnia to punkt #H4 na totaliztycznej stronie o nazwie mozajski.htm oraz punkty #H1 do #H3 na stronie o nazwie eco_cars_pl.htm, zaś praktycznie ilustruje to nam historia tzw. "telekinetycznych influenzmaschines" o nazwach "Testatica" i "Testa-distatica" opisana w punkcie #D2 strony free_energy_pl.htm. (Odnotuj że "totaliztyczna nauka" to ta nowa nauka której fundamenty filozoficzne opisane zostały w punkcie #C1 totaliztycznej strony telekinetyka.htm oraz w punktach #F1 do #F3 totaliztycznej strony o nazwie god_istnieje.htm, zaś której już obecne oszałamiające dokonania wprowadzają "konkurencję" dla starej, zasiedziałej, błędnej, dotychczasowej oficjalnej nauki zwanej "ateistyczną nauką ortodoksyjną".) Aby bowiem neutralizować działanie "przekleństwa wynalazców" trzeba publikować wyniki swoich ustaleń na temat nowych wynalazków, powiadamiać możliwie najwięcej ludzi o tym co już zdołaliśmy urzeczywistnić, oraz budować każdy nowy wynalazek tak jak buduje się nową gałąź wiedzy ludzkiej. Ponadto pisanie do mnie może okazać się pomocne. Wszakże ja sam mam za sobą sporo przemyśleń i dużo wiedzy na temat "ogniwa telekinetycznego" które wynalazłem. Czasami mógłbym więc mieć jakąś przydatną radę czy informację praktyczną. Nie wspominę już o fakcie, że dla dobra tego urządzenia i dla własnego bezpieczeństwa lepiej jeśli publikuje się najważniejsze ustalenia do których już się doszło w sprawie budowy tego ogniwa (po szczegóły patrz punkt #K3 tej strony). Gdyby zaś technicznie i finansowo było to możliwe, wręcz proponuję abyśmy budowę taką zrealizowali wspólnymi siłami (tj. czytelnik i ja - pracując w tym samym laboratorium czy tej samej przyfabrycznej prototypowni). Wszakże przysłowie stwierdza, że "co dwie głowy, to nie jedna".


#H3.3. Zbudowanie i wdrożenie prototypu komersyjnie i demonstracyjnie użytecznego "słowika":

       Wielkością przewodnią wszelkich transformacji jakie zrealizowaliśmy aby wychodząc z "radia kryształkowego" docelowo otrzymać "ogniwo telekinetyczne", jest "sygnał głosowy" - czyli "dźwięk". Droga zaś od owego "dźwięku" do komercyjnie użytecznej "energii elektrycznej" jest jeszcze daleka. Nam zaś potrzebny są już od zaraz (1) dowód, że droga która podążamy jest poprawna, oraz (2) fundusze na dalsze badania i na rozwój naszej baterii telekinetycznej (zwanej też "ogniwem telekinetycznym"). Dlatego aby zaspokoić obie te potrzeby, uzyskany w poprzednim punkcie #H3.2 "prototyp testowy" naszej baterii telekinetycznej powinniśmy zamienić w coś co ja nazywam "słowikiem". Ów "słowik" to byłaby po prostu "zabawka dziecięca" która produkowałaby "świergotanie" i "piski" z grubsza podobne do ptasiego głosu, jednak przy tym NIE zawierałaby w sobie żadnego źródła energii (tj. NIE zawierałaby w sobie, ani NIE wymagałaby dla swojej pracy, baterii, akumulatorków, czy zasilania np. w energię elektryczną). Jako taka, na przekór że owa zabawka NIE byłaby jeszcze w stanie produkować komersyjnie użytecznej ilości energii, ciągle już nadawałaby się do wdrożenia do seryjnej produkcji fabrycznej - a stąd już zaczęłaby generować jakieś zyski które opłaciłyby dalsze nasze prace badawcze nad rozwojem pełnosprawnego "ogniwa telekinetycznego".
       Oczywiście, zbudowanie prototypu takiego "słowika" wymagałoby dalszego przetransformowania naszego "prototypu testowego" uzyskanego w wyniku zrealizowania celu opisanego w w/w punkcie #H3.2. Wszakże np. zabawka dla dzieci NIE mogłaby wymagać użycia aż dwóch starodawnych słuchawek z "radia kryształkowego" (tj. słuchawek o oporności rzędu 2 kOhm). Stąd "dźwięk" w takiej zabawce musiałby być już generowany przez jakiś dzisiejszy głośnik. Na szczęście dla nas, w ostatniej fazie używania "radia kryształkowego" poprzednie pokolenia wynalazców już wypracowały konstrukcję specjalnego typu głośników które pracowały bez zasilanie w energię po zostaniu podłączonymi do bezzasileniowego radia kryształkowego. Dla zbudowania "słowika" musielibyśmy więc jedynie odszukać jak owe specjalne głośniki działały i zrekonstruować sobie jeden z nich. Z kolei inni majsterkowicze z poprzedniego pokolenia kombinowali z zastąpieniem słuchawek w bezzasileniowych radiach kryształkowych zwykłymi głośnikami z transformatorkiem (od odbiorników lampowych). Jak się podobno okazało, jeśli podłączyło się równolegle kondensator o wartości około 1 nF do 5 nF do pierwotnego uzwojenia transformatorów tych głośników, wówczas generowały one relatywnie głośny dźwięk.


#H3.4. Przetransformowanie "prototypu testowego", lub "słowika", w pełnosprawne "ogniwo telekinetyczne":

       Celem niniejszego, końcowego stadium rozwoju "ogniwa telekinetycznego", byłoby wypracowanie prototypu który generowałby już użyteczną ilość energii elektrycznej, a stąd nadawałby się do seryjnej produkcji fabrycznej. Takie zaś ogniwo musi już spełniać cały szereg warunków, które NIE były wymagane od naszego "prototypu testowego" przygotowanego zgodnie z procedurą z punktu #H3.2 tej strony, ani dla "słowika" w z jej punktu #H3.3. Przykładowo, ogniwo do seryjnej produkcji fabrycznej musi (a) był łatwe w obsłudze i musi zadziałać nawet kiedy jego włączenia dokona jakiś laik. Nie może więc zawierać galenowego przeciwsobnika - którego zadziałanie wymagało sporych umiejętności i doświadczenia. Musi ono także (b) dostarczać prądu elektrycznego o ściśle wymaganej częstotliwości i napięciu - dla Europy 50 Hz oraz 220 Volt. Dzięki temu nadawało się będzie do zasilania każdego naszego urządzenia domowego. Musi też (c) dawać wymaganą moc prądu, (d) być wystarczająco niezawodne, (e) być bezpieczne w użyciu, (f) wykazywać się odpowiednią żywotnością, oraz (g) spełniać kilka dalszych wymogów nakładanych prawem i tradycją.
       Aby zbudować ogniwo telekinetyczne które spełni wszystkie te wymogi, nasza procedura działania musi już być inna. Mianowicie, od samego początku musimy być nastawieni na spełnienie tych warunków. Oczywiście, mamy już tą przewagę w stosunku do procedury z punktu #H3.2, że na tym końcowym etapie wiedzieli będziemy dokładnie jakie obwody jak działają, co jest nam potrzebne, jak co osiagać, itp. Znaczy, będziemy mieli zarówno wzorzec działającego ogniwa do wspamagania naszych działań, jak i doświadczenie zdobyte poprzednio. Oto więc niektóre punkty z nowej procedury rozwojowej jaką teraz musimy zrealizować.
       (1) Zbudowanie przeciwsobnika (tuby). Faktycznie przeciwsobnik jest jednym z najtrudniejszych do zbudowania podzespołów ogniwa telekinetycznego. Jednocześnie jest on podzepsołem bez którego ogniwo owo NIE działa. Dlatego wszystkim majsterkowiczom pragnącym poeksperymentować nad zbudowaniem tego ogniwa proponuję zacząć swoje działania właśnie od podjęcia budowy tego podzespołu. Jeśli zaś on będzie gotowy, wszystkie pozostałe podzespoły bedą znacznie łatwiejsze do wykonania.
       (2) Zbudowanie pulsera (Q). Na tym zaawansowanym stadium badań i rozwoju, konieczne już się staje zbudowanie własnego pulsera. Ja planowałem w tym celu zbudować kwarcowy obwód drgający, podobny do tego z zegara kwarcowego. Tyle że w swoim własnym obwodzie drgającym planowałem zadbać o spełnienie następujących warunków: (a) generowanie pulsowań elektrycznych o częstości dokładnie 50 Hz (lub 60 Hz - gdybym swoje badania prowadził w Ameryce), (b) doprowadzenie zasilania do owego pulsera z samego ogniwa telekinetycznego którym pulser ten steruje. Dzięki temu ogniwo takie stałoby się całkowicie samowystarczalne i po zainicjowaniu swej pracy nie potrzebowałoby już zasilania w prąd ani energię.
       (3) Zbudowanie rezonatora (R). Rezonator ten musi być dostrojony częstotliwością do częstotliwości pulsera (50 Hz). Dlatego budowałbym go dopiero po pulserze.
       (4) Skompletowanie pozostałych podzespołów ogniwa. Kiedy gotowa będzie sprawdzona w działaniu tuba, pulser i rezonator, wówczas można się zabrać za zbudowanie lub zakupienie pozostałych składowych tego ogniwa.
       (5) Znalezienie działającej konfiguracji i parametrów ogniwa. Opisane tutaj ogniwo wynalezione zostało teoretycznie. Znaczy, teorie jakie ja rozpracowałem pozwoliły mi wydedukować teoretycznie zasadę działania i ogólną konstrukcję tego urządzenia. Zasada ta i konstrukcja musi jednak obecnie zostać zrealizowana technicznie. W tym celu konieczne jest ustalenie w jaką konfigurację poszczególne podzespoły tego ogniwa muszą zostać podłączone aby zadziałały, jakie parametry ich pracy zagwarantują owe zadziałanie, jakie dodatkowe warunki muszą być spełnione, itp. Ustalenie tego wszystkiego, niestety, wymaga włożenia w budowę odrobiny własnej pomysłowości i wynalazczości.


#H4. Projekty badawcze warte skompletowania, lub które powinniśmy skompletować w celu lepszego poznania działania ogniwa telekinetycznego:

       Ogniwo telekinetyczne opisane na tej stronie, którego zasadę działania wynalazłem dzięki Konceptowi Dipolarnej Grawitacji, jest na tyle proste w budowie i na tyle podobne do wielu innych dzisiejszych urządzeń elektronicznych, że może ono być budowane, analizowane, oraz badane praktycznie przez każdego z nas. W swoim poznawaniu i sprawdzaniu działania tego ogniwa nie musimy więc polegać na wypowiedziach ekspertów, czy na budżetach potężnych instytucji. Każdy z nas może się przekonać naocznie że urządzenie takie faktycznie zadziała, że jego zbudowanie wymaga jedynie umiejętności elektronicznych oraz wytrwałości wynalazcy. To zaś pozwala każdemu technicznie uzdolnionemu czytelnikowi podjąć budowę tego urządzenia, jeśli tylko ma ku temu warunki i inklinacje. W ten zaś sposób każdy ma szansę wypracować dla siebie korzyści jakie z tego tytułu wynikną. Oczywiście, aby nie tylko zbudować ogniwo telekinetyczne, ale ponadto ogarnąć wartości poznawcze i naukowe zawarte w owym urządzeniu, wskazane byłoby aby niezależnie od podjęcia budowy prototypów tego ogniwa, podjęte zostały również dodatkowe badania, obserwacje, oraz sprawdzenia. Poniżej wyjaśniam jakie aspekty ogniw telekinetycznych, lub ich podzespołów, są najbardziej intrygujące, a stąd najbardziej zasługują na ich dokładniejsze przebadanie.
       (1) Mit że radio kryształkowe jest zasilane w energię przez fale radiowe. Wśród dzisiejszych elektroników panuje szokująco błędny mit, że powodem dla jakiego radio kryształkowe pracuje wspaniale bez użycia żadnego zasilania, jest iż energię wymaganą do jego pracy dostarczają mu fale radiowe. Moim zdaniem jest to wysoce niszczycielski mit, jaki najprawdopodobniej celowo został upowszechniony na Ziemi przez owo przekleństwo wynalazców wzmiankowane w punkcie #K3 tej strony. Wszakże to ów mit zdołał przez ostatnie 100 lat efektywnie zniechęcać ludzi do faktycznego zbadania skąd właściwie bierze się owa energia podsycająca pracę tego radia. Podjęcie zaś takich badań doprowadziłoby zapewne do zbudowania ogniwa telekinetycznego już wiele lat temu. Wszakże nawet tylko pobieżna analiza tego radia ujawnia, że mit ów wcale NIE może być prawdziwy. Aby bowiem radio to mogło spowodować zadziałanie słuchawek starego typu o impendancji przekraczającej 2000 Omów, czyli wytworzyć napięcie jakie spowoduje pokonanie owej impendancji, moc prądu jaki przepływał przez owe słuchawki musiała wynosić co najmniej kilkadziesiąt, jeśli nie kilkaset, Watów. Czyli aby cienki drut anteny o długości około 15 metrów mógł pochłonąć ową moc, gęstość energii fal radiowych wokół tej anteny musiałby być niemal tego samego rzędu co w dzisiejszych kuchenkach mikrofalowych. Znaczy, aby radio to faktycznie pobierało z powietrza energię potrzebną mu do pracy, fale radiowe musiałyby osiągnąć poziom zagęszczenia w powietrzu jaki spowodowałby nasze ugotowanie się w ich energii. To zaś jest już oczywistą bzdurą. Dlatego najlepiej aby zamiast zawierzać owemu przebiegle upowszechnianemu mitowi, ktoś dokonał faktycznych pomiarów mocy (Pa) na wyjściu z anteny owego radia, a także mocy (Ph) przepływającej przez słuchawki tego radia. Moc na słuchawkach (Ph) jest łatwa do zmierzenia. Wszakże wystarczy zmierzyć czułymi miernikami jakie jest napięcie i natężenie prądu przepływającego przez owe słuchawki. Tylko więc pomiar mocy (Pa) na wyjściu z anteny wymagał będzie nieco pomysłowości. Kiedy jednak ktoś ją zmierzy, wówczas będzie w stanie obliczyć sprawność e=100(Ph/Pa) całego radia kryształkowego (wyrażoną w procentach). Jestem gotów się założyć, że sprawność ta okaże się wielokrotnie wyższa niż 100%. Ciekawe jak dzisiejsi "eksperci" będą w stanie ją wytłumaczyć bez użycia pojęcia ogniwa telekinetycznego? Schemat owego bezzasileniowego radia kryształkowego z diodą germanową pokazany jest na "Rys. #H2".
       (2) Działanie przeciwsobników. Faktycznie przeciwsobnik jest jednym z najmniej poznanych podzespołów ogniwa telekinetycznego. Jednocześnie jest on podzespołem bez którego ogniwo owo NIE zadziała. Dlatego wszystkim z zacięciem badawczym proponuję podjąć badania tego interesującego podzespołu. Szczegółnie interesujące jest ustalenie jak powoduje on pokonanie "puntów martwych" we wzbudzanych przez siebie obwodach drgających. Interesujące jest też wypracowanie konstrukcji i działania dalszych przeciwsobników. Przykładowo na stronie 701 książki [4FE] pióra John Markus, "Guidebook of electronic circuits", McGraw-Hill, 1974, ISBN 0-07-040445-3, pokazany jest schemat elektroniczny "bezzasileniowego radia kryształkowego" w którym w charakterze przeciwsobnika działa tranzystor 2N104. Źródłowe opisy budowy i działania pokazanego tam radia były publikowane w artykule [5FE] pióra C.J. Schauers, "No Power Receiver", Popular Electronics, October 1968, strona 78. W jeszcze innej książce [6FE] pióra Tom Petruzzellis, "22 Radio and Receiver Projects for the Evil Genius" (Mc Graw Hill, NY 2008, ISBN 978-0-07-148929-4) dokładnym opisom jak budować najróżniejsze radia kryształkowe poświęcony jest cały rozdział 4 o tytule "Chapter 4: AM, FM and Shortwave Crystal Radio Projects" zajmujący tam strony 39 do 48. Na rysunku "Figure 4-2" ze strony 41 tejże ksiażki [6FE] pokazany jest jeszcze inny schemat "radia kryształkowego" które w roli przeciwsobnika używa diody germanowej 1N34 (dioda krzemowa by NIE działała w tej roli, jako że NIE spełnia ona obu warunków z (1) w punkcie #H2). Tutaj schemat owego radia kryształkowego z diodą germanową 1N34 jest objaśniony na "Fig. #H2".
       (3) Cechy induktorków telekinetycznych. Warto np. przebadać przy jakim kształcie krzywej wejściowej z pulsera telekinetyczna generacja elektryczności w tych induktorkach jest najintensywniejsza. Albo ile zwoi jeden na drugim wolno nawijać na owe induktorki aby telekinetyczna generacja elektryczności ciągle w nich miała miejsce (wszystkie dotychczas budowane takie induktorki miały na magnesie tylko jedną warstewkę uzwojenia). Itd., itp.
       (4) Konstrukcje pulserów. Przykładowo obejmowałyby one wypracowanie konstrukcji takiego oscylatora kwarcowego: (1) który będzie produkował oscylacje o częstotliwości dokładnie 50 Hz, (2) który byłby zasilany w prąd z kondensatora, (3) którego kondensator zasilający dawałoby się zasilić w początkowy impuls energii np. poprzez mechaniczne ściśnięcie jego kryształu kwarcowego, oraz (4) którego dalsze działanie zasilane byłoby z samego ogniwa telekinetycznego. Taki bowiem pulser będzie wysoce przydatny do samopodtrzymującego się ogniwa telekinetycznego, tj. takiego ogniwa które po mechanicznym zainicjowaniu samo podtrzymywałoby swoje dalsze działanie praktycznie w nieskończoność.


Część #I: Co dalej (już po zbudowaniu "ogniwa telekinetycznego"):

      

#I1. Skąd mamy pewność, że po zbudowaniu ogniwo telekinetyczne będzie działało jak tutaj opisane, generując nieograniczone ilości "darmowej energii":

Motto: Jeśli coś stanowi prawdę, wówczas potwierdzenia dają się dostrzec z każdego kierunku.

       Wielu dzisiejszych wysoce utytułowanych naukowców pobiera astronomiczne pensje za przywilej udowadniania maluczkim że urządzenia typu ogniwo telekinetyczne opisane na tej stronie nigdy nie będą działały. W entuzjaźmie więc radosnej nadprodukcji owi wysoce utytułowani naukowcy zasypali społeczeństwo lawiną oszczerstw i błędnych osądów których w chwili obecnej normalni ludzie nie mają jak zweryfikować - a stąd które muszą brać na wiarę, w rodzaju że na zadziałanie takich urządzeń nie pozwalają zasady termodynamiki, albo że reprezentują one nawrót do idei "Perpetum Mobile", itp. Każdy więc kto w chwili obecnej czyta tą stronę, zapewne jest ciekaw skąd ja jestem aż tak absolutnie pewny, że ogniwo telekinetyczne da się zbudować, zaś po zbudowaniu zadziała ono faktycznie tak jak to tutaj opisałem, dostarczając ludzkości dostęp do nieograniczonej ilości czystej i darmowej energii. Otóż moja pewność co do realności tego ogniwa wynika z następujących przesłanek:
       (1) Działające prototypy takich właśnie ogniw już zostały zbudowane na Ziemi i już istnieją. Są one wszakże najistotniejszymi podzespołami urządzeń o jakich piszę w punkcie #C1 tej strony, np. "telekinetycznych infuenzmaschines" zwanych "Testatica" oraz "Thesta-Distatica", a także "piramidy telepatycznej" - po opisy których patrz strona o urządzeniach darmowej energii. Ponadto, owo "radio kryształkowe" opisane w punkcie #G1 niniejszej strony faktycznie też zawierało prymitywny prototyp omawianego tutaj ogniwa wbudowany w jego obwody.
       (2) Że ogniwa te dadzą się zbudować i zadziałają, silnie dowodzą następstwa "przekleństwa wynalazców" opisanego w punkcie #M3 tej strony. Jak bowiem się okazuje, owa szatańska moc jaka stoi za owym "przekleństwem wynalazców" skupia swoje niszczycielskie działania tylko na tych wynalazcach i odkrywcach którzy pracują nad realistycznymi pomysłami. Jednocześnie wiadomo, że owo przekleństwo szczególnie usilnie prześladuje ludzi którzy pracują nad telekinetycznymi urządzeniami darmowej energii. Przykładowo już kilku budowniczych owych urządzeń straciło życie w dosyć tajemniczych okolicznościach - patrz w punkcie #M3 tej strony losy Austriaka Bela Brosan, oraz Nowo-Zelandczyka Bruce De Palma, oraz w punkcie #F1.2 losy Amerykanina Evana Hansena. Owo zaś uśmiercanie budowniczych telekinetycznych urządzeń darmowej energii dowodzi, że ta szatańska moc jest pewna iż mają oni dużą szansę aby odnieść sukces z tym co budują i dlatego tak bezwzględnie wykańcza ich po kolei.
       (3) Realność budowy tych ogniw jest gwarantowana autorytetem cywilizacji która przysyła nam receptury na zbudowanie tych urządzeń. Jak to wyjaśnione jest w traktacie [7/2] dla "piramidy telepatycznej", zaś w podrozdziale LA2.3.1 z tomu 10 monografii [1/5] dla "telekinetycznej influenzmaschine", dokładne wytyczne budowy wszystkich już istniejących na Ziemi urządzeń zawierających wbudowane w siebie ogniwa telekinetyczne, zostały nam przysłane. Ci zaś co nam przysyłają owe urządzenia gwarantują swoim autorytetem że po zbudowaniu będą one działały.
       (4) Realność zbudowania i zadziałania urządzeń w rodzaju opisanego tutaj ogniwa telekinetycznego wynika już z ustaleń dzisiejszej nauki ziemskiej. W chwili obecnej jest już doskonale wiadomo, że zasada Cornot'a o sprawności termodynamicznej (Drugie Prawo Termodynamiki) - na jakim to ustaleniach naukowi krytykanci urządzeń darmowej energii opierają wszystkie swoje zarzuty, w rzeczywistości okazała się być poważnym błędem nauki ziemskiej i wcale nie sprawdza się w rzeczywistości. Faktycznie też już obecnie zasada owa jest łamana przez cały szereg tzw. "heat pumps", czyli urządzeń których wydajność termiczna znacznie przekracza 100%. (Np. w reklamach owych "heat pumps" otwarcie już obecnie się mówi, że kiedy zużywają one jeden dolar elektryczności wówczas generują one ciepło warte 3 dolary.) Gdyby więc nie fakt, że wszystkie dotychczasowe sposoby zamiany ciepła na elektryczność lub na ruch mają bardzo niską sprawność, już obecnie owe "heat pumps" pozwalałyby na budowanie "perpetum motion" oraz urządzeń darmowej energii. Życie już obecnie więc udowadnia że argumenty owych naukowców krytykujących "Perpetum Mobile" są jednym stekiem bzdur i zamydlania ludziom oczu.
       (5) Praktycznie na temat wszystkich dotychczasowych przełomowych wynalazków na Ziemi, najróżniejsze "autorytety" wymądrzały się zanim te zostały zbudowane, że nie da ich się zbudować i że nie mają one prawa zadziałać. Jednak na przekór tego wynalazki owe były budowane i działały. Z telekinetycznym ogniwem jest więc podobnie. Ponieważ najróżniejsze "autorytety naukowe" same nie są w stanie nic nowego wymyślić, jednak usiłują się wykazać że nie biorą swoich wysokich pensji za darmo, ich głównym zajęciem jest więc krytykowanie tych co dokonują czegoś pomysłowego. Skoro zaś narazie ogniwa telekinetycznego nie daje się zakupić w sklepie, owe fotelowe "autorytety naukowe" nawzajem się prześcigają w zapewnianiu zwykłych ludzi, że takiego urządzenia nigdy nie da się zbudować. Tak zresztą czynili oni od zarania dziejów. Jakikolwiek przełomowy wynalazek by się nie rozważyło, zawsze się okazuje, że cała armia najróżniejszych "autorytetów naukowych" stwierdzała na jego temat iż nigdy nie będzie można go zbudować. W podrozdziale JB7.3 z tomu 7 monografii [1/5] przytoczyłem cały szereg takich autorytatywnych stwierdzeń zaprzeczających, dotyczących co bardziej znanych obecnie wynalazków. Dlatego wynalazek baterii telekinetycznej należy traktować jako kolejne z urządzeń którego losy potoczą się dokładnie tym samym torem - znaczy obecnie najróżniejsze "autorytety" wynalazek ten wyszydzają, w przyszłości zaś to owe autorytety będą wyszydzane za swoje obecne opinie.
       (6) Możliwość zbudowania i zadziałania urządzeń w rodzaju opisanego tutaj ogniwa telekinetycznego wynika też z przesłanek filozoficznych. W podrozdziałach JB7.3 oraz I5.4 z tomów odpowiednio 7 i 5 monografii [1/5], wyjaśniłem dokładnie filozoficzną zasadę totalizmu stwierdzjącą, że "każdy pozbawiony warunków cel jest osiągalny: my musimy jedynie znaleźć sposób, jak go zrealizować" (lub innymi słowami, że "wszystko co daje się pomyśleć daje się również zrealizować"). Jak zaś dotychczas, wszystko co totalizm postuluje okazuje się sprawdzać w rzeczywistym życiu. Dlatego zgodnie z ową filozoficzną zasadą totalizmu, możliwe jest więc zbudowanie również i ogniwa telekinetycznego.
       (7) Pewność że "ogniwo telekinetyczne" mojego wynalazku daje się zbudować i faktycznie działa tak jak to opisałem, wynika też z eksperymentalnych pomiarów "sprawności" "radia kryształkowego". Wyniki pomiarów owej "sprawności" radia kryształkowego, a także interpretację tych wyników, opisałem poniżej w punkcie #J2 tej strony. Nawet też tylko zgrubne ich przeglądnięcie, dostarcza podstaw do przełomu w naszej dotychczasowej wiedzy!!!
* * *
       Reasumując, na fakt że ogniwa telekinetyczne dają się zbudować wskazuje tyle zupełnie odrębnych i nie związanych ze sobą przesłanek, że trzeba być albo ślepym i głuchym aby ich nie odnotować, albo też trzeba być całkowicie pozbawionym inteligencji aby je ignorować. Ja osobiście jestem aż tak pewny że ogniwo owo da się zbudować i że będzie ono działało, że aby upowszechnić idee tego urządzenia wśród ludzi nie wahałem się wystawić dla niego własnego życia i własnej kariery zawodowej na wszystkie zagrożenia jakie wynikają z działania owego "przekleństwa wynalazców" opisanego w punkcie #M3 tej strony.


#I2. Korzyści jakie my osobiście odniesiemy poprzez poznanie działania ogniwa telekinetycznego:

       Każdy kto zdobył się na wysiłek dokładnego poznania działania ogniwa telekinetycznego odnosi z tego tytułu cały szereg długoterminowych korzyści. Ponieważ korzyści te wnoszą w sobie potencjał wprowadzenia ogromnie pozytywnej zmiany do jakości codziennego życia zarówno nas samych, jak i wszystkich ludzi na Ziemi, warto aby tutaj je wyliczyć i opisać. Oto więc najważniejsze z nich:
       (1) Otwarcie dla siebie możliwości podjęcia budowy ogniwa telekinetycznego. Aby coś szybko osiągnąć, trzeba dokładnie wiedzieć czego się chce i jak do tego będzie się zmierzało. Większość dzisiejszych budowniczych urządzeń darmowej energii nie ma pojęcia jaka jest zasada działania tego co zamierzają zbudować. Dlatego zapoznanie się z niniejszym opisem budowy i działania ogniwa telekinetycznego oddaje nam do dyspozycji źródło ogromnej przewagi nad innymi - mianowicie kompletną wiedzę jak to co chcemy zbudować będzie działało.
       (2) Otwarcie sobie drogi do zrozumienia zasady działania urządzeń darmowej energii których prototypy już zbudowano na Ziemi (przykładowo wszystkich urządzeń opisanych na odrębnej stronie o urządzeniach darmowej energii). Faktycznie bowiem wszystkie te urządzenia budowane są na zasadzie czysto empirycznych "prób i błędów", czyli zupełnie bez zrozumienia jaka jest ich zasada działania. Żaden też budowniczy tych urządzeń w rzeczywistości nie ma najmniejszego pojęcia dlaczego jego urządzenia działają. Wszakże aby zrozumieć ich zasadę działania, konieczna byłaby uprzednia dokładna znajomość teorii naukowej takiej właśnie jak Koncept Dipolarnej Grawitacji. Tymczasem teoria ta wcześniej nie istniała. Dopiero ja ją opracowałem. Zresztą nawet obecnie, kiedy teoria ta już istnieje i jest w stanie wytłumaczyć zasadę działania urzędzeń darmowej energii, większość budowniczych tych urządzeń wcale jej nie zna, ani nawet nie ma pojęcia o jej istnieniu.
       (3) Zrozumienie że idea tzw. "urządzeń darmowej energii" wcale nie jest mrzonką a faktycznie może zostać zrealizowana technicznie. Przykładowo, strona ta wyjaśnia, że dokładnie tak samo jak uprzednio działo się to już tysiące razy w historii rozwoju naszej techniki, również zbudowanie ogniwa telekinetycznego jest całkowicie realistyczne na przekór iż aż tyle autorytetów naukowych stara się wmówić ludziom że jest odwrotnie. Strona ta dostarcza też konkretnych przesłanek, w rodzaju tych z punktu #I1, że wynalazek ogniwa telekinetycznego jest realny i że po zbudowaniu ogniwo to będzie działało zgodnie z założeniami.


Część #J: Faktyczne pomiary "radia kryształkowego" potwierdziły jego "astronomiczną" sprawność na poziomie około 20 000 000 % - co eksperymentalnie dowodzi, że radio to rzeczywiście ma wbudowaną w siebie prymitywną wersję "baterii telekinetycznej":

 

#J1. Dlaczego pomiary ponad 100% sprawności "radia kryształkowego" są przełomowym dowodem:

Motto: "Jeśli potrzebujesz dowodu że oficjalna tzw. 'ateistyczna nauka ortodoksyjna' praktykuje kulturę 'błędów i wypaczeń', wówczas pomierz sprawność 'radia kryształkowego'."

       W grudniu 2011 roku, "radiowiec" z Polski pomierzył dokładnie "sprawność" tzw. "radia kryształkowego". "Sprawność" ta rzeczywiście okazała się aż tak "astronomicznie wyższa" od 100% (uważanych przez dotychczasową "ateistyczną naukę ortodoksyjną" za nieprzekraczalne), iż NIE daje się jej wytłumaczyć tylko jako np. "błędu pomiaru". Dlatego pomiar owej "sprawności" dostarczył pierwszego w świecie dowodu weryfikowalnego przez niemal każdego co bardziej uzdolnionego majsterkowicza, że faktycznie daje się budować urządzenia techniczne które generują więcej elektryczności niż jej spożywają. Jako taki, ów pomiar okazuje się wprowadzać przełom do ludzkiej wiedzy. Z tego więc powodu, wyjaśnię tutaj dokładniej dlaczego jest on aż tak istotny, oraz dlaczego ja sam NIE byłem w stanie go zrealizować. Dla naukowej ściśłości, swoje wyjaśnienia zacznę "od samego początku".
       W 1989 roku, bazując na wskazaniach wcześniej opracowanej przez siebie teorii nazywanej Konceptem Dipolarnej Grawitacji, w sposób świadomy, zamierzony i naukowy wynalazłem oraz dokładnie opisałem urządzenie techniczne które nazwałem "ogniwem telekinetycznym". Dokładnemu opisowi tego urządzenia poświęcona jest niniejsza strona. Z kolei okoliczności dokonania tamtego mojego świadomego wynalazku ogniwa telekinetycznego opisałem krótko m.in. w punktach #40 i #41 podrozdziału W4 z tomu 18 mojej najnowszej monografii [1/5]. Owo "ogniwo telekinetyczne" jest zdolne do generowania nielimitowanych ilości energii, bez konsumowania żadnego paliwa ani żadnej innej formy energii. Jako takie, owo "ogniwo telekinetyczne" wnosi potencjał do uratowania naszej cywilizacji od "energetycznej śmierci" ku której ludzkość narazie nieodwołalnie zdąża.
       W czasach wynalezienia owego ogniwa wierzyłem naiwnie, że zbawienna rola jaką będzie ono wypełniało w naszej cywilizacji, spowoduje iż natychmiast znajdą się ludzie i fundusze z pomocą których zdołam szybko urzeczywistnić ten przełomowy wynalazek. Kiedy jednak natychmiast po wynalezieniu "ogniwa telekinetycznego" energicznie zabrałem się do realizacji jego badań i budowy, nagle przeżyłem szok. Zamiast bowiem napotkać się z pomocą i zrozumieniem, doświadczyłem pełnej furii ludzkich zachowań które później nazwałem "przekleństwem wynalazców". Przekleństwo to zupełnie zniszczyło moje szanse na osobiste zrealizowanie "ogniwa telekinetycznego", czy urzeczywistnienia któregokolwiek innego z moich licznych wynalazków. Przykładowo, skróciło ono średni czasokres mojego zatrudnienia w tej samej instytucji do jedynie około 2 lat - tak że w pracy zawsze brakowało mi czasu aby choćby zaczynać budowę tego ogniwa. Przekleństwo to spowodowało też, że już po dokonaniu swych wynalazków, spędziłem 8 lat jako bezrobotny któremu NIE przysługuje nawet zasiłek dla bezrobotnych, a stąd który zmuszony był kierować całą swoją energię i całą wiedzę w znalezienie następnych zatrudnień. Bez przerwy stwarzało też ono na mojej drodze najróżniejsze przeszkody. Spuszczało z uwięzi niedoskonałości ludzi od których byłem zależny. Itd., itp. - po opisy działania tego "przekleństwa wynalazców" patrz punkt #B4.4 na odrębnej stronie o nazwie mozajski.htm, lub patrz punkt #M3 z dalszej części niniejszej strony.
       W takiej sytuacji jedynym racjonalnym działaniem było teoretyczne przekonanie innych, że zbudowanie mojego "ogniwa telekinetycznego" jest realne i że ogniwo to po zbudowaniu będzie faktycznie dostarczało ludzkości nieograniczonych ilości energii. Począwszy więc od 1990 roku, początkowo w moich monografiach, potem zaś również i na swoich stronach internetowych, zacząłem systematycznie publikować dokładne opisy "ogniwa telekinetycznego" swego wynalazku. Aby zaś udowodnić innym, że zbudowanie tego ogniwa jest realne i możliwe, zacząłem naukowo wyszukiwać i publikować opisy innych urządzeń już zbudowanych i działających na naszej planecie, z analizy budowy i działania których rozpoznałem, że ich wynalazcy, wcale o tym NIE wiedząc, przypadkowo wbudowali w ich obwody jakąś prymitywną wersję mojego "ogniwa telekinetycznego". Dzięki tym badaniom odszukałem i opublikowałem np. opisy takich urządzeń zaprezentowanych na stronie o nazwie free_energy_pl.htm, jak "testatica", "testa-distatica" i "piramida telepatyczna", a także opisy "radia kryształkowego" zaprezentowane na niniejszej stronie. Niestety, ponownie głową uderzyłem w mur sceptycyzmu i niewiary. Przykładowo, nikt NIE uwierzył moim uzasadnieniom, że to prymitywna wersja "ogniwa telekinetycznego" mojego wynalazku, przypadkowo wbudowana w obwody "radia kryształkowego", generuje całą energię wymaganą do zadziałania tego radia. Wszyscy woleli raczej wierzyć dzisiejszym tzw. "ateistycznym naukowcom ortodoksyjnym" którzy błędnie i wysoce szkodliwe wmawiają ludziom "naukowy mit", że "radio kryształkowe" czerpie energię wymaganą do zadziałania ze swej "anteny".
       Aby więc obalić i ten "naukowy mit", postanowiłem że muszę opublikować pomierzoną eksperymentalnie "sprawność" typowego "radia kryształkowego". Wszakże taką sprawność "s" (zwykle wyrażoną w %) typowo wylicza się z następującego wzoru - do którego w innych częściach tej strony referuję za pomocą jego numeru (1#J1):
s = (Pout/Pin)*100%
w którym to wzorze (1#J1): symbol "Pout" oznacza moc "na wyjściu" (out), symbol "Pin" oznacza moc "na wejściu" (in), zaś symbole " / " i " * " oznaczają arytmetyczne operacje dzielenia i mnożenia. Jeśli bowiem w "radio kryształkowe" faktycznie przypadkowo wbudowana została prymitywna wersja mojego "ogniwa telekinetycznego" - tak jak ja to odkryłem i rozgłaszam od wielu już lat, wówczas eksperymentalnie pomierzona sprawność "s" takiego radia kryształkowego musi być znacząco wyższa od 100%. Jeśli zaś radio kryształkowe działa tylko tak jak wmawiają to nam dzisiejsi "ateistyczni naukowcy ortodoksyjni", czyli jeśli jego praca jest podtrzymywana przez energię czerpaną z jego anteny, wówczas jego sprawność "s" musi być znacząco niższa od 100%. Niestety, wygląda na to że niemal aż do końca 2011 roku NIKT na całym świecie NIE pofatygował się aby eksperymentalnie pomierzyć ile faktycznie wynosi "sprawność" radia kryształkowego - a przynajmniej mi nigdzie NIE udało się znaleźć jakiejkolwiek choćby wzmianki o istnieniu wyników takich pomiarów. Nie można temu zresztą się dziwić. Wszakże dawni naukowcy wprawdzie mieli zapewne chęć dokonania takich pomiarów, jednak NIE znali ani metody pomiarowej która by im pozwalała wyznaczyć tą sprawność, ani też NIE dysponowali oprzyrządowaniem które by im pozwalało pomiary takie wykonać. Z kolei dzisiejsi naukowcy mają już zarówno przyrządy pomiarowe jak i metody pomiaru, jednak są zbyt leniwi, zbyt aroganccy i zbyt "zadufani w sobie" aby pomiary takie wykonać.
       Owo "przekleństwo wynalazców" spowodowało także, że ja sam tej sprawności "radia kryształkowego" też NIE byłem (ani nadal NIE jestem) w stanie wyznaczyć eksperymentalnie - i to z powodu aż kilku przeszkód jakie przekleństwo to postawiło na mojej drodze. Przykładowo, (1), ja sam obecnie NIE mam własnego działającego "radia kryształkowego" które mógłbym eksperymentalnie pomierzyć, ani NIE mam (i NIE miałem) warunków aby takie radio sam sobie zbudować i uruchomić. (Np. w Nowej Zelandii aby rozpiąć 30-metrową antenę jakiej wymaga zadziałanie takiego radia, trzeba być albo właścicielem własnego kawałka ziemi ponad którą antena ta będzie przebiegała, albo trzeba wynająć taki duży i drogi kawał ziemi oraz uzyskać zgodę jej wlaściciela na rozpięcie anteny - w mieście bowiem w którym ja wynajmuję swoje "mieszkanko z dykty", rozpięcie takiej prywatnej anteny groziłoby mi karą i poważnymi kłopotami - jakich posmak daje poczytanie np. z końcu punktu #C5 na stronie o nazwie seismograph_pl.htm o kłopotach które napotkałem kiedy samemu chciałem naprawić zwykłą swoją zepsutą pralkę, lub też poczytanie ze strony o nazwie boiler_pl.htm o przeszkodach jakie napotkał wynalazca tzw. "grzałki sonicznej" kiedy starał się uruchomić produkcję tej grzałki.) Na przekór więc, że jako mały chłopiec często "bawiłem się" uruchamianiem i słuchaniem "radia kryształkowego" (które należało do mojego brata), a stąd doskonale wiem jak radio takie zbudować i obsługiwać, niestety, sytuacja w której obecnie się znajduję uniemożliwia mi zbudowanie i uruchomienie takiego radia. Ponadto, (2), pomimo poszukiwań w literaturze, NIE udało mi się znaleźć opisów metody jaką można dokładnie pomierzyć moc wejściową "Pin" z anteny do radia. (Wiem tylko jak zmierzyć moc "Pout" na wyściu do słuchawek. Wszakże, nawet NIE mając wymaganych słuchawek o oporności ponad 2000 Ohmów, ciągle moc taką mógłbym pomierzyć na dowolnych innych słuchawkach, pamiętając słuchowo jaką głośność dawały słuchawki w radiu kryształkowym mojego brata, oraz zakładając zgrubie że z uwagi na działanie "Zasady Zachowania Energii", każde inne słuchawki dające podobną głośność powinny konsumować w przybliżeniu podobną ilość energii elektrycznej.) W końcu, (3), nawet gdyby udało mi się znaleźć gdzieś opisy metody pomiaru mocy wejściowej "Pin" z anteny do radia, ciągle w mojej sytuacji NIE sądzę abym mógł sobie pozwolić na zakupienie ze swoich oszczędności (drogich) przyrządów pomiarowych które umożliwiłyby mi dokonanie wymaganych pomiarów. Jedynym więc sposobem dokonania takich pomiarów sprawności "s" radia kryształkowego było nakłonienie czytelników moich stron internetowych i publikacji, aby to oni je dokonali - jeśli oczywiście mają takie możliwości, oprzyrządowanie oraz, co najważniejsze, wymaganą do tego wiedzę.
       Niestety, przez całe 22 długich lat jakie w międzyczasie upłynęły od 1989 roku w którym dokonałem świadomego wynalazku "telekinetycznego ogniwa", nikt NIE odpowiedział na moje zachęty aby eksperymentalnie pomierzyć sprawność "radia kryształkowego". Jedyne co w tej sprawie słyszałem, to przeciwstawne do ustaleń filozofii totalizmu nieustające "wymądrzanie się" najróżniejszych "fotelikowych aj-staj-nów", że "radio kryształkowe działa tylko ponieważ moc jaką ono konsumuje jest mu dostarczana przez antenę", a także że jakoby "nauka bezspornie udowodniła że NIE da się zbudować urządzenia które będzie generowało energię bez konsumowania paliwa lub jakiejś innej formy energii". Dopiero w grudniu 2011 roku, ku mojemu niewypowiedzianemu zadowoleniu, po 22 latach bezczynności i bezproduktywnego powtarzania wymądrzeń, znalazł się w końcu na tyle konstruktywnie myślący i działający Polak, że był on w stanie takie pomiary wykonać i nawet ochotniczo podjął się ich wykonania. Można więc powiedzieć, że wszystkim nam on "spadł z nieba" - jako że jego pomiary wywrą zapewne znaczący wpływ na dalsze losy "ogniwa telekinetycznego", a stąd również na dalsze losy Polski, Polaków, oraz całej naszej cywilizacji. Następny punkt tej strony poświęcę więc teraz opisowi jego dokonań i wyników jakie otrzymał.


#J2. Pomiar sprawności "radia kryształkowego" wykonany i opisany mi przez polskiego "radiowca":

       W grudniu 2011 roku skontaktował się ze mną "radiowiec" z Polski który twierdził że zarówno zna metodę pomiaru mocy podawanej na "radio kryształkowe" przez antenę tego radia, jak i posiada przyrządy pomiarowe które umożliwiają mu pomiar owej mocy. W ten sposób otworzył on dla nas pierwszą szansę na faktyczne dokonanie eksperymentalnych pomiarów sprawności (1#J1) radia kryształkowego: s=(Pout/Pin)*100%.
       Metoda pomiarów mocy "Pin" stosowana przez owego "radiowca" okazuje się bardzo prosta. Mianowicie, dla "radia kryształkowego" odbierającego fale wielkiej częstotliwości, pomiar mocy "Pin" sprowadza się do pomiaru spadku napięcia "U" na znanej nam impedancji "R" istniejącej pomiędzy "anteną" a "uziemieniem" tego radia. (Odnotuj że "impendancja" jest to nazwa która w prądzie zmiennym stanowi odpowiednik "oporności" z prądu stałego.) Dla dowolnego zaś innego radia, sprowadza się ona do pomiaru spadku napięcia "U" na odczepie rezonansowego obwodu wejściowego o znanej nam impedancji "R". Mając zaś to napięcie "U" i impendancje "R", moc wejściowa "Pin" do radia (a także i moc wyjściowa "Pout" z radia) daje się wyliczyć albo ze wzoru numer (1#J2) definiującego moc elektryczną:
P = U*I
albo ze wzoru numer (2#J2) reprezentującego podstawienie prądowej formy "Prawa Ohma" (I=U/R) do poprzedniego równania (1#J2) definiującego moc elektryczną (P=U*I):
P = (U2)/R
albo też ze wzoru numer (3#J2) reprezentującego podstawienie napięciowej formy "Prawa Ohma" (U=I*R) do równania (1#J2) definiującego moc elektryczną (P=U*I):
P = (I2)*R
Odnotuj, że w powyższych wzorach: symbol * oznacza arytmentyczne mnożenie, symbol / oznacza arytmentyczne dzielenie, zaś symbole (U2) oraz (I2) oznaczają podnoszenie do kwadratu.
       Z kolei pomiaru np. spadku napięcia "U", czy prądu "I", daje się dokonać z pomocą dowolnego przyrządu zdolnego pomierzyć bardzo małe napięcia (rzędu mikro-voltów) lub bardzo małe natężenia (rzędu mikro-amperów) - np. z pomocą "mikrowoltomierza selektywnego LMZ-4", czy dokładnego mikroamperomierza.
       Niniejszym przytaczam więc wyniki jego pomiarów mocy "Pin" na wejściu do radia kryształkowego - cytuję z jego emailów: Antena zawieszona ok. 30 m nad ziemią 210 m npm długość ok. 80 mb. Wykonano trzy pomiary na f=225 kHz na impedancji 50 Ohm trzema różnymi urządzeniami, w tym również odbiornikami komunikacyjnymi "Yaesu FT-847" i "Kenwood TS-450S", oraz wspomnianym wcześniej mikrowoltomierzem selektywnym LMZ-4. Średnia wyników, nieodbiegających od siebie, to około U = 170 mikrovoltów.
       Z prostego wyliczenia wynika więc moc "Pin": Uw.cz.= 170x10-6 podniesione do kwadratu i dzielone przez R = 50 daje Pin = 0,000 000 000 578 Wata, albo Pin = 578 pW.

       Aby umożliwić wyliczenie sprawności "s", a także aby zweryfikować prawdę owego mojego założenia-twierdzenia opisanego w punkcie #J1 tej strony, że "niezależnie od typu i impendancji słuchawek lub głośników, Zasada Zachowania Energii musi powodować, że mają one w przybliżeniu podobny pobór mocy dla wygenerowania dźwięków o danym (znanym) poziomie głośności", ów "radiowiec" z Polski dokonał również pomiarów "Pout" na słuchawkach dwóch typów, mianowicie na słuchawkach typu SN50 (o dzisiejszej konstrukcji i o impendancji 2x400 Ohm), oraz na słuchawkach typu SW50PM (o dawnej konstrukcji używanej w "radiach kryształkowych" oraz impendancji rzędu 2x2 kOhm). Pozwolę więc sobie powtórzyć tu także fragmenty jego emailów które opisują wyniki pomiarów mocy wyjściowej "Pout" dla obu tych typach słuchawek. Zacznijmy od słuchawek nisko-oporowych typu SN50: Generator Meratronik G432 użyte wyjście coax 50 Ohm na zakresie x 0,01 . Miernik również Meratronik V640 na zakresie m.cz. 15 mV . Słuchawki Tonsil SN50 mają 2x400 Ohm połączone szeregowo R = 800 Ohm. Wysterowanie podnosiłem płynnie do poziomu normalnej, niezagłośnej słyszalności na częstotliwości 1 kHz. Uznałem, ze rozsądny poziom głośności osiągnięty jest przy Um.cz. = 10 mV mierzonej na podłączonych słuchawkach. Uwzględniając fakt, że słuchawki nie reprezentują czystej oporności, szczególnie na f=1 kHz, czujnie zmierzyłem prąd "I" przez nie płynący. Uznałem, że "I" jest proporcjonalny do pobieranej mocy. Drugim miernikiem V640, również na m.cz na zakresie 15 mikroAmper. Zmierzona wartość to około I = 10 mikroAmper.
       Obliczenie mocy "Pout" z wzoru (2#J2): Um.cz. = 10 mV podniesione do kwadratu i podzielone na R = 800 Ohm daje Pout = 125 mikroWatów. Moc "Pout" liczona z wzoru (3#J2): I = 10 mikroAmper do kwadratu razy R = 800 Ohm, wychodzi Pout = 80 nanoWatów. I jeszcze proste P=UxI z wzoru (1#J2): 10 mikroAmper razy 10 miliVoltów równe Pout = 100 nanoWatów.

       Jako że dokonał on również pomiarów "Pout" na słuchawkach starego typu SW50PM, pozwolę sobie powtórzyc tu także fragmenty jego emailów opisujących wyniki pomiarów mocy wyjściowej "Pout" na owych słuchawkach wysoko-oporowych. Układ pomiarowy jak poprzednio tyle że ze słuchawkami wysokoomowymi z membraną stalową. Producent słuchawek RSP typ/model SW50PM opisany na plastikowej wyściółce połączone 2x2 kOhm szeregowo = 4 kOhm. Generator G432 Meratronik, zakres x0,1 wyjście coax f=1kHz. Mierniki V640, pomiar m.cz. Napiecie zmierzone na słuchawkach przy rozsądnej słyszalności U = 75 mV. Prąd słuchawek I = 4 mikroAmpery.
       Liczymy. Ze wzoru (2#J2) napięciowe Pout = 75 mV do kwadratu dzielone przez 4000 Ohm daje Pout = 0,00000140625 Wata przyjmujemy 1,5 mikroWata. Ponownie uwzględniając fakt, że słuchawki nie reprezentują czystej oporności, ze wzoru (3#J2) liczymy też prądowe Pout = 4 mikroAmpery do kwadratu razy 4000 Ohm daje Pout = 0,000000064 Wata przyjmujemy Pout = 60 nanoWatów. Ze wzoru zefinicyjnego mocy (1#J2) Pout = 75mV razy 4 mikroAmpery daje Pout = 0,0000003 Wata znaczy Pout = 300 nanoWatów.
       Różnice wynikają z przyjętej metody pomiaru bez uwzględnienia impedancyjnego charakteru obciążenia. Ale rząd wielkości jest porównywalny dla obu typów słuchawek, tj. dla SN50 i SW50PM. Zatem możemy przyjąć bez wiekszego błędu, że do sensownego wysterowania słuchawek SN50 o impendancji 2x400 Ohm, oraz słuchawek SW50PM o impendancji 2x2 kOhm, potrzeba mniej wiecej tyle samo mocy elektrycznej. Po zamianie w przetwornikach na energie akustyczną daje efekt dobrej słyszalności. Ucho jest czułe, wystarczy na pewno.

       Mając obie te moce, tj. "Pin" oraz "Pot", daje się więc już teraz zgrubnie wyliczyć "sprawność" radia kryształkowego, używając poprzedniego wzoru numer (1#J1), oraz akceptując tamto poprzednie założenie, że moc wyjściowa podawana przez typowe "radio kryształkowe" jest w przybliżeniu równa mocy na tutaj pomierzonych słuchawkach. Jak się jednak okazuje, zależnie od metody pomiaru tej mocy jej wartość (a stąd i sprawność radia) może znacząco się różnić. Wyliczenie tej sprawności "s" np. z pomiarów napięciowych, ujawnia że "radio kryształkowe" napięciowo może pracować ze sprawnością rzędu s = 20 000 000 % (tj. około dwadzieścia milionów procent). Czyli radio kryształkowe dawało na swoim wyjściu moc "Pout" wyliczoną z równań napięciowych, która była rzędu 200000 razy wyższa od mocy "Pin" pobieranej na wejściu do tego radia. Innymi słowy, wyniki eksperymentalnych pomiarów bilansu mocy "radia kryształkowego" potwierdzają, że to prymitywana wersja "ogniwa telekinetycznego" przypadkowo wbudowana do obwodów "radio-odbiorników kryształkowych" generuje ilość energii elektrycznej wymaganej do pracy tych odbiorników, NIE pobierając w tym celu żadnej innej formy energii. Najwyższy więc czas aby zakasać teraz rękawy i podjąć energiczne prace badawczo-rozwojowe nad przetransformowaniem tego "radia kryształkowego" w pełnosprawne "ogniwo telekinetyczne" mojego wynalazku - tak jak opisuje to "część #H" tej strony. Wszakże zbudowanie tego ogniwa uratuje naszą cywilizację przed "śmiercią energetyczną" jaka jej coraz poważniej "zagląda w oczy" - nie wspominając już o tym że szybko zamieni ono też budowniczego w milionera.
       Powyższy opis jest pierwszym raportem ze wstępnego pomiaru sprawności "radia kryształkowego" jaki jestem w stanie udostępnić zainteresowanym czytelnikom. Osobiście mam jednak nadzieję, że ten pierwszy pomiar jest tylko początkiem długoterminowej współpracy mojej i owego polskiego "radiowca" - dla dobra zarówno naszego kraju jak i całej ludzkości. Mam też nadzieję, że współpraca ta umożliwi w przyszłości dokładne pomierzenie i innych wielkości istotnych dla efektywnego zbudowania "telekinetycznego ogniwa". Jeśli zaś taką współpracę uda nam się utrzymać długoterminowo, wówczas zapewne w przyszłości będę miał tu także do zaraportowania znacznie więcej, oraz znacznie dokładniejszych, wyników pomiarów, a również (jeśli ów "radiowiec" na to się zgodzi) i jego kontakt emailowy. (Ponieważ w międzyczasie jestem jednak zobowiązany aby utrzymywać jego anonimowość, czytelnicy którzy zechcą się z nim skontaktować już teraz mogą do niego napisać za pośrednictwem mojego emaila - zaś ja mu odeślę adresowaną do niego korespondencję.) Rekomenduje więc zainteresowanym czytelnikom aby wkrótce ponownie zaglądnęli do tego punktu - bowiem w międzyczasie być może coś jeszcze bardziej istotnego, lub precyzyjniej pomierzonego, będzie mogło tu być opublikowane.


#J3. Apel do hobbystów i naukowców:
"powtórz pomiary i przekonaj się sam"!

Motto: We wskazania teorii typowo nikt NIE wierzy - za wyjątkiem jej autora, w wyniki pomiarów eksperymantalnych typowo wierzą wszyscy - za wyjątkiem ich autora."

       Nic tak NIE przekonuje ludzi jak wyniki eksperymentalnych pomiarów. Dlatego niniejszym mam następujący apel do każdego kto ma warunki, mierniki elektryczności i wymagane umiejętności aby dopomóc w "wykuwaniu postępu" poprzez dołożenie swojego wkładu do budowy "ogniwa telekinetycznego". Apel ten stwierdza: "przeprowadź własne pomiary sprawności radia kryształkowego aby sprawdzić i dodatkowo potwierdzić wyniki opisane powyżej, a w ten sposób aby także przekonać i upewnić m.in. siebie samego". Kiedy zaś raz będziesz już miał takie radio, nic NIE będzie stało na przeszkodzie abyś przekonstruował je w "ogniwo telekinetyczne" mojego wynalazku - oczywiście dotrzymując przy tym owych 3ch prostych warunków, jakich dotrzymania zastrzegłem m.in. w punkcie #H1 niniejszej strony.


Część #K: Fizyczne zbudowanie "ogniwa telekinetycznego":

 

#K1. Tak oto wszystko gotowe do podjęcia budowy ogniwa telekinetycznego:

       Skoro eksperymentalne pomiary sprawności "radia kryształkowego" (które to radio zawiera w sobie prymitywną wersję "ogniwa telekinetycznego") udowodniły nam niezbicie, że faktycznie takie ogniwo jest w stanie generować prąd elektryczny bez konsumowania jakiejkolwiek innej formy energii, czas teraz aby rozpocząć prace badawczo-rozwojowe nad faktycznym zbudowaniem tego mojego wynalazku. Czekam na ewentualne propozycje współpracy w tej sprawie!


Część #L: Przewidywany wpływ "ogniwa telekinetycznego" na naszą cywilizację:

 

#L1. Jak zbudowanie ogniwa telekinetycznego zmieni naszą cywilizację:

       Jeśli wbuduje się takie telekinetyczne ogniwo w lampę stołową otrzymuje się "wieczną lampkę". Z kolei jeśli wbudować takie ogniwa w samochód elektryczny otrzyma się samochód który będzie nas wszędzie dowoził nie wymagając żadnego paliwa ani doładowania akumulatorów. Wentylator, radio, czy telewizor z takim ogniwem może działać w nieskończoność. Itd., itp. Zbudowanie tego ogniwa zmieni więc nasze życie nie do poznania. Wszakże ogniwo telekinetyczne dostarczy nam podstawowego podzespołu do budowy "wiecznych lampek", samochodów bez zasilania, wentylatorów które mogą działać w nieskończoność, czołgów, łodzi podwodnych, statków i samolotów, które będą miały nieograniczony zasięg, itd., itp.
       Znacznie więcej informacji na temat jak wdrożenie ogniwa telekinetycznego do masowej produkcji zmieni naszą cywilizację, zawarte zostało w podrozdziale LA2.3.2 z tomu 10 monografii [1/5], a także w punkcie #B4 odrębnej strony internetowej o nazwie strefa wolna od telekinezy. Radzę tam zaglądnąć - szczególnie jeśli ktoś rozpocznie już wdrażanie tego urządzenia do masowej produkcji.
       Niestety, podobnie jak każda inna nowa technologia, również ogniwa telekinetyczne przyniosą ludzkości zarówno dobre jak i złe następstwa. W przeciwieństwie jednak do poprzednich technologii, kiedy ludzkość tak była zapatrzona w ich dobre następstwa, że nie starała się nawet przewidzieć jakie będą owe niekorzystne ich konsekwencje oraz jak można ich unikać, obecnie lepiej już wiemy czego mamy się spodziewać. Powinniśmy więc uczyć się na własnych błędach i tym razem z ogniwem telekinetycznym nie powtarzać już tego samego błędu co ludzkość popełniła z antybiotykami, pestycydami, czy z inżynierią genetyczną. Dlatego, jako wynalazca, edukator i promotor ogniwa telekinetycznego, na mocy swojej wiedzy na temat tej nowej technologii niniejszym postuluję, że równocześnie z wdrożeniem do produkcji ogniwa telekinetycznego, producenci tego urządzenia mają moralny obowiązek aby ochotniczo ustanowić na Ziemi tzw. "strefę wolną od telekinezy" (po angielsku "telekinezis free zone"). Szczegóły tej strefy wyjaśniłem na odrębnej stronie internetowej o nazwie strefa wolna od telekinezy. Jej głównym atrybutem byłoby, że w strefie tej nie wolno byłoby ani używać ani nawet posiadać żadnych urządzeń telekinetycznych. Wszyscy przyszli producenci i sprzedawcy tych urządzeń od pierwszego momentu ich wyprodukowania mają więc moralny obowiązek aby nałożyć ochotnicze embargo na sprzedaż i upowszechnianie tych urządzeń w obrębie owej strefy. Z wielu istotnych powodów, takich jak naturalne granice morskie, niskie zaludnienie, odległość od głównych centrów cywilizacyjnych, unikalna przyroda, długa tradycja strefy wolnej od czegoś, itp., proponuję aby strefa wolna od telekinezy rozciągnięta została na obszar dzisiejszej Australii i Nowej Zelandii.


#L2. Moralna odpowiedzialność producentów pierwszych ogniw telekinetycznych za moralne przebudowanie naszej cywilizacji:

       Ogromna odpowiedzialność spoczywa na barkach tych osób które jako pierwsze na naszej planecie wprowadzą opisywane tutaj ogniwa telekinetyczne do masowej produkcji. Mianowicie, przełom jaki bateria telekinetyczna spowoduje w myśleniu ludzi oraz w technice na Ziemi, powinien być przez tych pierwszych producentów ogniw telekinetycznych wykorzystany do równoczesnego wprowadzenia na Ziemi także i przełomu moralnego. Aby zaś taki przełom moralny mógł mieć miejsce, jest absolutnie koniecznym aby na Ziemi najpierw upowszechnić wśród ludzi umiejętność wypracowywania dla siebie totaliztycznej nirwany, potem zaś aby nirwaną tą stopniowo zastąpić funkcję dzisiejszych pieniędzy. W ten sposób po pełnym zrealizowaniu tego przełomu moralnego, nasza cywilizacja przestałaby używać pieniędzy jako środka płatniczego, zaś ludzie pracowaliby po prostu po to aby wypracować dla siebie totaliztyczną nirwanę.
       Aby z sukcesem wywiązać się z tego przełomowego zadania moralnego przebudowania naszej cywilizacji, ja osobiście sugeruję, że około 10% zysków ze sprzedarzy "ogniw telekinetycznych" powinno być kierowane na specjalny "fundusz dra Pająka" opisywany już w punkcie #H1 tej strony. Z owego funduszu zakupywane zaś moglyby być np. gospodarstwa rolne oraz najróżniejsze przetwórnie produktów rolnych w rodzaju młynów, piekarni, stołówek, itp. Następnie w uformowanym w ten spowób systemie produkcji żywności powinni być zatrudniani zupełnie bez odpłatności wszyscy ochotnicy którzy chcieliby wypracować dla siebie totaliztyczną nirwanę. Ochotnicy ci zatrudniani byliby w sposób podobny jak kiedyś miało to miejsce z tzw. "Junakami". Faktycznie też reprezentowaliby oni nawrót do dawnej idei Junaków pracujących za darmo dla dobra innych ludzi. Mianowicie, w zamian za pracę fizyczną jaką wykonywaliby oni dla dobra innych ludzi, dawane byłoby im za darmo wszystko co tylko by oni potrzebowali do życia, a więc zakwaterowanie, wyżywienie, ubrania, narzędzia pracy, rozrywki, itp. Natomiast ich praca generowałaby dobra konsumcyjne w rodzaju produktów rolnych, chleba, obiadów, wyrobów cukierniczych, itp. Dobra te następnie oferowane byłyby również zupełnie za darmo początkowo jako pomoc dla inwalidów, sierocińców, domów dziecka, szpitali, rodzin bezrobotnych, itp., zaś kiedy produkcja by się odpowiednio zwiększyła - również dla pozostałych kategorii ludności. W ten sposób praca którą bez wynagrodzenia owi "Junacy" wykonywaliby dla dobra innych ludzi, byłaby pracą absolutnie moralną a stąd generującą u nich najwyższy poziom motywacji. Jako taka, praca ta szybko generowałaby totaliztyczną nirwanę u owych Junaków. Praca ta pogłębiałaby też zrozumienie nirwany w całym społeczeństwie. Jednocześnie też szybko powiększałaby ona zasobność, szczęście i poczucie bezpieczeństwa całego społeczeństwa.
       W taki oto sposób, bazując na funduszach wygospodarowanych ze sprzedaży ogniw telekinetycznych, możliwe byłoby dokonanie przełomu moralnego w całym naszym społeczeństwie - tak jak to opisano w punkcie #D1 strony o totaliztycznej nirwanie, a także w punkcie #A2 strony o politycznej partii totalizmu.


Część #M: Dlaczego w interesie Boga naprawdę leży "przeszkadzanie" odkrywcom, wynalazcom, oraz innym twórczym ludziom, NIE zaś "pomaganie" im:

 

#M1. Z perspektywy Boga "rozumne przeszkadzanie" okazuje się korzystniejsze niż "ślepe pomaganie" - przykładowo wypełnia ono podobną rolę jak dla ludzi wypełnia nakładanie praw "copyright":

       Ciekawe czy czytelnik kiedykolwiek się zastanawiał dlaczego ludzie ustanowili m.in. tzw. prawa "copyright"? Jak się okazuje, podstawowym powodem wprowadzenia praw copyright, a także wprowadzenia tajemnic przemysłowych, sekretów zawodowych, chronionych receptur, patentów, zastrzeżonych wzorów przemysłowych, oraz setek innych utrudnień kopiowania, jest ponieważ naturalne prawa i zasady na jakich wszechświat działa powodują iż poznawanie, kopiowanie i wykorzystywanie cudzego jest znacznie łatwiejsze od wymyślenia czegoś nowego i stworzenia czegoś własnego. To zaś, w połączeniu z wrodzonym lenistwem ludzi, powoduje że jeśli tylko istnieje jakakolwiek możliwość aby coś cudzego dało się skopiować lub ukraść i użyć, zamiast pracowicie wymyślać, tworzyć, czy budować swoje własne, wówczas wszyscy natychmiast to kopiują lub kradną. Najlepszym przykładem tej ludzkiej tendencji są rozliczne wynalazki, odkrycia i opracowania które najróżniejsze narody ukradły Polakom i zaczęły rozgłaszać po świecie jako własne - kilka ich przykładów przytoczyłem na stronie mozajski.htm - np. patrz tam punkty #I3 do #I5. Gdyby więc ludzie nie zaczęli nawzajem sobie przeszkadzać w łatwym dokonywaniu kopiowania i podkradania, m.in. poprzez ustanawianie owych praw copyright, własności intelektualnych, zastrzeżeń, patentów, tajemnic, itp., wówczas wszyscy by wyłącznie kopiowali i używali cudze, zaś nikt NIE chciałby pracowicie tworzyć swego własnego.
       Największym twórcą jaki tylko istnieje, jest sam Bóg. Wszakże to Bóg wymyślił wszystko co znamy, oraz stworzył wszystko co wokół widzimy. Niestety, dla wielu istotnych powodów Bóg nie może ponakładać praw "copyright" na swoją twórczość. Tymczasem naturalne prawa i zasady działania wszechświata powodują, że ludziom znacznie łatwiej przychodzi poznawanie, kopiowanie i używanie tego co Bóg stworzył, niż Bogu przyszło wymyślanie tego lub przychodzi wymyślanie czegoś zupełnie nowego i następnego. Gdyby więc Bóg pozwolił ludziom łatwo poznawać, używać i kopiować to co Bóg pracowicie stworzył, wówczas ludzie szybko by poznali i nauczyli się korzystać ze wszystkiego co tylko Bóg stworzył. Bóg zaś przestałby mieć przewagę wiedzy nad ludźmi. Nie ostałoby też się już nic nowego do poznania we wszechświecie. (Stąd Bóg byłby wtedy zmuszony zakończyć ten świat i stworzyć na jego miejsce następny świat, który byłby już znacznie bardziej zaawansowany i złożony.) Aby więc spowolnić nieco proces poznawania przez ludzi, Bóg wprowadził ten niezbyt dla ludzi przyjemny kanon (zasadę) do swogo postępowania, mianowicie że proces poznawania i tworzenia musi być utrudniany ludziom i spowalniany na kilka inteligentnie nadzorowanych sposobów. Oczywiście, jak dla każdej zasady którą Bóg stosuje w swoim postępowaniu, również dla stosowania z żelazną konsekwencją i tego kanonu istnieje aż kilka dodatkowych powodów i uzasadnień. Niektóre z owych dalszych uzasadnień i powodów opisane zostały m.in. w punktach #B4.4 i #H1 strony mozajski.htm, w punkcie #G3 totaliztycznej strony o nazwie eco_cars_pl.htm, czy w punkcie #A3 odrębnej totaliztycznej strony god_proof_pl.htm.
       Żelazne stosowanie przez Boga kanonu, że "proces poznawania i tworzenia musi być utrudniany ludziom na kilka inteligentnie nadzorowanych sposobów", dla nas ludzi wprowadza cały szereg następstw. Przykładowo, w odniesieniu do nauki ziemskiej kanon ten ma to następstwo, że ze wszelkich możliwych dróg poznawania nowej wiedzy, nauka ziemska zawsze jest kierowana na drogę która wiedzie przez największą liczbę błędów i pomyłek oraz która wymaga włożenia możliwie największego wysiłku ludzkiego. Innymi słowy, oficjalna nauka ziemska odkrywa prawdę dopiero wówczas kiedy całkowicie wyczerpują się wszelkie możliwe nieprawdy jakie mogły ją zwieść - po przykład tej sytuacji patrz punkt #A1 z odrębnej totaliztycznej strony evolution_pl.htm. Ponadto, oficjalna nauka wdrożyłą wobec twórców takie zasady działania oraz adoptowała takie tradycje, że odkrywanie prawdy wymaga od twórców poruszania się po tzw. "linii największego oporu" - a stąd konsumuje ono możliwie największy wysiłek jaki tylko Bogu daje się od ludzi wydusić. Z kolei dla indywidualnych twórców, żelazne stosowanie tego konanu powoduje, że aby dany twórca opracował coś nowego i moralnego, najpierw musi przełamać wszelkie możliwe przeszkody jakie tylko Bóg jest w stanie postawić na jego drodze. (Tj. aby wprowadzić postęp, ludzki wynalazca musi jakoś "wygrać z Bogiem" który używa zbioru "dalekowzrocznych zasad" i tzw. "przekleństwa wynalazców", jakimi Bóg stara się powstrzymać danego wynalazcę przed dokonaniem tego co wynalazca ten zamierzał.)
       W tym miejscu warto podkreślić, że faktyczne działanie tego kanonu o "boskim przeszkadzaniu ludziom" daje się relatywnie łatwo potwierdzić. Wynika to z faktu, że historia nauki oraz koleje losów poszczególnych odkryć i wynalazków musiałyby być drastycznie odmienne we wszechświecie który NIE jest stworzony ani rządzony przez Boga, a stąd w którym taki kanon o boskim przeszkadzaniu by NIE działał, od tej samej historii i losów we wszechświecie w którym Bóg wprowadził ten kanon. Przykładowo, we wszechświecie bez Boga i bez tego kanonu, odkrycia i wynalazki miałyby wyłącznie "przypadkowy" charakter, zaś pracochłonność ich dokonywania ani losy ich twórców NIE wykazywałyby wyraźnego trendu charakteryzowanego męczarnią, utrudnieniami, przeszkodami, pomyłkami, błądzeniem, itp. - które są tak typowe dla wszystkich znanych nam ziemskich wynalazków i odkryć o moralnym charakterze (tj. od wynalazków i odkryć które konstytułują tzw. "prawdziwy postęp" opisany w punkcie #G4 z totaliztycznej strony internetowej o nazwie eco_cars_pl.htm - a więc które zasadniczo różnią się od wynalazków i odkryć formujących tzw. "fałszowany postęp" - w rodzaju tego generowanego np. przez "teorię względności"). Tymczasem faktyczne istnienie i działanie na Ziemi "kanonu o konieczności przeszkadzania w procesach poznawania i tworzenia", staje się wyraźnie widoczne i pewne właśnie po historii i po sytuacji oficjalnej nauki ziemskiej, oraz po losach poszczególnych odkryć i wynalazków. Jeśli bowiem dokładniej się przyglądnąć historii owej nauki, wówczas się okazuje, że na praktycznie każdym polu zawsze popełnia ona maksymalnie możliwą liczbę błędów i pomyłek. Bez przerwy nauka też zmuszona jest poprawiać to co wcześniej oficjalnie ustalono i twierdzono. Z kolei w losach odkryć i wynalazków o moralnym charakterze nieustannie widać powtarzalny trend, że zawsze są one powstrzymywane, zaś ich twórcy zawsze są spektakularnie karani. Owo karanie moralnie działających wynalazców i odkrywców jest aż tak powszechne i tak rzucające się w oczy, że wolno nam je nazywać "przekleństwem wynalazców" - opisywanym w punkcie #M3 niżej na tej stronie, a także w "części #G" totaliztycznej strony internetowej eco_cars_pl.htm, w punkcie #H1 na stronie internetowej newzealand_visit_pl.htm, w punktach #D1 i #F1 na stronie internetowej boiler_pl.htm, oraz w punktach #B4.4 i #H1 na stronie internetowej mozajski.htm.
       Przykładem który doskonale obrazuje nam ową drogę oficjalnej nauki do poznania poprzez maksymalną liczbę błędów i pomyłek, jest tematyka "podróży w czasie". Z jednej strony mamy wszakże empiryczne dowody, fotograficzne przykłady, oraz szczegółowe wyjaśnienia jak podróżować przez czas. Przyjmują one postać obserwacji i zdjęć wehikułów UFO które już obecnie podróżują przez czas, a także opisów zasad podróżowania przez czas dostarczanych nam przez ową oficjalnie odrzucaną teorię wszystkiego zwaną Konceptem Dipolarnej Grawitacji. Przykłady owych zdjęć UFO, a także realistycznych opisów zasad podróżowania przez czas razem z opisem empirycznych dowodów na poprawność tych zasad, przytoczone są m.in. w punktach #D4 do #D7 z totaliztycznej stron internetowej o nazwie immortality_pl.htm. Z kolei logiczne i filozoficzne argumenty dokumentujące dlaczego podróżowanie przez czas jest możliwe i nawet relatywnie łatwo osiągalne, są zaprezentowane w punktach #J3 do #J6 totaliztycznej strony o nazwie wszewilki_jutra.htm, oraz uzupełnione o dodatkowe wyjaśnienia i dowody w punktach #C4 i #E8 totaliztycznej strony soul_proof_pl.htm. Z drugiej zaś strony mamy "oficjalne naukowe stanowisko" w sprawie podróżowania przez czas. Jest ono aż tak pełne wszelkich możliwych błędów, paradoksów, zaprzeczeń, wzajemnych kontradykcji, naiwnych stwierdzeń, oraz nierealistycznych oczekiwań, jak tylko daje się to zmieścić w tak wąski temat. Przykładowo, niektórzy fizycy postulują użycie kosmicznych tzw. "czarnych dziur" jako wehikułów czasu. Nie wyjaśniają jednak jak po wsiądnięciu w swoje "czarne dziury" będą potem z nich wysiadać. Inni postulują aby dla podróży przez czas stwarzać rodzaje tuneli z czasoprzestrzeni, zwanych "wormhole". Narazie jednak NIE potrafią wyjaśnić jak praktycznie daje się stwarzać takie tunele, ani skąd wziąść owe gigantyczne ilości energii którą to tworzenie by wymagało. Jeszcze inni przejmują na wiarę idee podróży w czasie wywodzące się z całkowicie fantazyjnej twórczości "science fiction" - przykładowo idee "hyperprzestrzeni" używane m.in. w fantazyjnym serialu Star Trek. Owe przestrzenie to podobno miejsca we wszechświecie gdzie nie istnieje ani czas ani przestrzeń, stąd z których dawałoby się potem przejść w dowolny czas i dowolny punkt przestrzeni. Dyskutują oni też takie hyperprzestrzenie poważnie na przekór, że NIE znane są żadne naukowe przesłanki iż taka "hyperprzestrzeń" wogóle istnieje we wszechświecie, oraz na przekór że nawet gdyby ona istniała, nie daje się wyjaśnić jak ludzie po wejściu w nią wcale też nie zaprzestaliby swego istnienia. Co mnie najbardziej dziwi, że wszystkie te wysiłki naukowców aby drapać swoje lewe ucho prawym palcem u nogi są podejmowane kiedy mamy wokoło aż tak ogromne zatrzęsienie wskazywanego powyżej i łatwo weryfikowalnego materiału dowodowego na łatwość zasady softwarowego podróżowania przez czas .
       Oczywiście mądrość i doświadczenie Boga pozwalają mu doskonale wiedzieć, że ludzie NIE dorośli jeszcze do zrozumienia i docenienia niektórych kanonów jakimi On się kieruje w swoim postępowaniu z ludźmi. Dlatego omawiany tutaj kanon Bóg tak realizuje, aby dla wielu ludzi wszystko wyglądało iż utrudnienia i przeszkody wprowadzne są przez siły inne niż sam Bóg. Dlatego przykładowo w przeszłości Bóg "symulował" istnienie specjalnych "zawodowych przeszkadzaczy" - którzy kiedyś nazywani byli "diabłami". Obecnie Bóg "symuluje" innych przeszkadzaczy, których popularnie nazywamy "UFOnautami". (Jak Bóg ich "symuluje", wyjaśnione to zostało w punkcie #M4 poniżej.) Aby zaś jakoś balansować ową wysoce niekorzystną dla ludzi sytuację którą owe boskie "symulacje" sobą wprowadzają, niektórym co bardziej upartym ludziom, przykładowo autorowi niniejszego wywodu, Bóg czasami pozwala dociec prawdy. Tyle że potem stwarza na Ziemi sytuację, aby prawda ta była odrzucana lub ignorowana przez niemal wszystkich innych ludzi.
       Religie przezwyczaiły nas do uproszczonego myślenia, że "Bóg zawsze czyni dobro", zaś "zło jest wyrządzane przez diabły". Takie uproszczenia w rozumowaniu były bowiem konieczne w dawnych czasach pasterzy i braku edukacji w których religie były formowane. Jednak do dzisiaj ludzie poznali już logikę i niektórzy z nich potrafią nawet rozumować. Stąd najwyższy już czas aby zwolna zacząć ludziom uświadamić, że w interesie Boga leży "rozumne przeszkadzanie", NIE zaś nieustanne pomaganie ludziom oraz że "diabły faktycznie są boskimi 'symulacjami'". (W czasach kiedy słowo "symulacja" NIE było jeszcze poznane i stąd musiało być zastępowane ogólniejszym słowem "tworzenie", Biblia tak oto wyjaśniała czym są diabły - cytuję z Księgi Rodzaju, 3:1: "A diabeł był bardziej przebiegły niż wszystkie bestie lądowe, które Pan Bóg stworzył.") Oczywiście, rozumiejąc że dla wielu istotnych powodów Bóg zmuszony jest "rozumnie przeszkadzać" ludziom, powinniśmy też poznać znaczenie przymiotnika "rozumny" cechującego to przeszkadzanie. Mianowicie, wcale NIE jest to ślepe przeszkadzanie realizowane z największą możliwie mocą - jakie nawykliśmy otrzymywać od naszych ludzkich wrogów, a przeszkadzanie które jest tak mądrze dobrane aby maksymalnie służyło boskim celom (np. aby nas uczyło i powodowało nasz wzrost a nie upadek).
       Powyższe rozważania prowadzą aż do kilku interesujących wniosków. Chociaż wnioski te są dosyć oczywiste, oraz chociaż w prawdziwym życiu ich potwierdzenia spotykamy na każdym kroku, typowo ludzie mają sporą trudność aby na nie wpaść czy z nimi się pogodzić. Przykładowo, w moim własnym przypadku dojście do nich zajęło mi ponad 60 lat życia. Jeden z tych wniosków brzmi, że to co na dowolny temat oficjalnie stwierdza jakaś instytucja, w tym również instytucja oficjalnej nauki czy medycyny, niemal na pewno mija się z prawdą. Z upływem też czasu owa instytucja, np. oficjalna nauka czy medycyna, będzie zmuszona aby wstydliwie i cichcem wycofać owo stwierdzenie, lub zmienić je na inne - prawdopodobnie równie mylące. Dlatego jeśli ktoś chce poznać bardziej trafną prawdę na dany temat, wówczas powinien szukać jej wśród ustaleń i doświadczeń owych indywidualnych osób których głosy owa oficjalna instytucja stara się wyciszać lub ignorować. Inny wniosek stwierdza, że wszelkie odkrycia naukowe czy teorie naukowe, które przychodzą bez trudu i natychmiast zdobywają oficjalne uznanie, kryją w sobie jakieś poważne błędy które mają potencjał wywiedzenia w pole lub zablokowania postępu ludzkiej wiedzy i nauki. Klasycznym przykładem takiej właśnie teorii, która kiedyś zapewne będzie uważana za jeden z największych błędów i klęsk nauki ludzkiej, jest "teoria względności" - np. patrz "Fot. #G2bc" ze strony evil_pl.htm. Już do chwili obecnej teoria ta spowodowała zaniechanie badań i zarzucenie myślenia w dziesiątkach kierunków które zapewne wiodłoby do szybszego poznania prawdy przez ludzkość. (Jako jedną z jej ofiar rozważ problem istnienia cząsteczek szybszych od światła.) Jeszcze inny zaś wniosek stwierdza, że dla istotnych powodów w interesie Boga wcale NIE leży dopomaganie ludzkim twórcom, odkrywcom i wynalazcom w zdobywaniu przez nich wiedzy, w odkrywaniu, ani w tworzeniu czegoś nowego, a leży właśnie przeszkadzanie im na wszelkie dostępne sposoby oraz utrudnianie im życia jak tylko się da.


#M2. "Rozumne przeszkadzanie" pozwala Bogu wychowywać ludzi "tak jak hartuje się stal":

       Opisywany w poprzednim punkcie kanon o rozumnym przeszkadzaniu ludziom w poznawaniu prawdy, odkrywaniu i tworzeniu, jest jedną ze składowych zasad postępowania Boga wobec ludzi, które to zasady stwierdzają, że "z ludźmi należy postępować w podobny sposób jak hartuje się stal". Więcej na temat tych zasad wyjaśnione zostało w punkcie #B5.1 totaliztycznej strony internetowej will_pl.htm.
       Oczywiście, po naszej "odbierającej stronie" takie zasady postępowanie Boga wobec ludzi typowo jest dosyć trudno zaakceptować i zrozumieć. Wszakże aby je zrozumieć konieczne jest postawienie się w sytuacji Boga, a więc przykładowo zrozumienie że "Bóg ma nieskończoną ilość czasu" - dlatego Bogu nigdy się z niczym nie spieszy. Czy też zrozumienie, że z punktu widzenia Boga, "to droga jest ucząca, interesująca i dostarczająca rozrywki, a nie jej punkt docelowy".
       Odkrycie i uświadomienie sobie, że "Bóg wychowuje ludzi tak jak hartuje się stal" oraz że w tym celu m.in. wyzwala On działanie tzw. "przekleństwa wynalazców", pozwala nam wprowadzić zasadniczą poprawkę do naszego postępowania. Mianowicie, dotychczas ludzie uważali, że jeśli próba jakiegoś wykonalnego ich działania napotyka na wiele przeszkód i niefortunnych "zbiegów okoliczności", to oznacza że cel tego działania jest "pechowy" i stąd że powinni działanie to zarzucić. Jednak w świetle ustaleń o żelaznym stosowaniu przez Boga zasady aby przeszkadzać i utrudniać wszystko to co "moralne" i co formuje "prawdziwy postęp", okazuje się że faktycznie to w życiu należy postępować całkowicie odwrotnie. Mianowicie, im więcej przeszkód i tzw. "zbiegów okoliczności" stara się nas powstrzymać przed dokonaniem jakiegoś (wykonalnego) działania, tym bardziej "moralne" jest to działanie i tym bardziej korzystne i potrzebne okażą się jego owoce - a więc tym bardziej powinniśmy się starać żeby działanie to mimo wszystko jednak zrealizować. Innymi słowy, na przekór iż Bóg nam przeszkadza w zrealizowaniu wykonalnych działań które są "moralne" i które wprowadzają "prawdziwy postęp", ów Bóg chce jednak abyśmy owe działania zrealizowali i będzie nami wysoce rozczarowany jeśli zniechęcimy się przeszkodami i faktycznie damy za wygraną.


#M3. "Przekleństwo wynalazców" które blokuje każdy nowy wynalazek i odkrycie, w tym blokuje też budowę ogniwa telekinetycznego:

       Ogromnie wymowną i dającą dużo do myślenia jest obecna sytuacja z budową ogniwa telekinetycznego. Wszakże na przekór że na Ziemi zostało zbudowanych już aż kilka działających prototypów telekinetycznych urządzeń darmowej energii, każdy z których zawiera w sobie opisywane tu ogniwo telekinetyczne użyte jako jeden z jego głównych podzespołów, ogniwa te ciągle nie weszły do seryjnej produkcji ani nie zaczęły służyć ludzkości. Jak też rzuca się w oczy w losach owych już zbudowanych prototypów, w działaniu na Ziemi jest zjawisko któe ja nazwałem "przekleństwem wynalazców". Rozciąga ono swe działanie także i nad urządzeniami darmowej energii. Dłuższy opis owego "przekleństwa wynalazców", wraz z przykładami kilku wynalazców którzy padli jego ofiarami, podałem w punktach #B4.4 i #H1 na stronie internetowej mozajski.htm, w "części #G" na stronie internetowej eco_cars_pl.htm, w punkcie #H1 na stronie internetowej newzealand_visit_pl.htm - o Nowej Zelandii, oraz w punktach #D1 i #F1 na stronie internetowej boiler_pl.htm.
       Przypomnijmy sobie tutaj definicję "przekleństwa wynalazców" przytoczoną i objaśnioną na w/w stronach. Stwierdza ona, że nazwa "przekleństwo wynalazców" jest przyporządkowana do mechanizmu moralnej samoregulacji genialnie zaprojektowanego i konsekwentnie wdrażanego przez samego Boga, który to mechanizm powoduje że społeczności jakie pasywnie tolerują w swoim gronie niedopuszczalną liczbę niemoralnych osobników, same wymierzają sobie "karę" poprzez eskalowanie u siebie tzw. "wynalazczej impotencji" pozbawiającej je dostępu do licznych korzyści które wynikają z nowych wynalazków i nowych odkryć naukowych. Innymi slowy, "przekleństwo wynalazców" głównie ma służyć "samokaraniu się" niemoralnych społeczności i narodów poprzez pozbawienie ich dostępu do rozlicznych korzyści które wynikają z opracowania i wdrażania nowych wynalazków. Jednak równocześnie, owo "przekleństwo wynalazców" karze też zupełnie niewinnych (bo zwykle postępujących wysoce moralnie) samych owych wynalazców na których skupia ono swoje niszczycielskie działanie. Wszakże owo "przekleństwo wynalazców" powoduje m.in., że każdy wynalazca który usiłuje zbudować działający prototyp jakiegoś telekinetycznego urządzenia darmowej energii, jest prześladowany i karany na wiele róznorodnych sposobów, oraz np. nagle umiera w dosyć tajemniczych okolicznościach. Z kolei prototyp urządzenia jakie on zbudował, nagle zupełnie znika z publicznego widoku. W przypadku słynnej szwajcarskiej "telekinetycznej influenzmaschine", dwa jej działające prototypy zbudowane przez austriackiego wynalazcę o nazwisku Bela Brosan, natychmiast po jego tajemniczej śmierci zniknęły z jego domu - tak jak to opisałem w punkcie #D2 odrębnej strony internetowej free_energy_pl.htm - o urządzeniach darmowej energii. Po kilku latach bardzo podobne dwa urządzenia, potem nazwane "Testatica", nagle pojawiły się w szwajcarskiej komunie religijnej o nazwie "Methernitha". Tam zaś trzymane były pod kluczem i nigdy nie dopuszczone zostały do masowej produkcji. Natomiast w przypadku nowozelandzkiego wynalazcy o nazwisku Bruce DePalma, który zbudował słynną na cały świat "N-Machine", nigdzie nie spotkałem się z informacją co stało się z jego prototypami. (Tajemnicza śmierć Bruce DePalmy opisana jest na stronie newzealand_visit_pl.htm - o Nowej Zelandii.)
       Tajemnicze śmierci wynalazców telekinetycznych urządzeń darmowej energii nie są jedynymi objawami działania owego "przekleństwa wynalazców" jakie przeszkadzają w udostępnieniu tych urządzeń aby służyły one naszej cywilizacji. Istnieją również inne objawy. Niektóre z nich dosyć często opisywane są w literaturze. Z innymi ja osobiście borykam się nieustannie w swoim życiu. Najpopularniejszy z tych objawów sprowadza się do jakiejś formy pozbawianie wynalazców i odkrywców warunków niezbędnych do rozwoju i badań obiektów ich twóczości. Znaczy praktycznie owo "przekleństwo wynalazców" może przyjmować wiele form. Najczęściej spotykane z tych form to:
       (1) Nagonka, publiczne piętnowanie, szykany, oraz wyszydzanie. Ich najlepszym przykładem jest publiczne napiętnowanie nowozelandzkiego wynalazcy o nazwisku Richard Pearse. Rozhisteryzowani sąsiedzi tak go bowiem napiętnowali, że ten zdolny wynalazca wylądował w końcu w szpitalu dla wariatów - gdzie zakończył swoje życie. Oczywiście, wcale nie był on jedynym wynalazcą poddanym takiemu potraktowaniu. Praktycznie każdy z wynalazców i odkrywców, włączając w to i mnie, doświadczył na sobie tego rodzaju szykan. Przykładowo, Braciom Wright (tj. budowniczym pierwszego samolotu na świecie który zdołał się przełamać przez blokadę upowszechniania nałożoną przez owo "przekleństwo wynalazców") tak dopiekły szykany których doświadczyli oni ze strony swoich współziomków, innych Amerykanów, że przez wiele lat nie wyrazili oni zgody aby ich samolot mógł być wystawiony w amerykańskim muzeum. Z kolei mi osobiście tak dopiekają podobne szykany, że stały się one jeszcze jednym ważnym powodem (na dodatek do szeregu powodów już wspominanych powyżej w punkcie #L1) dla jakiego proponowałbym aby strefa wolna od telekinezy - jakiej ustanowienie stanie się kiedyś absolutnie niezbędne dla naszej cywilizacji, ustanowiona została właśnie w Nowej Zelandii i Australii (szkoda że Polska nie leży też na wyspie gdzieś koło Nowej Zelandii). Na temat takiego właśnie piętnowania wynalazców i odkrywców przygotowałem nawet długi wykaz cytatów i oficjalnych wypowiedzi piętnujących co bardziej znanych wynalazców i odkrywców. Wykaz ten zawarłem w podrozdziale JB7.3 z tomu 7 monografii [1/5]. Z kolei omówienie powodów dla jakich na Ziemi istanieje i działa taka atmosfera piętnująca wynalazców i odkrywców (czyli powodów istnienia owego "przekleństwa wynalazców") skrótowo podsumowałem w punkcie #M1 powyżej.
       (2) Pozbawianie źródła utrzymania. Zwykle polega ono albo na usuwaniu z pracy co bardziej wyróżniających się wynalazców i twórców, albo też na stawianiu ich w sytuacji że muszą pracować zupełnie bez wynagrodzenia. Najlepszym przykładem odkrywcy poddanego takiej właśnie szykanie, jest nowozelandczyk o nazwisku Ernst Rutherford (1871 - 1937), pierwszy twórca dzisiejszego modelu atomu. Jego byli przełożeni z Uniwersytetu Canterbury w Christchurch, Nowa Zelandia, zmuszali go aby pracował dla nich za darmo. (Sarkastycznie, obecnie jego portret zdobi 100 dolarowe banknoty Nowej Zelandii.) W końcu tak biedakowi dopiekło spychanie go w dół i blokowanie jego potencjału przez Nowozelandczyków, że wyemigrował z Nowej Zelandii i zaczął pracować dla Anglii. Dopiero kiedy dostał nagrodę Nobla za swoje badnia, Nowa Zelandia nagle przypomniała sobie gdzie się urodził i też szybko wyciągnęła ręce po swój udział w jego zasługach. W moim własnym przypadku, działanie "przekleństwa wynalazców" polegające na "pozbawianiu mnie źródła utrzymania" doświadczam najczęściej ze wszystkich szykan. Przykładowo, ja sam zostałem usunięty z trzech ostatnich miejsc mojej pracy w Nowej Zelandii. Przez jakiś też dziwny "zbieg okoliczności" owe usunięcia z pracy zawsze też zbiegały się czasowo z okresami kiedy usiłowałem wznowić swoje prace rozwojowe nad urządzeniami jakie wynalazłem, w tym m.in. nad ogniwem telekinetycznym. Także Polacy mają spore zasługi w takim szykanowaniu mojej osoby. Przykładowo, jedna z uczelni w Polsce zaproponowała mi objęcie stanowiska Profesora - tyle że najpierw moja kandydatura na Profesora musiała być zatwierdzona przez ministerstwo. Ministerstwo odmówiło jednak pozwolenia abym to ja objął owo stanowisko. Oczywiście, takim szykanom poddawani są praktycznie wszyscy moralni twórcy, których badania i dorobek wybijają się ponad poziom trywialu i wprowadzają "prawdziwy postęp" (ten z definicji "prawdziwego postępu" przytoczonej w punkcie #G4 na stronie eco_cars_pl.htm). Ich niewypowiedzianie trudne i tragiczne losy życiowe opisywane są w niezliczonych książkach. Przykładem lepszej z takich książek, którą miałem przyjemność przeglądać, jest [2P4] pióra niejakiego Richard Milton, "Forbidden Science", Fourth Estate (6 Salem Road, London W2 4BU), London, 1994, ISBN 1-85702-302-1, 265 pages, pb. Na swej tylniej okładce książka ta m.in. stwierdza, cytuję: "'W tej fascynującej i dobrze napisanej książce, Richard ujawnia zagadkową cechę wielu zawodowych naukowców: mają oni awersję do nowych idei' - Fokus." (W oryginale angielskojęzycznym: "'In this fascinating and well-argued book, Richard exposes a curious feature of many professional scientists: they are averse to new ideas' - Focus.") W tym zaś miejscu warto pamiętać, że to właśnie owi zawodowi naukowcy z "awersją do nowych idei" zawsze są tymi których opinie decydują czy jakiś inny naukowiec otrzymuje zatrudnienie w danej istytucji, lub czy utrzymuje się on w już posiadanej pracy. Wszakże to poglądy takich właśnie naukowców z "awersją do nowych idei" decydują czy jakiś nowy naukowiec jest wogóle zatrudniany w danej instytucji, albo też czy jest on usuwany z już posiadnej tam pracy za wyznawanie poglądów jakie NIE są w czymś zgodne z oficjalnymi trendami i modą.
       (3) Odmowa dofinansowania. Finansowe szykany i problemy, jakich doświadczali niemal wszyscy wynalazcy, są wręcz legendarne. Przykładowo, z to właśnie ich powodu Nikola Tesla (1856 - 1943) nie zdołał zakończyć nawet cząstki swoich przełomowych wynalazków. To właśnie też z ich powodów wynalazca aparatu filmowego, William Friese-Greene (1855-1921), wydał na rozwój swojego wynalazku wszystko co posiadał, poczym umarł w niesamowitej biedzie, na przekór że ciągle za jego życia aparat filmowy jaki zbudował przynosił innym miliony. (Na temat ogromnie tragicznego życia tego wynalazcy w 1951 roku nakręcony został nawet poruszający smutkiem film o tytule "The Magic Box".) Faktycznie też niemal każda książka o wynalazcach opisuje nieprawdopodobne kłopoty finansowe i biedę z jakimi borykają się prawie wszyscy z nich. Niemal też nigdy prawdziwi wynalazcy NIE otrzymują pomocy finansowej na to co budują. Jednocześnie zaś ogromne sumy marnotrawione są na "oficjalnych wnosicieli postępu", którzy w rzeczywistości to generują jedynie "fałszowany postęp" i których badania są aż tak zgodnie z zaaprobowaną wiedzą danych czasów, że faktycznie prowadzą do nikąd. (Wszakże aby wprowadzić coś naprawdę przełomowego do naszej cywilizacji, idee danego twórcy muszą "patrzeć w przyszłość a NIE w przeszłość", a stąd muszą odrywać się od stereotypów.)
       (4) Zamachy na życie twórców. Kiedy już zawiodą mniej drastyczne metody odwodzenia danego wynalazcy lub twórcy od wprowadzenia w życie danego przełomowego urządzenia czy odkrycia, owa mroczna moc ukrywająca się za "przekleństwem wynalazców" ucieka się w końcu do skrytego zamachu na życie. Przykłady wynalazców którzy padli ofiarami takich zamachów podane są w punktach #F1.2, #I1, oraz niniejszym tej strony, a także w punkcie #H1 strony newzealand_visit_pl.htm - o Nowej Zelandii. Wynalazcy tacy opisani są także w podrozdziale W4 z tomu 18 monografii [1/5]. W moim własnym życiu naliczyłem się niemal 30 przypadków, które można opisać jako nieudane próby skrytego zamachu na życie. Najbardziej spektakularny z nich miał miejsce w dniu 13 listopada 1990 roku, w nowozelandzkiej miejscowości o nazwie Aramoana (po szczegóły patrz podrozdziały A4 oraz VB4.5.1 (i VB3.3) z tomów odpowiednio 1 oraz 17 mojej starszej monografii oznaczanej symbolem [1/4]).
       (5) Promowanie konkurencyjnej wsteczniczej technologii. Jednym z "tricków" używanym w ramach działania "przekleństwem wynalazców" w sytuacjach kiedy na przekór wszystkiego ludzkość jest już bliska wdrożenia jakiejś nowej moralnej, przełomowej i postępowej technologii, jest podjęcie promowania na Ziemi jakiejś konkurencyjnej i niszczycielskiej technologii reprezentującej "fałszowany postęp", która w oczach decydentów jakoby eliminuje potrzebę rozwijania danej moralnej, przełomowej i postępowej techniki. Przykładowo, w czasach kiedy na Ziemi zaczęły się upowszechniać samoloty, "przekleństwo wynalazców" zaczęło intensywnie promować technologię balonów-sterowców, które jakoby eliminowały zapotrzebowanie na samoloty. Kiedy ludzie zaczęli badania i rozwijanie "radia kryształkowego" opisanego w punkcie #G1 tej strony - jakie prowadziłoby do odkryć i rozwoju baterii telekinetycznych, owo przekleństwo natychmiast zaczęło promować lampy radiowe a potem tranzystory - które odciągnęły uwagę badaczy od radia kryształkowego. Kiedy niedawno zacząłem apelować o podjęcie budowy zdalnego wykrywacza trzęsień Ziemi zwanego sejsmografem Zhang Henga, owo przekleństwo szybko rozpromowało zbudowanie na Ziemi "światowego systemu wczesnego ostrzegania" - na jaki poszły wszelkie finanse. Kiedy obecnie ludzkość jest bliska wdrożenia ogniwa telekinetycznego do masowej produkcji, owo przekleństwo zaczyna mobilizować wiele krajów na świecie do szybkiego zainwestowania w niebezpieczne elektrownie atomowe. Itd., itp.
       (6) Eliminowanie bodźców które by motywowały podejmowanie rozwoju zakazanych wynalazków i technologii. Przykładowo, kiedy publikowałem niniejszą stronę w dniu 17 sierpnia 2006 roku, cena ropy naftowej przekraczała wartość 72 dolarów za beczkę, oraz wykazywała tendencje wzrostowe. Jednak niemal natychmiast po opublikowaniu tej strony cena ta zaczęła gwałtownie spadać. I to na przekór że ani zasobów ropy naftowej wcale nie przybyło na naszej planecie, ani też nie poprawiła się wówczas napięta sytuacja międzynarodowa. Kiedy dopisywałem niniejszą uwagę w dniu 15 wsześnia 2006 roku (czyli niecały miesiąc później), cena ropy naftowaj spadła już do poziomu około 62 dolarów za beczkę oraz wykazywała tendencje do dalszego spadku. (Nieco później, w dniu 21 września 2006 roku, spadła ona nawet do poziomu poniżej 60 dolarów za beczkę.) Ten około 14% spadek cen ropy naftowej w przeciągu mniej niż jednego miesiąca pojawił się też w powiązaniu z całym szeregiem innych dziwnych "zbiegów okoliczności", jakie miały miejsce zaraz po opublikowaniu niniejszej strony. Przykładowo, nagle wówczas pojawiły się ogłoszenia w internecie jakie oferowały nowiutkie doskonałe radia w zamian za stare radio kryształkowe - ktoś najwyrażniej postanowił pousuwać ze społeczeństwa owe radia kryształkowe. Na wielu forach internetowych miał też miejsce wtedy szał głośnych ataków na poprawność zasady działania ogniwa telekinetycznego. Mi osobiście wszystko to wyglądało właśnie na ukryte próby pousuwania wszelkich zachęt i motywacji do podjęcia prac nad rozwojem ogniwa telekinetycznego. To moje podejrzenie samo zresztą jest w stanie się potwierdzić. Jeśli bowiem celem tego spadku ceny ropy było wyłącznie zniechęcanie do podjęcia eksperymentów nad ogniwem telekinetycznym, wówczas za jakiś czas, jeśli nikt nie podejmie rozwoju opisywanego tutaj ogniwa, cena ropy naftowej zacznie ponownie rosnąć w górę. Faktycznie też dla każdego innego przełomowego wynalazku na Ziemi daje się również odnaleźć podobne zniechęcające wydarzenia i rzekome "zbiegi okoliczności", które w rzeczywistości dają się interpretować właśnie jako takie eliminowanie bodźców i zniechęcanie do podjęcia prac rozwojowych.
       (7) Nałożenie blokady na upowszechnienie danego wynalazku czy odkrycia. Jeśli na przekór wszystkich powyższych przeszkód, jakiś wynalazek lub odkrycie ciągle zostanie osiągnięte, owo "przekleństwo wynalazców" zaczyna wówczas blokować jego upowszechnianie. Praktycznie to oznacza, że dany wynalazek czy odkrycie napotyka ogromne trudności w swoim upowszechnianiu się po Ziemi, podobne do trudności z jakimi obecnie boryka się moja teoria naukowa zwana Konceptem Dipolarnej Grawitacji, z której to teorii wywodzą się zarówno pomysł, jak i zasada działania opisywanego tutaj ogniwa telekinetycznego mojego wynalazku. Oficjalne publikowanie informacji o danym wynalazku czy odkryciu staje się wówczas niemal niemożliwe. W publikatorach otrzymuje ono niemal wyłącznie negatywne opinie. Itd., itp. Taka właśnie blokada upowszechniania nałożona była kiedyś na pierwsze samoloty zbudowane na Ziemi. Podobną blokadą upowszechniania w chwili obecnej objęte są telekinetyczne urządzenia darmowej energii. Przykładowo, istnieją już aż trzy działające prototypy "telekinetycznych influenzmaschine", których jednym z podzespołów składowych jest właśnie opisane tutaj ogniwo telekinetyczne. (Tj. istnieją już dwa działające prototypy jednotarczowych maszyn zwanych "Testatica", oraz jeden działąjący prototyp dwutarczowej "Thesta-Distatica".) Jednak wszystkie te trzy prototypy tak pilnie potrzebnych ludzkości urządzeń, są trzymane pod kluczem oraz zamknięte dla wejścia do seryjnej produkcji w ziemskich fabrykach. Podobnie stało się też z telekinetyczną grzałką nowozelandzkiego wynalazcy o nazwisku Peter Daysh Davey. (Grzałka ta opisana jest na poświęconej jej totaliztycznej stronie boiler_pl.htm, a także podsumowana w punkcie #E4 odrębnej strony o telekinetycznych urządzeniach darmowej energii). Tyle że blokada produkcji tej nowozelandzkiej grzałki była zasymulowana tak jakby została nałożona przez biurokratów.
* * *
       Opisane powyżej problemy i trudności jakie wszyscy przełomowi wynalazcy i odkrywcy, włączając w to i mnie, zawsze doświadczają ze zrealizowaniem budowy swoich przełomowych urządzeń, opisałem tutaj jako rodzaj przyjacielskiej rady dla tych którzy zdecydują się włączyć kiedyś do wysiłku zbudowania nowych urządzeń. Mianowicie swoje prace powinni oni prowadzić w taki sposób, aby ich działania nie mogły zostać zastopowane przez owo "przekleństwo wynalazców". Dla przykładu, w mojej obecnej sytuacji kiedy moja osoba została już publicznie związana z badaniami jakie prowadzę, ja sam bronię się przed zadziałaniem owego przekleństwa poprzez unikanie utrzymywania w tajemnicy swoich ustaleń oraz przez rzetelne publikowanie wszystkiego co wiem na temat tych urządzeń. W ten sposób ewentualne zadziałanie na mnie tego przekleństwa mijałoby się z celem, ponieważ z jednej strony wcale nie spowodowałoby ono zniszczenia już wypracowanej wiedzy na temat tych urządzeń, z drugiej zaś strony jedynie dodałoby ludziom dalszych dowodów na fakt, że rzeczywiście jakieś "przekleństwo wynalazców" bezpardonowo prześladuje budowniczych tych urządzeń. (Niestety, ja sam też jestem przysłowiowym "Polakiem mądrym po szkodzie". Chociaż już teraz wiem jak mógłbym znacząco pomniejszyć następstwa zadziałania na mnie owego "przekleństwa wynalazców", niestety w moim własnym przypadku jest już za późno na podjęcie wielu z owych środków zapobiegawczych.)
       Oczywiście, metody i zasady z pomocą których można się bronić przed następstwami zadziałania "przekleństwa wynalazców" (a także przed następstwami wynikającej z tego przekleństwa tzw. "wynalazczej impotencji") opisałem już dokładniej na swoich stronach internetowych - ku nauce innych wynalazców. Wyjaśnienie jak urzeczywistniać taką obronę czytelnik znajdzie w punktach #H1 do #H3 totaliztycznej strony internetowej o nazwie eco_cars_pl.htm.


#M4. Boska "symulacja" tzw. "przekleństwa wynalazców":

       Przez boską "symulację" należy rozumieć "każde działanie które zostało zrealizowane bezpośrednio przez samego Boga, jednak które dla istotnych powodów Bóg tak urzeczywistnia aby wyglądało ono jak spowodowane przez moce inne niż Bóg". Innymi słowy, boskie "symulacje" to wszystko co oddziaływuje na ludzi i stąd jest dobrze widoczne, jednak o czym Bóg NIE chce aby ludzie mogli łatwo poznać że wywodzi się to od Boga. Najlepszym przykładem boskich "symulacji" są istoty które kiedyś nazywano "diabłami" zaś dziś nazywa się "UFOnautami". Mianowicie, "symulowanie" tych istot polega na tymczasowym tworzeniu przez Boga ich ciał fizycznych - tak aby po skonfrontowaniu z ludźmi istoty te wyglądały jakby istniały fizycznie. Równocześnie jednak ich umysły są podłączone bezpośrednio do Boga, tak że istoty te czynią dokładnie to co Bóg zechce, mają też wiedzę Boga oraz przyjmują jedną z szeregu osobowości które Bóg wypracował specjalnie dla potrzeb ich "symulowania". Więcej informacji na temat owych boskich "symulacji" zaprezentowane zostało w punktach #B11 do #B13 totaliztycznej strony god_pl.htm.
       Czytając zaprezentowane na niniejszej stronie opisy budowy i działania ogniwa telekinetycznego wskazywane nam przez teorię naukową zwaną Konceptem Dipolarnej Grawitacji, odkrywamy dosyć szokującą prawdę. Mianowicie, że na wynalazcę owego ogniwa, podobnie jak na twórcę każdego innego przełomowego wynalazku reprezentującego tzw. "prawdziwy postęp", dla bardzo istotnych powodów opisywanych w "części #G" totaliztycznej strony eco_cars_pl.htm, Bóg jest zmuszony skierować morderczą siłę opisywanego tutaj "przekleństwa wynalazców". Ponieważ jednak większość dzisiejszych ludzi narazie NIE jest w stanie zrozumieć i zaakceptować potrzeby takich niszczycielskich działań Boga, na Ziemi celowo "symulowana" jest przez Boga sytuacja jakby istniał i działał wśród ludzi rodzaj skrytej przestępczej organizacji której jednym z celów było wstrzymywanie postępu technicznego ludzkości. Wszystko też wskazuje na to, że to owa "symulacja" jest tamtą tajemniczą "mroczną mocą" która już od tysiącleci krzywdzi zarówno całą ludzkość jak i indywidualnych twórców w dokładnie taki sposób. To też owa "zasymulowana" ciemna moc ostatnio sprowadza na ludzi liczne nieszczęścia za które poszkodowani obwiniają potem albo siły natury albo też innych ludzi. Opracowane już zostały liczne odrębne strony internetowe, które opisują konkretne przykłady faktycznie zaistniałych niedawno przypadków, kiedy takie sprytne i ukryte krzywdzenie ludzi, miało miejsca na Ziemi. Pierwsza z tych stron, o nazwie "26ty dzień", opisuje mordercze tsunami jakie zniszczyło wybrzeża Oceanu Indyjskiego w dniu 26 grudnia 2006 roku, a jakie wywołane zostało na sposób celowo zasymulowany jako "techniczny". Kolejna z owych stron, o nazwie "Katrina", opisuje najbardziej znany przykład huraganu wywołanego i sterowanego w sposób techniczny, czyli huraganu nazywanego "Katrina" z dnia 29 sierpnia 2005 roku. Tamta strona wyjaśnia też cechy po jakich taki "zasymulowany" jako technicznie wywołany i sterowany huragan daje się odróżnić od huraganu całkowicie naturalnego. Z kolei jeszcze jedna strona, o nazwie "tornada", opisuje przykłady tornad tak "zasymulowanych" aby wyglądały jak wywołane i sterowane w sposób techniczny. Tamta strona również wyjaśnia cechy odróżniające owe jakoby technicznie wywołane tornada od tornad naturalnych. Szokująco, jak to ujawnia analiza owych cech, przeważająca większość tornad które w obecnych czasach trapią ludzkość, szczególnie zaś te które uderzają w Stany Zjednoczone i wyniszczają ten najbardziej zaawansowany kraj naszej planety, wywoływana jest i sterowana właśnie na taki "symulowany" jako techniczny sposób. Jako kto jest więc "symulowaja" owa rzekoma tajemnicza "mroczna moc" która jakoby ukrywa się za owymi sprytnymi nieszczęściami sprowadzanymi na ludzi? Wyjaśnione to zostało dokładnie na stronie "zło", a także na stronach "podmieńcy", "WTC", "Columbia", "Katowice", "obsuwiska ziemi", "plaga", oraz "ludobójcy". Pełne adresy internetowe powyższych stron ukażą się w okienku adresowym wyszukiwarki po kliknięciu na ich linki wyróżniane w tekście tej strony kolorem zielonym.


Część #N: Podsumowanie, oraz informacje końcowe tej strony:

      

#N1. Podsumowanie tej strony:

       Baterie telekinetyczne dają się zbudować - a nawet już kiedyś były budowane fabrycznie, zaś po zbudowaniu faktycznie działają. Ich zbudowanie jest również w zasięgu naszej ręki. Jedyne co potrzebne aby je posiąść, to przełamać się przez niezliczone przeszkody i bariery w rodzaju "przekleństwa wynalazców" - które są celowo piętrzone na drodze tych co usiłują wprowadzić je do technicznego dorobku ludzkości.


#N2. Jak dzięki stronie "skorowidz.htm" daje się znaleźć totaliztyczne opisy interesujących nas tematów:

       Cały szereg tematów równie interesujących jak te z niniejszej strony, też omówionych zostało pod kątem unikalnym dla filozofii totalizmu. Wszystkie owe pokrewne tematy można odnaleźć i wywoływać za pośrednictwem skorowidza specjalnie przygotowanego aby ułatwiać ich odnajdowanie. Nazwa "skorowidz" oznacza wykaz, zwykle podawany na końcu książek, który pozwala na szybkie odnalezienie interesującego nas opisu czy tematu. Moje strony internetowe też mają taki właśnie "skorowidz" - tyle że dodatkowo zaopatrzony w zielone linki które po kliknięciu na nie myszą natychmiast otwierają stronę z tematem jaki kogoś interesuje. Skorowidz ten znajduje się na stronie o nazwie skorowidz.htm. Można go też wywołać z "organizującej" części "Menu 1" każdej totaliztycznej strony. Radzę aby do niego zaglądnąć i zacząć z niego systematycznie korzystać - wszakże przybliża on setki totaliztycznych tematów które mogą zainteresować każdego.


#N3. Proponuję okresowo powracać na niniejszą stronę w celu sprawdzenia dalszych postępów w badaniach i poznawaniu działania telekinetycznego ogniwa:

Motto: Filozofie i teorie przemawiają do niektórych, urządzenia techniczne przemawiają do wszystkich.

       Nasza dokładna znajomość działania telekinetycznego ogniwa prezentowanego m.in. na tej stronie, jest ogromnie istotna dla ludzkiego życia. Wszakże od tego jak dobrze poznamy to działanie zależało będzie jak szybko zbudujemy to urządzenie i oddamy je w służbę ludzkości. To z kolei zadecyduje jak pozbawione zanieczyszczeń, a więc również szczęśliwe i spełnione, będzie przyszłe życie nas samych i innych ludzi. Tak jednak się dzieje, że zarówno ja sam, jak i inni badacze, bez przerwy kontynuujemy przemyślenia i badania tego urządzenia. Faktycznie to nawet i w tej chwili przeprowadzam różne analizy i poszukiwania literaturowe nacelowane na ustalenie dalszej wiedzy która dopomoże nam w jego zbudowaniu. Wyniki tych badań zamierzam też spisywać w miarę jak staną się one dostepne. Dlatego przygotowanie niniejszej strony nie może nastąpić w jednym posiedzeniu, a musi być rozłożone na dłuższy okres czasu. W przyszłości strona ta będzie okresowo udoskonalana i upraszczana, w miarę jak nowe informacje na temat działania telekinetycznego ogniwa staną się dostępne i zostaną przeze mnie zweryfikowane. Zapraszam więc do jej ponownego odwiedzenia za jakiś czas, aby wówczas sprawdzić, co nowego w sprawie tego urządzenia stało się nam wiadome. Odnotuj jednak że nowe wersje tej strony nie mogą być natychmiast udostępnione pod wszystkimi adresami pod jakimi strona ta jest upowszechniana. Dlatego jeśli pod niniejszym adresem dostępna jest tylko stara wersja tej strony, wówczas dobrze jest sprawdzić także pod innymi adresami wyszczególnymi w "Menu 3", czy gdzieś indziej nie są już dostępne nawet nowsze i nawet bardziej udoskonalone jej aktualizacje.
       Warto także okresowo sprawdzać blog totalizmu o adresach totalizm.blox.pl/html i totalizm.wordpress.com. Na blogu tym bowiem wiele zdarzeń omawianych na tej stronie naświetlane jest dodatkowymi informacjami spisywanymi w miarę jak zdarzenia te się rozwijają przed naszymi oczami.


#N4. Emaile autora tej strony:

       Aktualne adresy emailowe autora tej strony, tj. oficjalnie dra inż. Jana Pająk, zaś kurtuazyjnie Prof. dra inż. Jana Pająk, pod jakie można wysyłać ewentualne uwagi, własne opinie, lub informacje jakie zdaniem czytelnika autor tej strony powinien poznać, podane są na autobiograficznej stronie internetowej o nazwie pajak_jan.htm (dla jej wersji w języku HTML), lub o nazwie pajak_jan.pdf (dla wersji strony "pajak_jan.pdf" w bezpiecznym formacie PDF - które to bezpieczne wersje PDF dalszych stron autora mogą też być ładowane z pomocą linków z punktu #B1 strony o nazwie tekst_11.htm).
       Prawo autora do używania kurtuazyjnego tytułu "Profesor" wynika ze zwyczaju iż "z profesorami jest jak z generałami", znaczy raz profesor, zawsze już profesor. Z kolei w swojej karierze naukowej autor tej strony był profesorem aż na 4-ch odmiennych uniwersytetach, tj. na 3-ch z nich był tzw. "Associate Professor" w hierarchii uczelnianej bazowanej na angielskim systemie uczelnianym (w okresie od 1 września 1992 roku, do 31 października 1998 roku) - który to Zachodni tytuł stanowi odpowiednik "profesora nadzwyczajnego" na polskich uczelniach. Z kolei na jednym uniwersytecie autor był (Full) "Professor" (od 1 marca 2007 roku do 31 grudnia 2007 roku - tj. na ostatnim miejscu pracy z naukowej kariery autora) który to tytuł jest odpowiednikiem pełnego "profesora zwyczajnego" z polskich uczelni.
       Proszę jednak odnotować, że dla całego szeregu powodów (np. mojego chronicznego deficytu czasu, prowadzenia badań wyłącznie na zasadzie mojego prywatnego hobby naukowego, pozostawania niezatrudnionym i wynikający z tego mój brak oficjalnego statusu jaki pozwalałby mi zajmować oficjalne stanowisko w określonych sprawach, istnienia w Polsce aż całej armii zawodowych profesorów uczelnianych - których obowiązki zawodowe obejmują m.in. udzielanie odpowiedzi na zapytania społeczeństwa, itd., itp.) począszy od 1 stycznia 2013 roku ja przyjąłem żelazną zasadę, że NIE odpowiadam na żadne emaile wysyłane do mnie przez czytelników moich stron - o czym niniejszym szczerze i uczciwie informuję wszystkich zainteresowanych. Stąd jeśli czytelnik ma sprawę która wymaga odpowiedzi, wówczas NIE powinien do mnie pisać, bowiem w takiej sytuacji wysłanie mi emaila domagającego się odpowiedzi w świetle ustaleń filozofii totalizmu byłoby działaniem niemoralnym. Wszakże spowodowałoby, że czytelnik doznałby zawodu ponieważ z całą pewnością NIE otrzymałby odpowiedzi. Ponadto taki email odbierałby i mi sporo "energii moralnej" ponieważ z jego powodu i ja czułbym się winnym, że NIE znalazłem czasu na napisanie odpowiedzi. Natomiast w/g totalizmu "moralnym działanien" w takiej sytuacji byłoby albo niezobowiązujące mnie do odpisania przesłanie mi jakichś informacji które zdaniem czytelnika są warte abym je poznał, albo teź napisanie raczej do któregoś z zawodowych profesorów polskich uczelni - wszakże oni są opłacani z podatków obywateli między innymi za udzielanie odpowiedzi na zapytania społeczeństwa, a ponadto wszyscy oni mają sekretarki (tak że korespondencja NIE zjada im czasu który powinni przeznaczać na badania).


#N5. Kopia tej strony jest też upowszechniana jako broszurka z serii [11] w bezpiecznym formacie PDF:

       Niniejsza strona dostępna jest także w formie broszurki oznaczanej symbolem [11], którą przygotowałem w "PDF" (od "Portable Document Format") - obecnie uważanym za najbezpieczniejszy z wszystkich internetowych formatów, jako że do niego normalnie wirusy się NIE doczepiają. Ta klarowna broszurka jest gotowa zarówno do drukowania, jak i do wygodnego czytania z ekranu komputera. Ciągle ma ona też aktywne wszystkie swoje zielone linki. Stąd jeśli jest czytana z ekranu komputera podłączonego do internetu, wówczas po kliknięciu na owe linki otworzą się linkowane nimi strony lub ilustracje. Niestety, ponieważ jej objętość jest około dwukrotnie wyższa niż objętość strony internetowej jakiej treść ona publikuje, ograniczenia pamięci na sporej liczbie darmowych serwerów jakie ja używam, NIE pozwalają aby ją na nich oferować (jeśli więc NIE załaduje się ona z niniejszego adresu, ponieważ NIE jest ona tu dostępna, wówczas należy kliknąć na któryś odmienny adres z Menu 3, poczym sprawdzić czy stamtąd juź się załaduje). Aby otworzyć ową broszurkę (lub/i załadować ją do własnego komputera), wystarczy albo kliknąć na następujący zielony link albo też z którejś totaliztycznej witryny otworzyć sobie plik nazywany tak jak w powyższym linku.
       Jeśli zaś czytelnik zechce też sprawdzić, czy jakaś inna totaliztyczna strona właśnie studiowana przez niego, też jest już dostępna w formie takiej PDF broszurki, wówczas powinien sprawdzić, czy wyszczególniona ona została w linkach z "części #B" strony o nazwie tekst_11.htm. Owe linki wskazują bowiem wszystkie totaliztyczne strony, które już zostały opublikowane jako takie broszurki z serii [11] w formacie PDF. Życzę przyjemnego czytania!


#N6. Copyrights © 2013 by dr inż. Jan Pająk:

       Copyrights © 2013 by dr inż. Jan Pająk. Niniejsza strona internetowa opisuje szczegóły budowy i działania ogniwa telekinetycznego które ja - tj. dr inż. Jan Pająk (zaś przez czasokres 2007 roku - Prof. dr inż. Jan Pająk) wynalazłem osobiście, którego budowę i działanie opisałem właśnie jako pierwszy naukowiec na Ziemi, a stąd dla którego zastrzegam dla siebie jego własność intelektualną. Głównym celem dla którego otwarcie upowszechniam opisy owego ogniwa jest chęć aby zarówno owo urządzenie, jak i cały szereg innych urządzeń mu podobnych, możliwie jak najszybciej oddać w służbę naszej cywilizacji. Aby zaś przyspieszyć osiągnięcie tego celu, na wszystkich tych którzy zbudują kiedyś dowolne z urządzeń technicznych mojego wynalazku jakie opisane zostały w publikacjach które nieodpłatnie upowszechniam, nakładam moralny obowiązek aby w przyszłości 10% z czystych zysków które przyniesie im produkcja i sprzedaż owych urządzeń, przeznaczyli na specjalny "fundusz dra Pająka" dla rozwoju urządzeń i idei podnoszących zaawansowanie naszej cywilizacji na następny poziom (np. na fundusz rozwoju komory oscylacyjnej opisanej w drugim tomie monografii [1/5], magnokraftu opisanego w trzecim tomie owej monografii [1/5], czy na fundusz rozwoju sejsmografu Zhang Henga opisanego w podrozdziale K6.1 z tomu 9 monografii [1/5]). Szczegóły tego funduszu opisane zostały w podrozdziale AB2 z tomu 1 monografii [1/5].
* * *
If you prefer to read in English
click on the flag

(Jeśli preferujesz język angielski
kliknij na poniższą flagę)



Data założenia tej strony internetowej: 17 sierpnia 2006 roku
Data jej najnowszego aktualizowania: 25 marca 2013 roku
(Sprawdź w adresach z Menu 4 czy istnieje już nowsza aktualizacja)